ВИЗАТОР
Новости японской автоиндустрии
  • Главная
  • Новости
  • FAQ
  • Аукционы
  • Руководства по ремонту
    • Nissan Wingroad Y12: полное руководство по ремонту и обслуживанию на русском языке
  1. Вы здесь:  
  2. Главная
  3. Руководства по ремонту

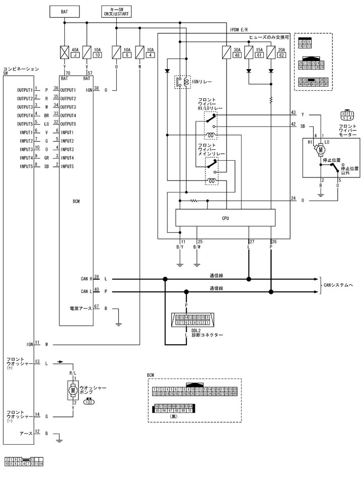
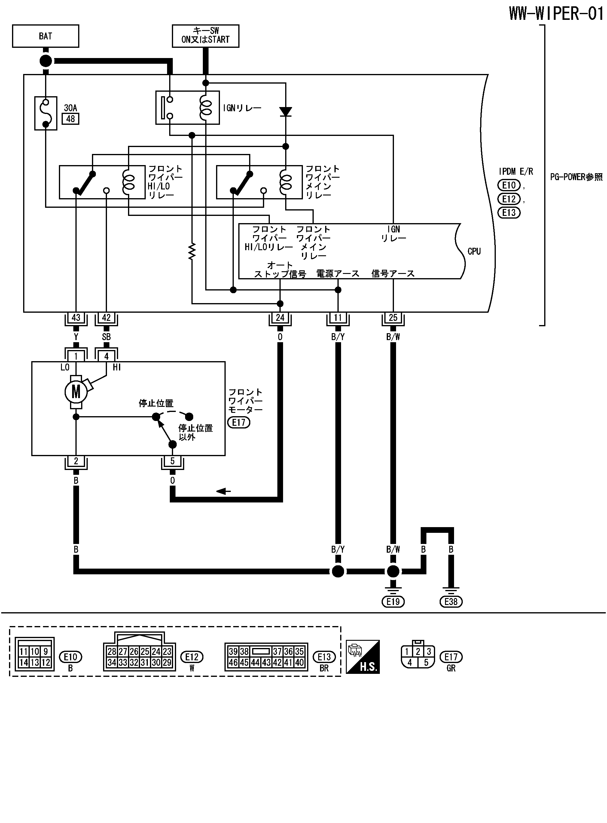
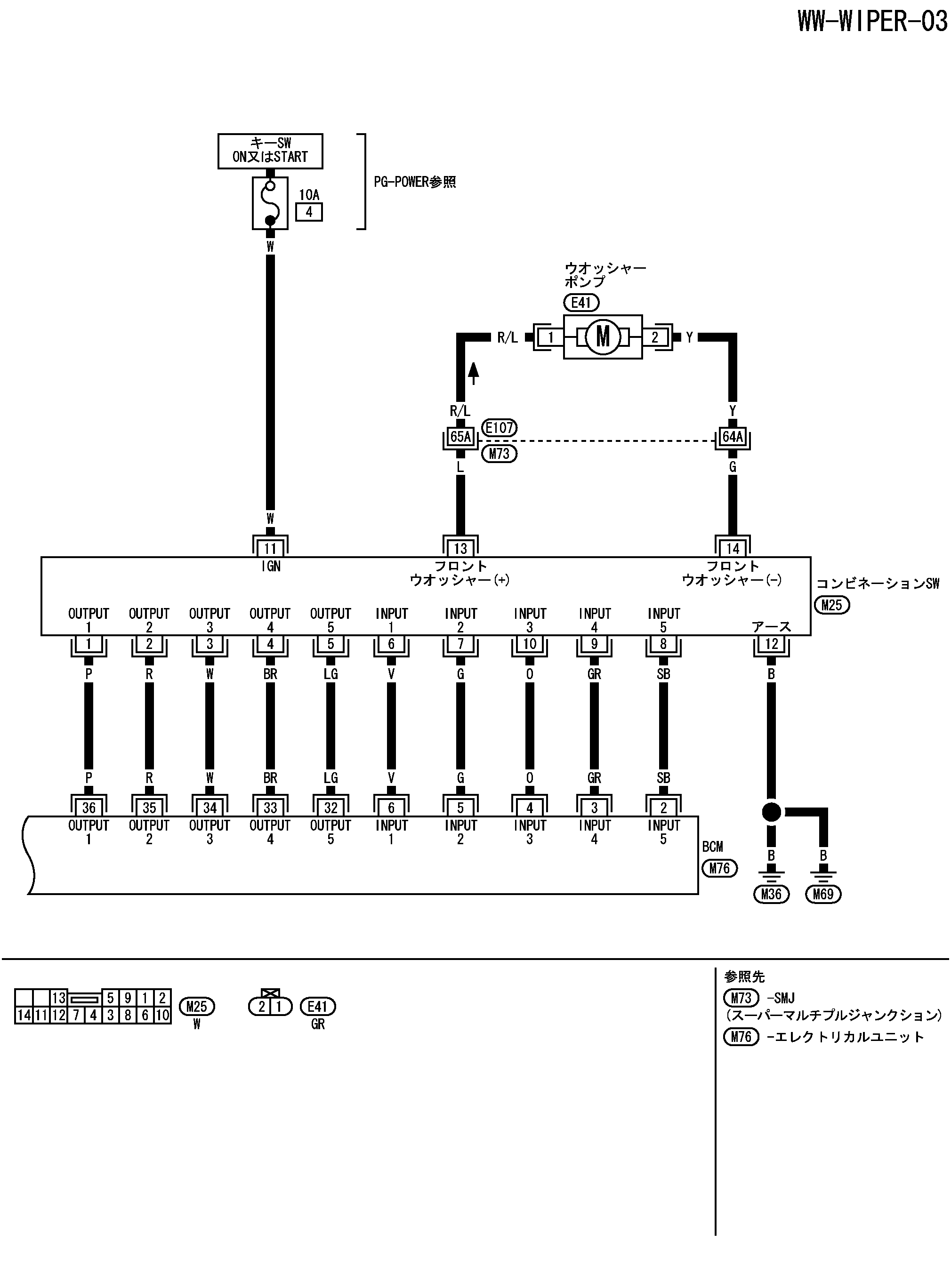
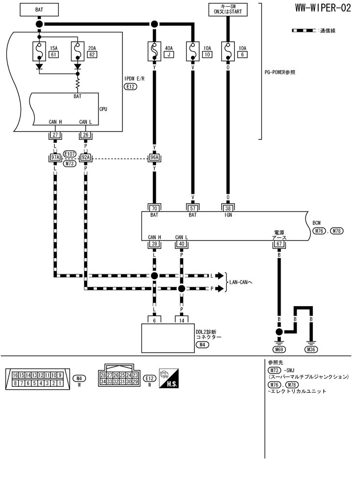
Схема подключения — стеклоочиститель — система переднего стеклоочистителя/омывателя

Информация о материале
Категория: Стеклоочистители, омыватели, сигнал

配線図 - WIPER -


TKWB4610J.JPG
📄 Открыть схему TKWB4610J.PDF



TKWB4408J.JPG
📄 Открыть схему TKWB4408J.PDF



TKWB4409J.JPG
📄 Открыть схему TKWB4409J.PDF

Принципиальная схема системы стеклоочистителей и омывателей ветрового стекла

Информация о материале
Категория: Стеклоочистители, омыватели, сигнал

принципиальная схема


TKWB2940J.JPG
📄 Открыть схему TKWB2940J.PDF

Обзор системы Система передних стеклоочистителей/омывателей

Информация о материале
Категория: Стеклоочистители, омыватели, сигнал

Обзор системы

 
 システム図

PKIC8122J.JPG
📄 Открыть схему PKIC8122J.PDF

 
 BCM

  • キースイッチがONのとき、コンビネーションスイッチ(フロントワイパースイッチ、及びフロントウオッシャースイッチ)の状態を読み取り、フロントワイパーリクエスト信号のSTOP/LO/HIを制御し、CAN通信でIPDM E/Rに送信する。
  • フロントワイパーオートストップ信号(停止位置、又は停止位置以外)をCAN通信でIPDM E/Rから受信する。
  • コンビネーションメーターから受信する車速信号、及びワイパーボリューム位置から、車速検知式間けつワイパーの制御を行う。
 
 IPDM E/R

  • BCMから受信するフロントワイパーリクエスト信号に応じて、フロントワイパーメインリレー、及びフロントワイパーHI /LOリレーのON /OFF を制御し、フロントワイパーをLO 作動/HI 作動/停止させる。
  • フロントワイパーモーターから受信するフロントワイパーオートストップ信号によりフロントワイパーアームの位置を検出し、フロントワイパーオートストップ信号の停止位置/停止位置以外を制御して、CAN 通信でBCM に送信する。
 
 コンビネーションメーター

車速信号をCAN 通信で、BCM に送信する。
 
 構成部品取付位置

SKIB7805J.JPG
📄 Открыть схему SKIB7805J.PDF

Меры предосторожности при работе с системой стеклоочистителей/омывателей

Информация о материале
Категория: Стеклоочистители, омыватели, сигнал

Система стеклоочистителей/омывателей


  • フロントワイパー作動中、雪などの障害物によりワイパーが作動できなくなると、 IPDM E/Rがモーター保護のためワイパーの 作動を停止させることがある。その場合、スイッチをOFFにし障害物を取り除いた後 、20秒以上経過してから 再度フロントワイパースイッチをONにすると、フロントワイパーが作動を再開する。
  • 降雪等の要因によりリヤワイパーの作動が5秒以上停止すると、BCMがモーター保護のためにリヤワイパーの作動を停止させる。その際は一度リヤワイパースイッチをOFFし、停止した要因を取り除いた後、1分以上経過してから再度リヤワイパースイッチをONにすると、リヤワイパーが作動を再開する。
  • フロントワイパーをロックバックさせた状態でフードを開けると、フードを傷付ける場合がある。
  • ウインドシールドガラスにワックス等の油膜付着及びガラスコーティング剤の塗りムラや部分はがれがあると、正常に拭き取れない(ジャダー発生等)場合がある。
  • ウオッシャーポンプを連続で1分間以上作動させると、故障する場合がある。

Меры предосторожности при работе со снятой верхней крышкой капота Меры предосторожности при работе

Информация о материале
Категория: Стеклоочистители, омыватели, сигнал

Меры предосторожности при работе со снятой верхней крышкой капота


  • カウルトップカバーを取り外して作業をする場合はウインドシールド下端部に必ずウレタン等の保護カバーをすること。
    PIIB3706J.JPG
  1. Меры предосторожности для автомобилей с подушками безопасности SRS и ремнями безопасности с преднатяжителями. Меры предосторожности при работе.

Подкатегории

Nissan Wingroad Y12: полное руководство по ремонту и обслуживанию на русском языке

Общая информация

Общая информация

Двигатель

Выхлопная система

Двигатель механическая часть

Система охлаждения

Система смазки

Система управления двигателем

Топливная система

Управление акселератором

Трансмиссия

Автоматическая коробка передач (A/T)

Вариатор (CVT)

Привод и мосты

Задний мост и приводные валы

Передний мост и приводные валы

Электрический привод колес

Подвеска

Задняя подвеска

Колеса и шины

Передняя подвеска

Тормоза

Система управления тормозами

Стояночный тормоз

Тормозная система

Рулевое управление

Гидроусилитель руля

Система управления рулевым механизмом

Системы защиты пассажиров

Подушки безопасности SRS

Ремни безопасности

Кузов

Кузов, замки, безопасность

Приборная панель

Сиденья

Стекла, окна, зеркала

Экстерьер и интерьер

Кондиционирование

Автоматический кондиционер

Ручной кондиционер

Электрооборудование

Аудио-визуальная система

Информационная система водителя

Питание, заземление, электрические компоненты

Сеть LAN (CAN)

Система запуска и зарядки

Система освещения

Система управления кузовом

Стеклоочистители, омыватели, сигнал

Страница 893 из 894

  • 885
  • 886
  • 887
  • 888
  • 889
  • 890
  • 891
  • 892
  • 893
  • 894

© 2012- Поддержка и продвижение JediG: Joomla + REST API + Python
Отдых в горах на море в селе Сукко в 12 км от Анапы- подбор аренды


Японские автомобили от японского дилера без третьих лиц! Общение на русском! ePN