ВИЗАТОР
Новости японской автоиндустрии
  • Главная
  • Новости
  • FAQ
  • Аукционы
  • Руководства по ремонту
    • Nissan Wingroad Y12: полное руководство по ремонту и обслуживанию на русском языке
  1. Вы здесь:  
  2. Главная
  3. Руководства по ремонту

Функции Consult-III (BCM - Стеклоочиститель) Система заднего стеклоочистителя/омывателя

Информация о материале
Категория: Стеклоочистители, омыватели, сигнал

CONSULT-IIIの機能(BCM - ワイパ)


CONSULT‐IIIはBCMとの通信により、下記の機能を実行する。

点検項目、診断モード
内容
作業サポート
車速検知ワイパの設定変更を行う。参考
データモニタ
BCMの入力データをリアルタイムに表示する。
アクティブテスト
リヤワイパーモーターに駆動信号を与えて作動点検を行う。
参考:
リヤワイパーに機能設定はない。

 
 データモニタ
 
 表示項目一覧
モニタ項目名[表示、又は単位]
操作条件、及び表示内容
判断内容
操作条件
表示内容
IGN SW
[On/Off]
キースイッチ
ON
On
キーSW信号から判断した状態を表示
OFF、又はACC
Off
IGN SW CAN
[On/Off]
キースイッチ
ON
On
CAN通信信号から判断したキースイッチの状態を表示
OFF、又はACC
Off
フロント ワイパ
HI
[On/Off]
フロントワイパースイッチ
HI
On
ワイパーSW信号から判断した状態を表示
(コンビネーションスイッチ読み取り機能)
OFF
Off
フロント ワイパ LOW
[On/Off]
フロントワイパースイッチ
LO、MIST
On
OFF
Off
フロント ワイパ
INT
[On/Off]
フロントワイパースイッチ
INT
On
OFF
Off
フロント ウォッシャ SW
[On/Off]
フロントワイパースイッチ
(フロントウオッシャースイッチ)
WASH
On
OFF
Off
ワイパ ボリューム
[1〜7]
ワイパーボリューム1
(間けつ休止時間 最短)
間けつボリューム1
ON
1
ワイパーSW信号から判断した間けつボリュームの設定(1〜7)状態を表示
間けつボリューム2
ON
間けつボリューム3
ON
ワイパーボリューム2
間けつボリューム1
ON
2
間けつボリューム2
ON
間けつボリューム3
OFF
ワイパーボリューム3
間けつボリューム1
ON
3
間けつボリューム2
OFF
間けつボリューム3
OFF
ワイパーボリューム4
間けつボリューム1
OFF
4
間けつボリューム2
OFF
間けつボリューム3
OFF
ワイパーボリューム5
間けつボリューム1
OFF
5
間けつボリューム2
OFF
間けつボリューム3
ON
ワイパーボリューム6
間けつボリューム1
OFF
6
間けつボリューム2
ON
間けつボリューム3
ON
ワイパーボリューム7
(間けつ休止時間 最長)
間けつボリューム1
OFF
7
間けつボリューム2
ON
間けつボリューム3
OFF
フロント ワイパ STOP
[On/Off]
フロントワイパーモーター
停止位置以外
Off
オートストップ信号から判断した状態を表示
停止位置
On
リヤ ワイパ ON
[On/Off]
リヤワイパースイッチ
ON
On
ワイパーSW信号から判断した状態を表示
(コンビネーションスイッチ読み取り機能)
OFF
Off
リヤ ワイパ INT
[On/Off]
リヤワイパースイッチ
INT
On
OFF
Off
リヤ ウオッシャーSW
[On/Off]
リヤワイパースイッチ
(リヤウオッシャースイッチ)
WASH
On
OFF
Off
リヤ ワイパSTOP
[On/Off]
リヤワイパーモーター
停止位置以外
On
オートストップ信号から判断した状態を表示
停止位置
Off
シャソク
[km/h]
—
CAN通信信号から判断した車速を表示

 
 アクティブテスト
テスト項目
操作項目
作動状態
リヤワイパ
On
リヤワイパモーターへ電源供給を行い、リヤワイパーを作動させる。
Off
リヤワイパモーターへの電源供給を停止し、リヤワイパーを停止させる。

Эталонное значение входного/выходного сигнала bcm системы заднего стеклоочистителя/омывателя

Информация о материале
Категория: Стеклоочистители, омыватели, сигнал

Опорное значение входного/выходного сигнала BCM


■ 注意 ■
  • コンビネーションスイッチ系統端子の負荷作動時の入出力値(波形)は、他の制御負荷の影響により変動するため、他の負荷を全てOFF状態にして測定すること。
  • ワイパーボリュームの波形、及び電圧測定時以外は、ワイパーボリュームを4位置にすること。ワイパーボリュームの位置は、CONSULT‐IIIにて確認できる。CONSULT-IIIの機能(BCM - コンビスイッチ) を参照。


端子
番号
信号名称
測定条件
基準値(V)
キースイッチ
操作、又は状態
5
コンビネーションSW INPUT 2
ON
ライト、ターン、
ワイパースイッチの状態
(ワイパーボリューム4位置)
OFF
約0
リヤワイパーON
参考波形

PKIB4956J.JPG
参考値 約0.8
リヤウオッシャー
参考波形

PKIB4958J.JPG
参考値 約1.0
6
コンビネーションSW INPUT 1
ON
ライト、ターン、
ワイパースイッチの状態
(ワイパーボリューム4位置)
OFF
約0
リヤワイパーINT
参考波形

PKIB4958J.JPG
参考値 約1.0
32
コンビネーションSW OUTPUT 5
ON
ライト、ターン、
ワイパースイッチの状態
(ワイパーボリューム4位置)
OFF
参考波形

PKIB4960J.JPG
参考値 約7.5
リヤワイパーON
参考波形

PKIB4956J.JPG
参考値 約1.0
33
コンビネーションSW OUTPUT 4
ON
ライト、ターン、
ワイパースイッチの状態
(ワイパーボリューム4位置)
OFF
参考波形

PKIB4960J.JPG
参考値 約7.5
リヤワイパーINT
参考波形

PKIB4958J.JPG
参考値 約1.2
34
コンビネーションSW OUTPUT 3
ON
ライト、ターン、
ワイパースイッチの状態
(ワイパーボリューム4位置)
OFF
参考波形

PKIB4960J.JPG
参考値 約7.5
リヤウオッシャー
参考波形

PKIB4958J.JPG
参考値 約1.2
38
IGN電源
ON
—
電源電圧
39
CAN‐H
—
—
—
40
CAN‐L
—
—
—
44
リヤワイパーオート
ストップ信号
ON
リヤワイパー
モーター
停止位置以外
約0
停止位置
電源電圧
55
リヤワイパー出力
ON
リヤワイパースイッチ
ON
電源電圧
OFF
約0
57
BAT電源
OFF
—
電源電圧
67
アース
—
—
約0
70
BAT電源
OFF
—
電源電圧

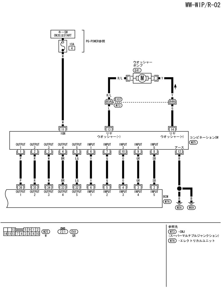
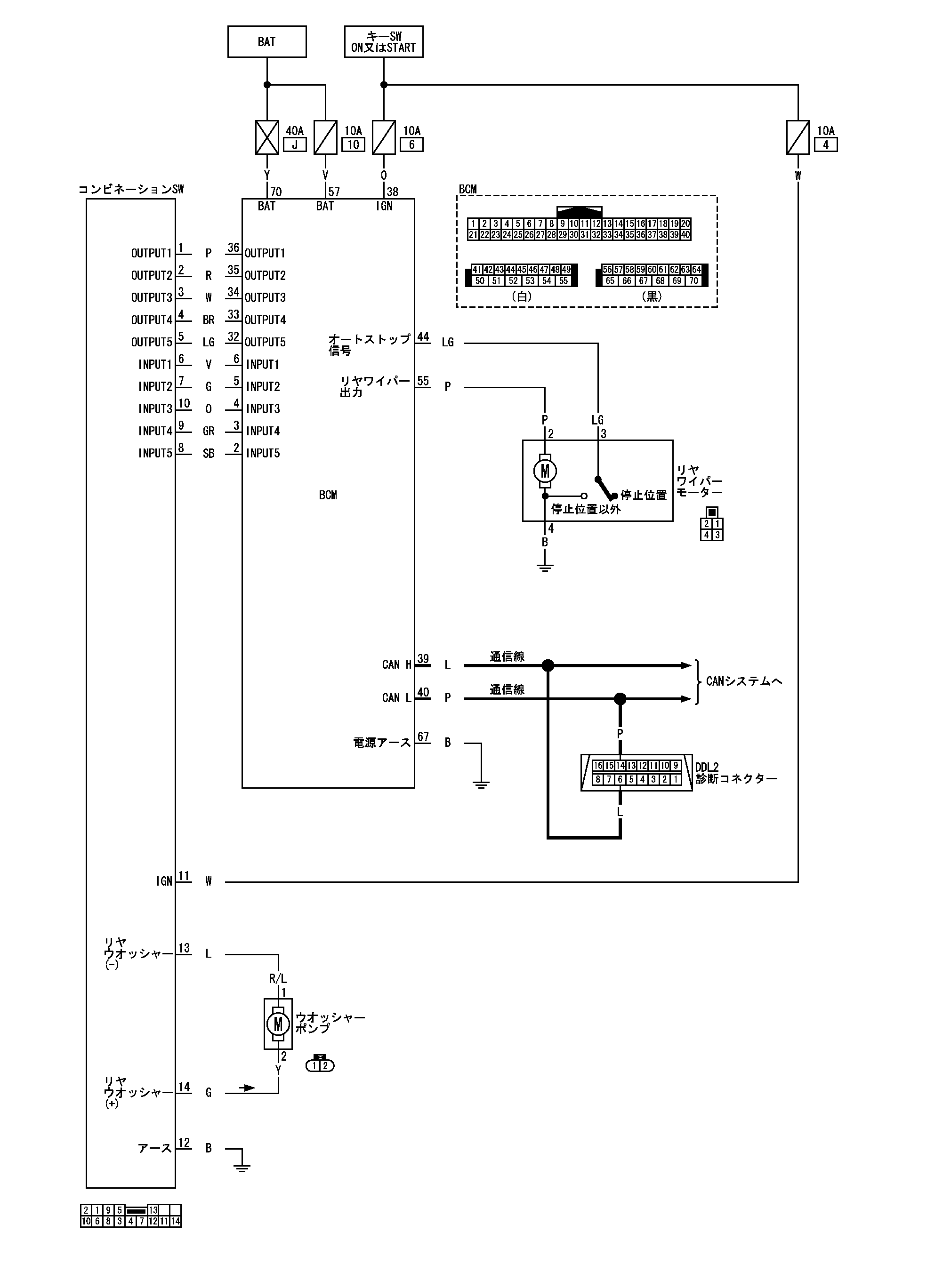
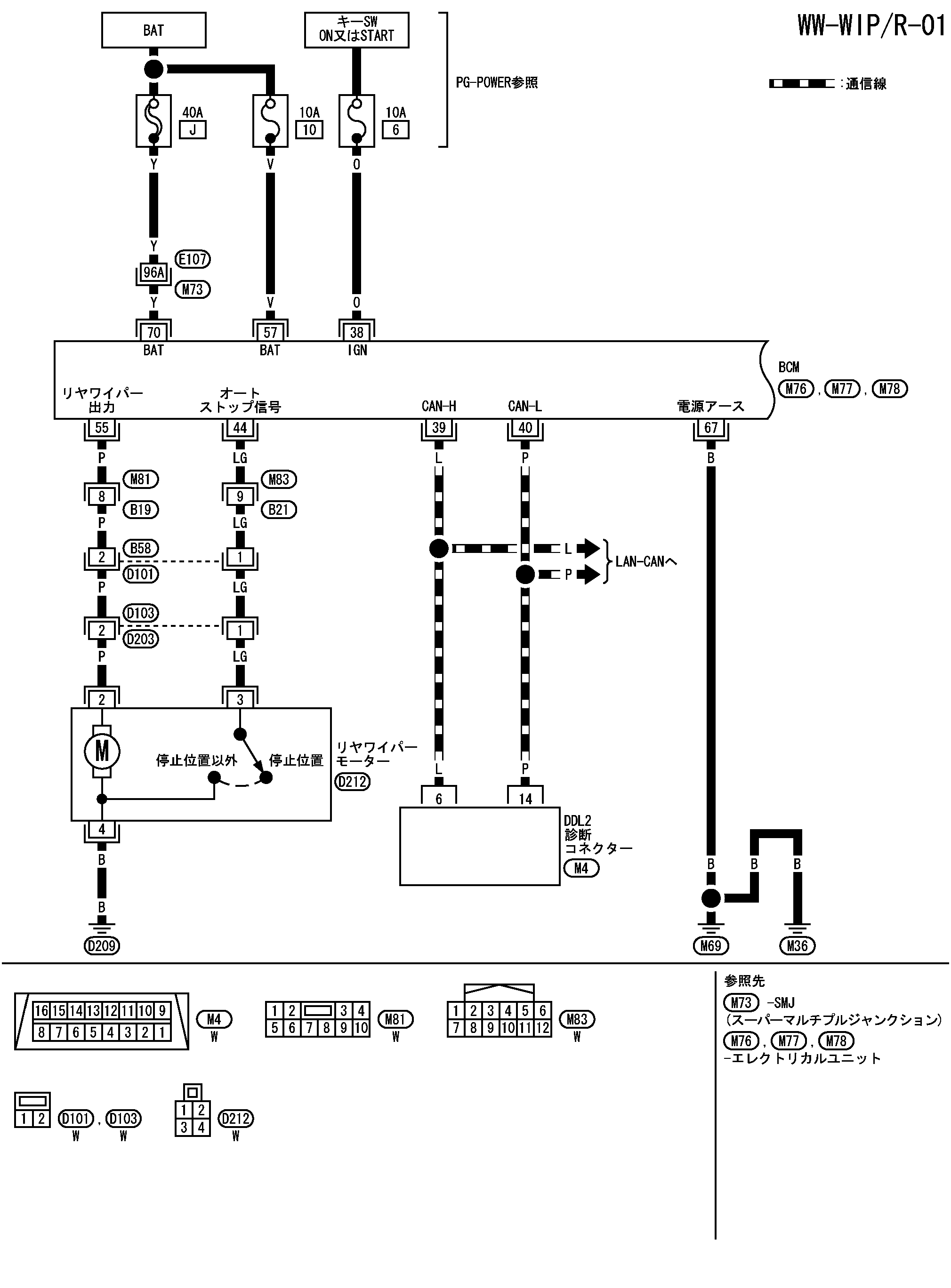
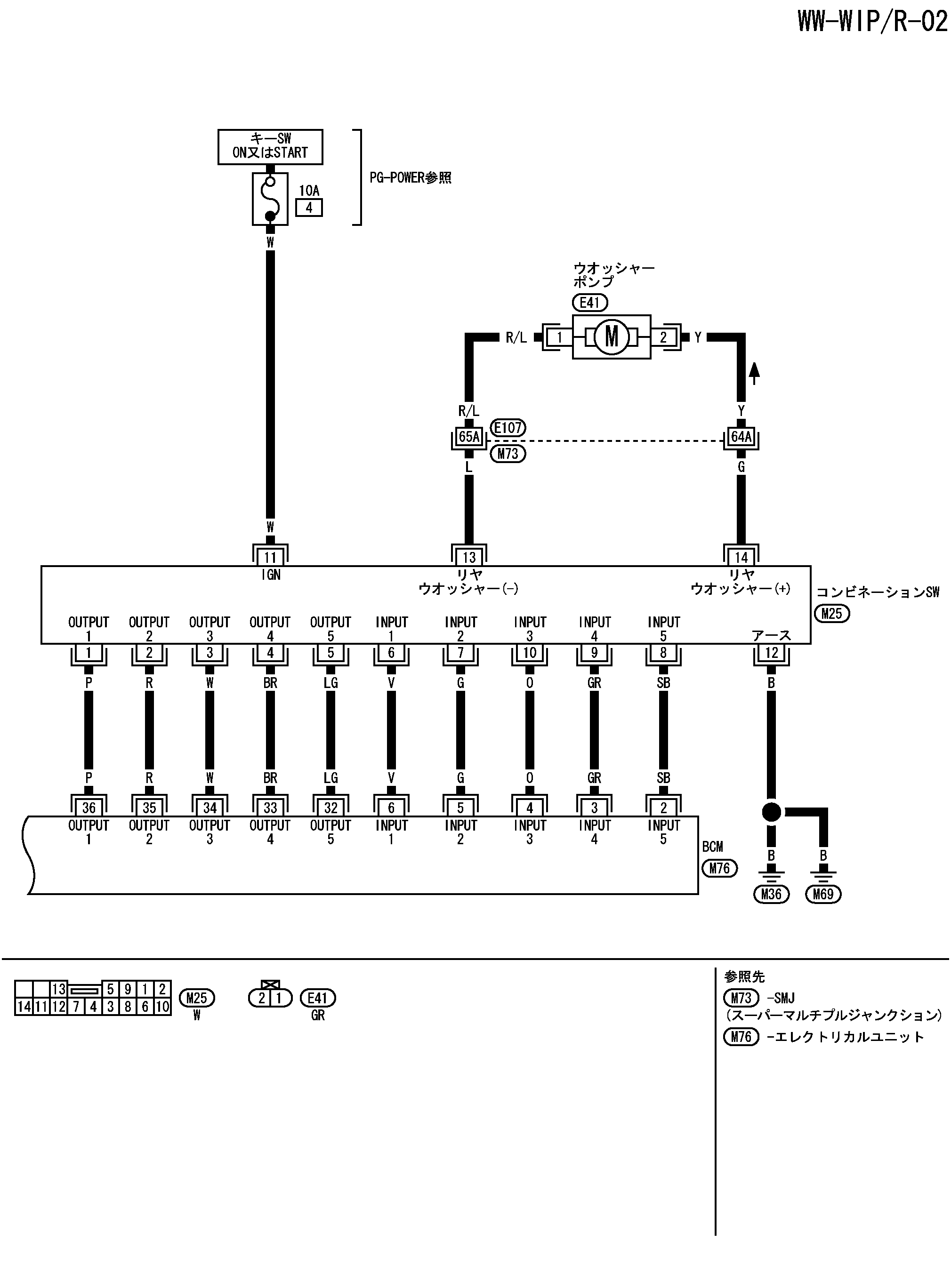
Схема подключения - wip/r - система заднего стеклоочистителя/омывателя

Информация о материале
Категория: Стеклоочистители, омыватели, сигнал

配線図 - WIP/R -


TKWB4970J.JPG
📄 Открыть схему TKWB4970J.PDF



TKWB4411J.JPG
📄 Открыть схему TKWB4411J.PDF

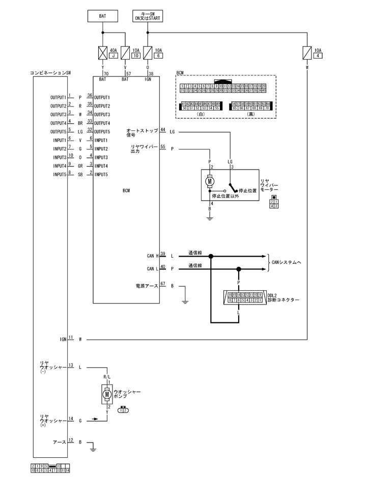
Принципиальная схема системы заднего стеклоочистителя/омывателя

Информация о материале
Категория: Стеклоочистители, омыватели, сигнал

принципиальная схема


TKWB2944J.JPG
📄 Открыть схему TKWB2944J.PDF

Обзор системы Система заднего стеклоочистителя/омывателя

Информация о материале
Категория: Стеклоочистители, омыватели, сигнал

Обзор системы

 
 システム図

PKIC8123J.JPG
📄 Открыть схему PKIC8123J.PDF

 
 BCM

コンビネーションスイッチ(リヤワイパースイッチ、及びリヤウオッシャースイッチ)の状態を読み取り、リヤワイパーINT、及びONを制御する。
 
 構成部品取付位置

SKIB7806J.JPG
📄 Открыть схему SKIB7806J.PDF

  1. Снятие и установка насоса омывателя Система омывателя передних стеклоочистителей
  2. Снятие и установка бачка омывателя Омыватель передних стеклоочистителей
  3. Снятие и установка переключателя переднего стеклоочистителя/омывателя Передняя система стеклоочистителя/омывателя
  4. Проверка цепи переключателя переднего стеклоочистителя/омывателя Система переднего стеклоочистителя/омывателя

Подкатегории

Nissan Wingroad Y12: полное руководство по ремонту и обслуживанию на русском языке

Общая информация

Общая информация

Двигатель

Выхлопная система

Двигатель механическая часть

Система охлаждения

Система смазки

Система управления двигателем

Топливная система

Управление акселератором

Трансмиссия

Автоматическая коробка передач (A/T)

Вариатор (CVT)

Привод и мосты

Задний мост и приводные валы

Передний мост и приводные валы

Электрический привод колес

Подвеска

Задняя подвеска

Колеса и шины

Передняя подвеска

Тормоза

Система управления тормозами

Стояночный тормоз

Тормозная система

Рулевое управление

Гидроусилитель руля

Система управления рулевым механизмом

Системы защиты пассажиров

Подушки безопасности SRS

Ремни безопасности

Кузов

Кузов, замки, безопасность

Приборная панель

Сиденья

Стекла, окна, зеркала

Экстерьер и интерьер

Кондиционирование

Автоматический кондиционер

Ручной кондиционер

Электрооборудование

Аудио-визуальная система

Информационная система водителя

Питание, заземление, электрические компоненты

Сеть LAN (CAN)

Система запуска и зарядки

Система освещения

Система управления кузовом

Стеклоочистители, омыватели, сигнал

Страница 888 из 894

  • 883
  • 884
  • 885
  • 886
  • 887
  • 888
  • 889
  • 890
  • 891
  • 892

© 2012- Поддержка и продвижение JediG: Joomla + REST API + Python
Отдых в горах на море в селе Сукко в 12 км от Анапы- подбор аренды


Японские автомобили от японского дилера без третьих лиц! Общение на русском! ePN