ВИЗАТОР
Новости японской автоиндустрии
Главная
Новости
FAQ
Аукционы
Руководства по ремонту
Nissan Wingroad Y12: полное руководство по ремонту и обслуживанию на русском языке
Вы здесь:
Главная
Руководства по ремонту
Nissan Wingroad Y12: полное руководство по ремонту и обслуживанию на русском языке
Электрооборудование
Система запуска и зарядки
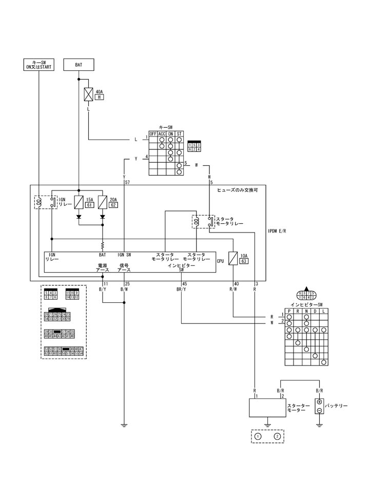
Схематическая система запуска
Схематическая система запуска
принципиальная схема
A/T車
📄
Открыть схему TKWB4450J.PDF
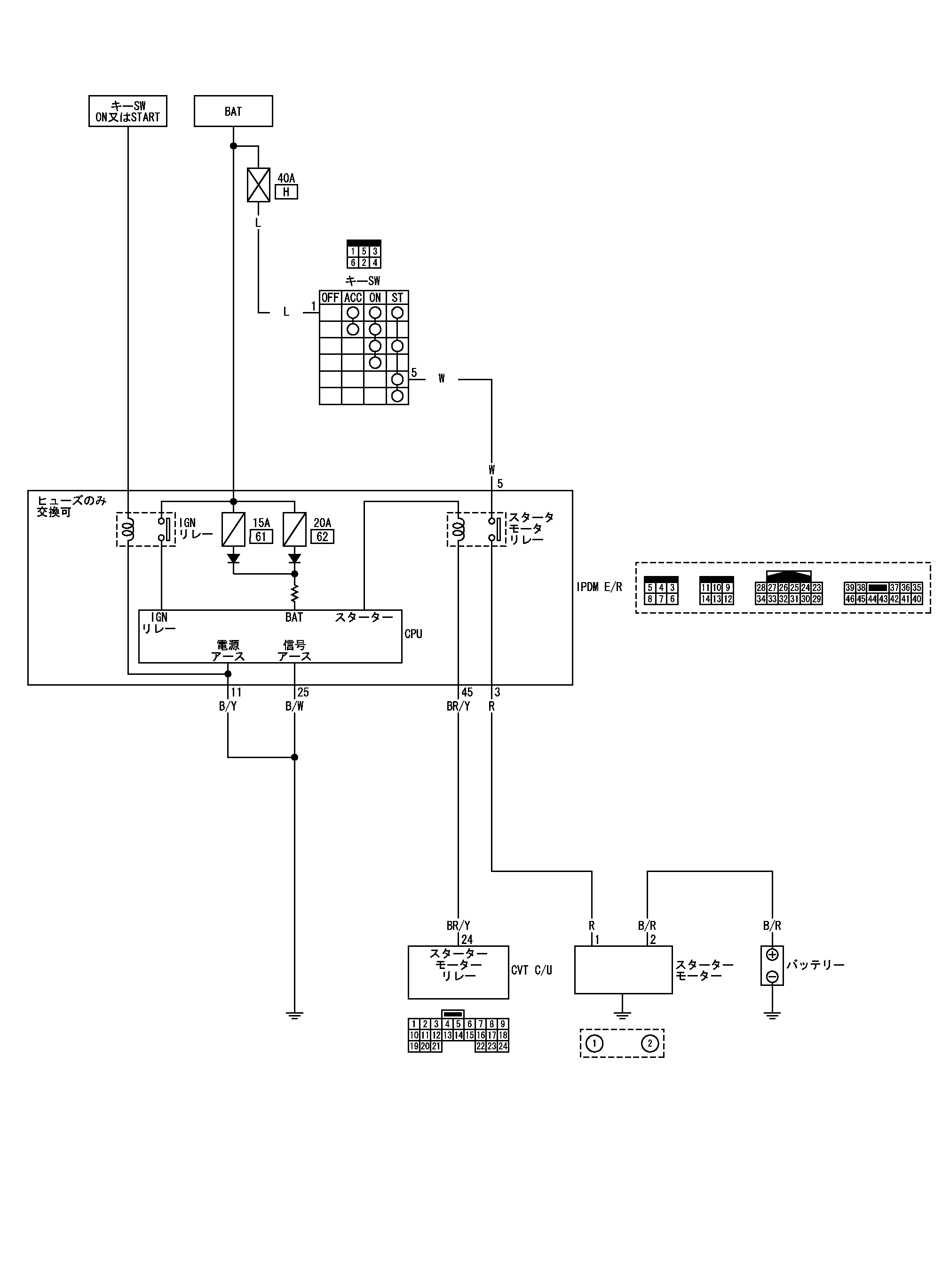
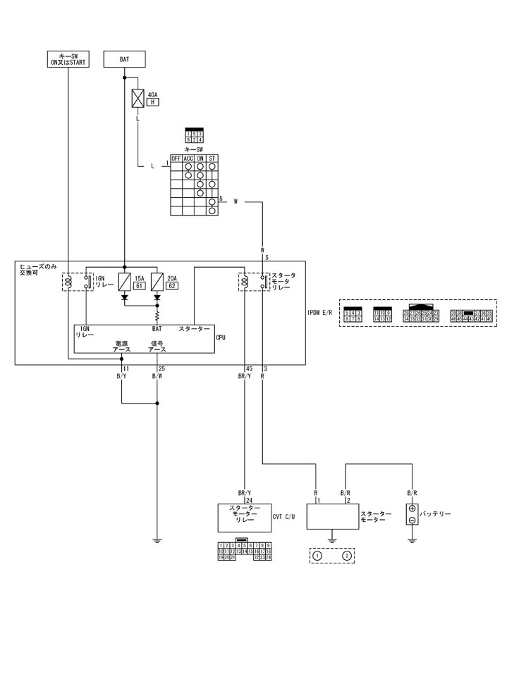
CVT車(HR15DE)
📄
Открыть схему TKWB4451J.PDF
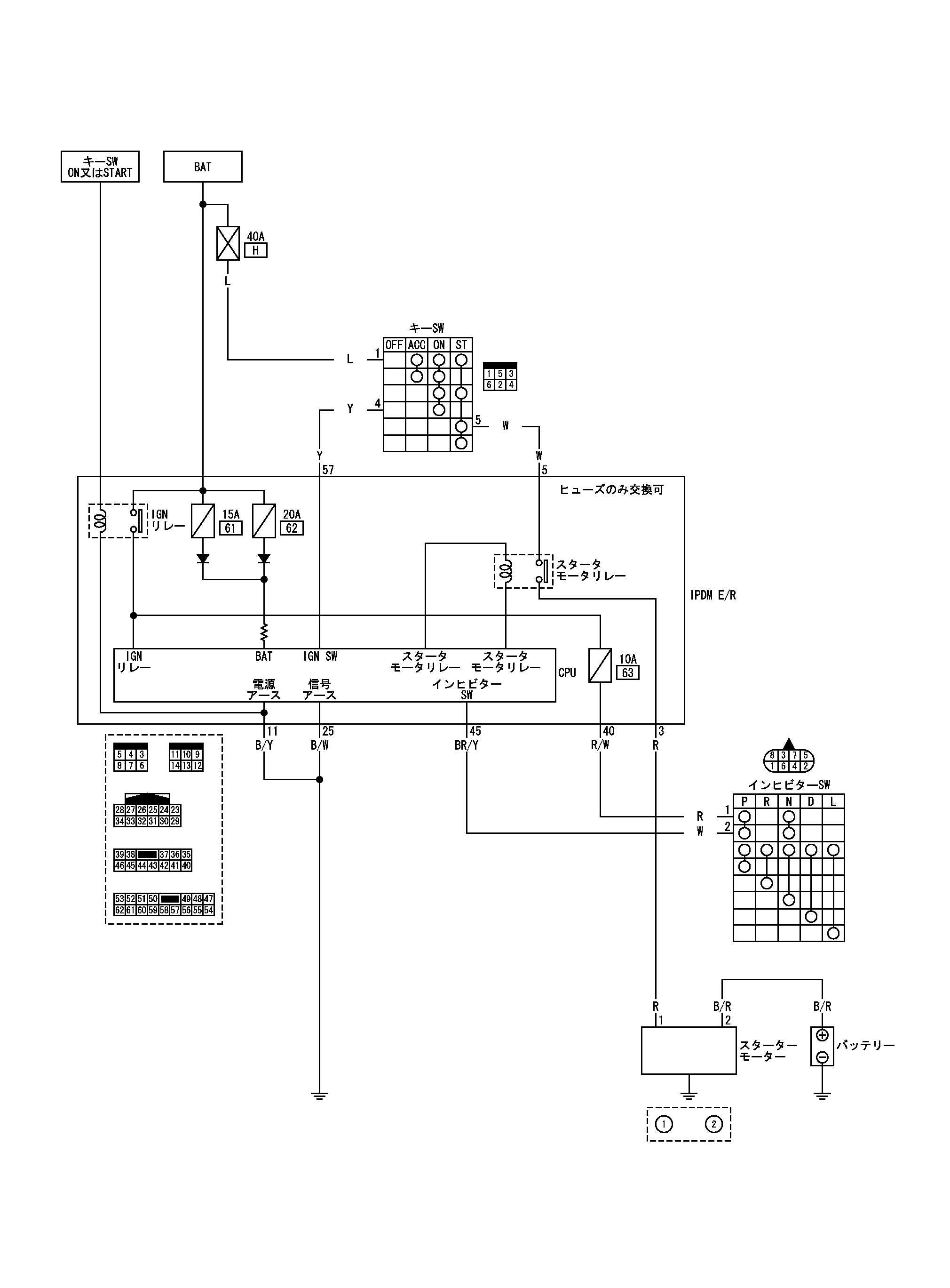
CVT車(MR18DE)
📄
Открыть схему TKWB4615J.PDF
Предыдущий: Снятие и установка аккумулятораАккумулятор
Назад
Следующий: Схема подключения – пуск – система запуска
Вперед