ВИЗАТОР
Новости японской автоиндустрии
Главная
Новости
FAQ
Аукционы
Руководства по ремонту
Nissan Wingroad Y12: полное руководство по ремонту и обслуживанию на русском языке
Вы здесь:
Главная
Руководства по ремонту
Nissan Wingroad Y12: полное руководство по ремонту и обслуживанию на русском языке
Электрооборудование
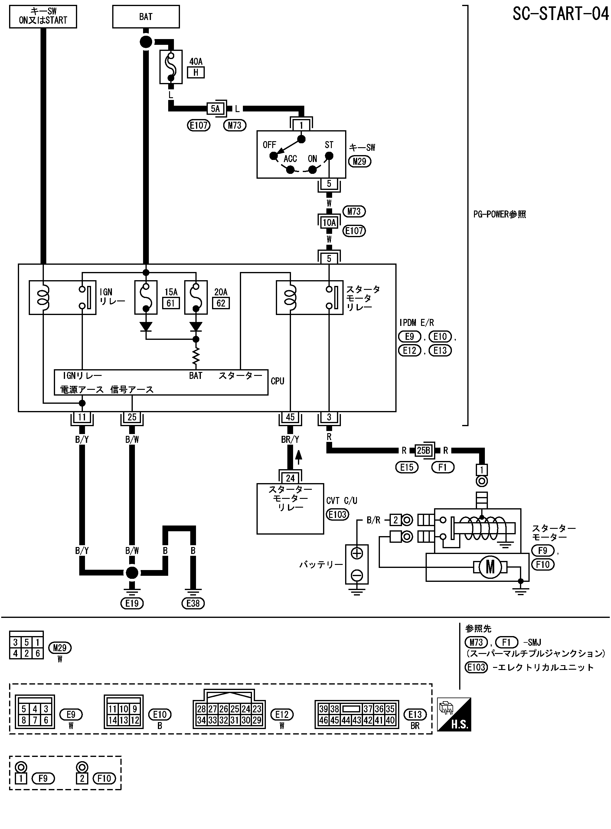
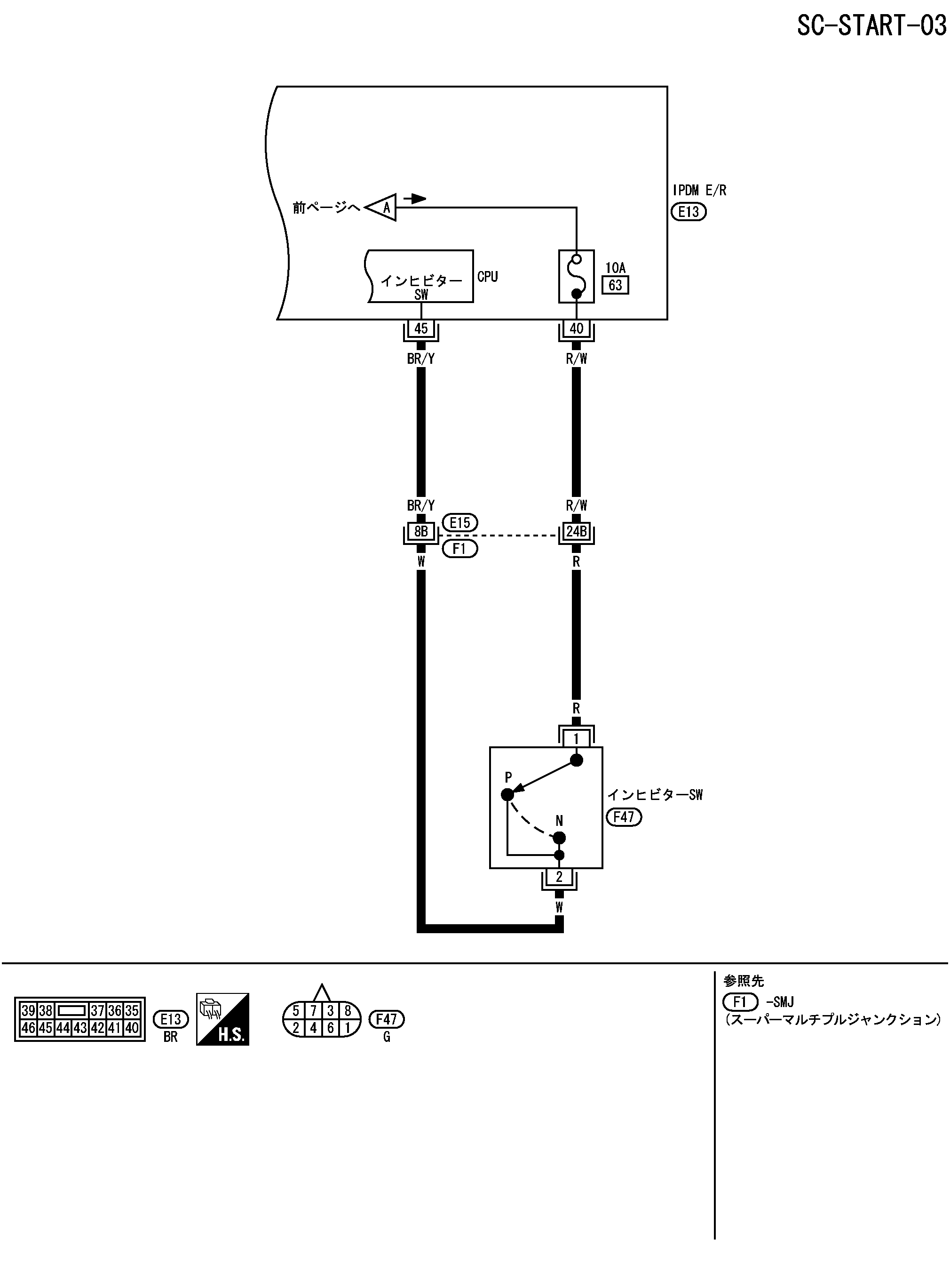
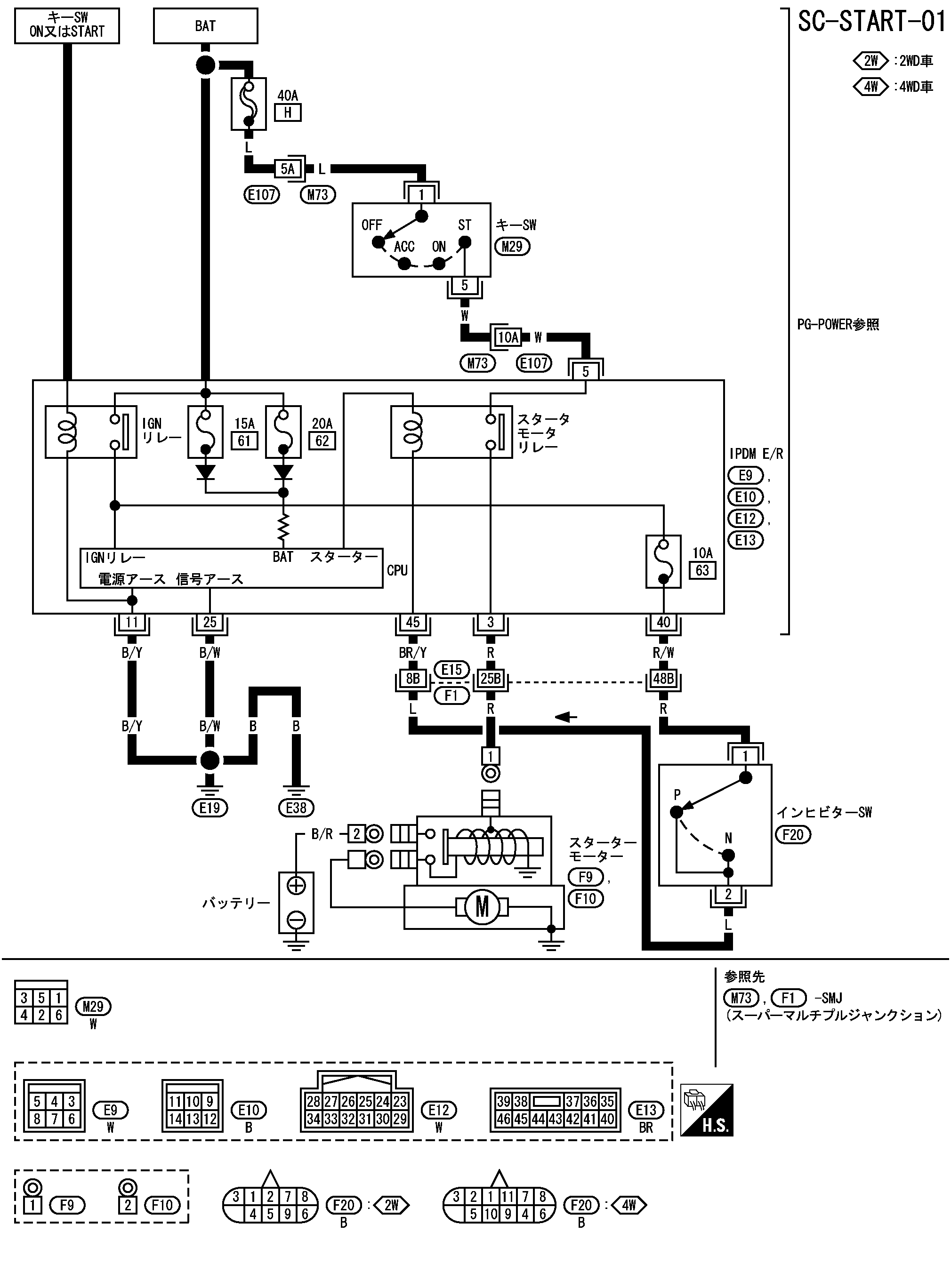
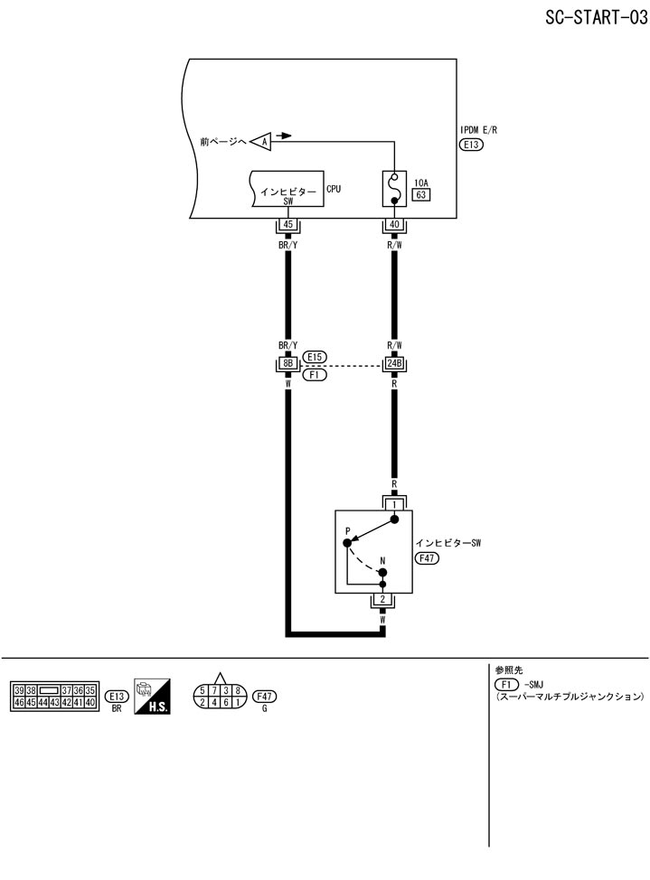
Система запуска и зарядки
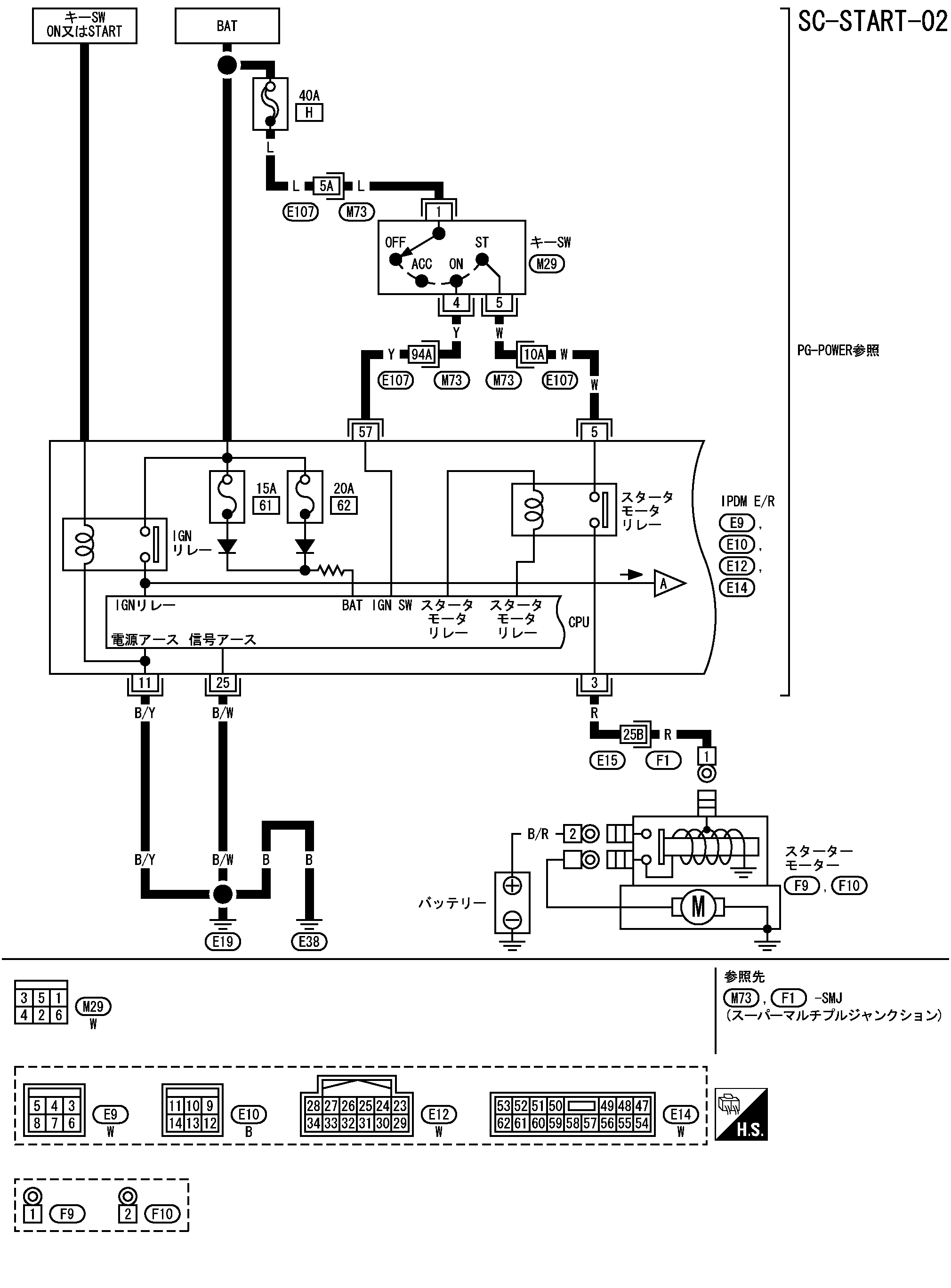
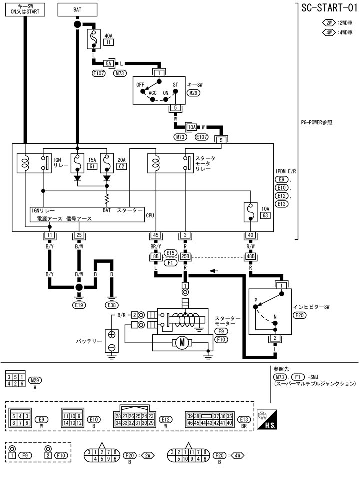
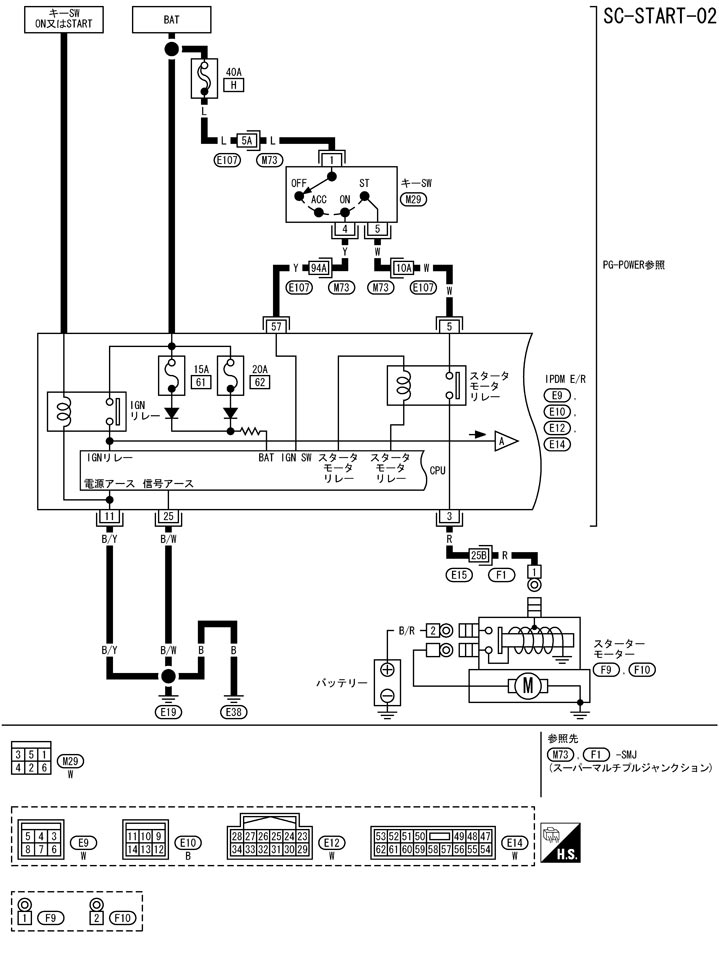
Схема подключения – пуск – система запуска
Схема подключения – пуск – система запуска
配線図 - START -
A/T車
📄
Открыть схему TKWB4452J.PDF
CVT車(HR15DE)
📄
Открыть схему TKWB4453J.PDF
📄
Открыть схему TKWB4955J.PDF
CVT車(MR18DE)
📄
Открыть схему TKWB4455J.PDF
Предыдущий: Схематическая система запуска
Назад
Следующий: Снятие и установка стартера Система запуска
Вперед