Снятие и установка стартера

 
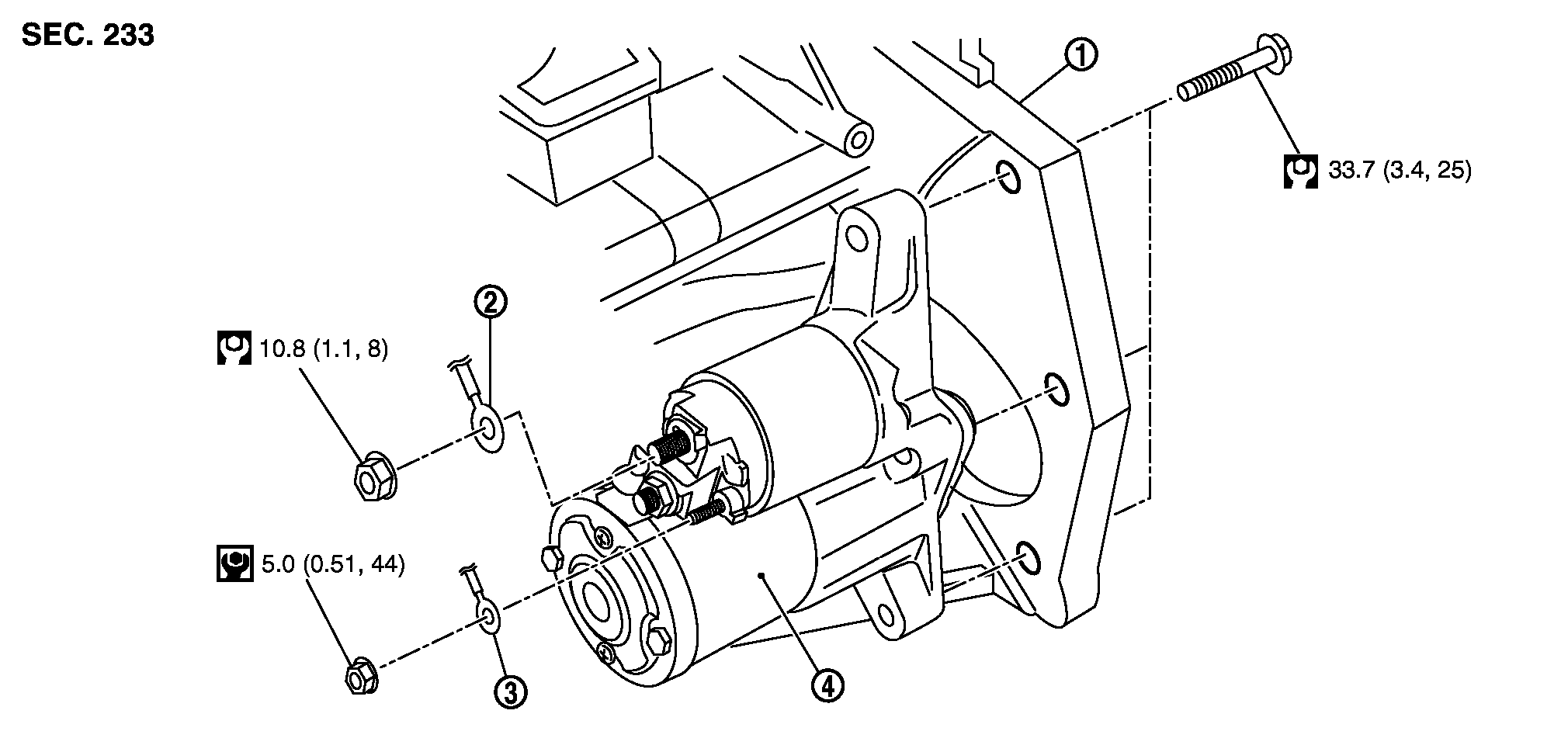
 HR15DE


SKIB3789J.JPG

1.
シリンダーブロック左後端部
2.
B端子ハーネス
(注:絶縁カバーは図示省略)
3.
S端子ハーネス
(注:絶縁カバーは図示省略)
4.
スターターモーター





:N·m(kg‐m, ft‐lb)

:N·m(kg‐m, in‐lb)



 
 取り外し

    1.バッテリーマイナス端子を外す。
    2.エアダクト(外気導入側)を取り外す。エアクリーナー、エアダクトを参照。
    3.冷却水リザーバータンクを取り外す。ラジエーターを参照。
    4.スターターモーターのS端子、B端子の各ハーネスを外す。
    5.取付ボルト3本を外し、車両上側からスターターモーターを取り外す。
 
 取り付け

取り付けは、取り外しの逆の手順で行う。
 
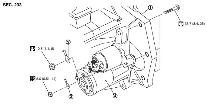
 MR18DE


SKIB3700J.JPG

1.
S端子ハーネス
(注:絶縁カバーは図示省略)
2.
B端子ハーネス
(注:絶縁カバーは図示省略)
3.
スターターモーター
4.
シリンダーブロック左後端部





:N·m(kg‐m, ft‐lb)

:N·m(kg‐m, in‐lb)



 
 取り外し

    1.バッテリーマイナス端子を外す。
    2.エアダクト(外気導入側)を取り外す。エアクリーナー、エアダクトを参照。
    3.冷却水リザーバータンクを取り外す。ラジエーターを参照。
    4.オイルプレッシャー スイッチコネクターを外す。
    5.スターターモーターのS端子、B端子の各ハーネスを外す。
    6.取付ボルト2本を外し、車両上側からスターターモーターを取り外す。
■ 注意 ■
スターターモーター取り外しの際は、オイルプレッシャー スイッチを破損しないように注意すること。
 
 取り付け

取り付けは、取り外しの逆の手順で行う。