ВИЗАТОР
Новости японской автоиндустрии
Главная
Новости
FAQ
Аукционы
Руководства по ремонту
Nissan Wingroad Y12: полное руководство по ремонту и обслуживанию на русском языке
Вы здесь:
Главная
Руководства по ремонту
Nissan Wingroad Y12: полное руководство по ремонту и обслуживанию на русском языке
Электрооборудование
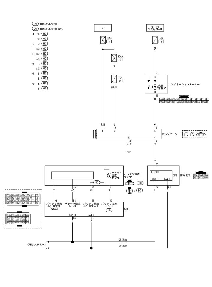
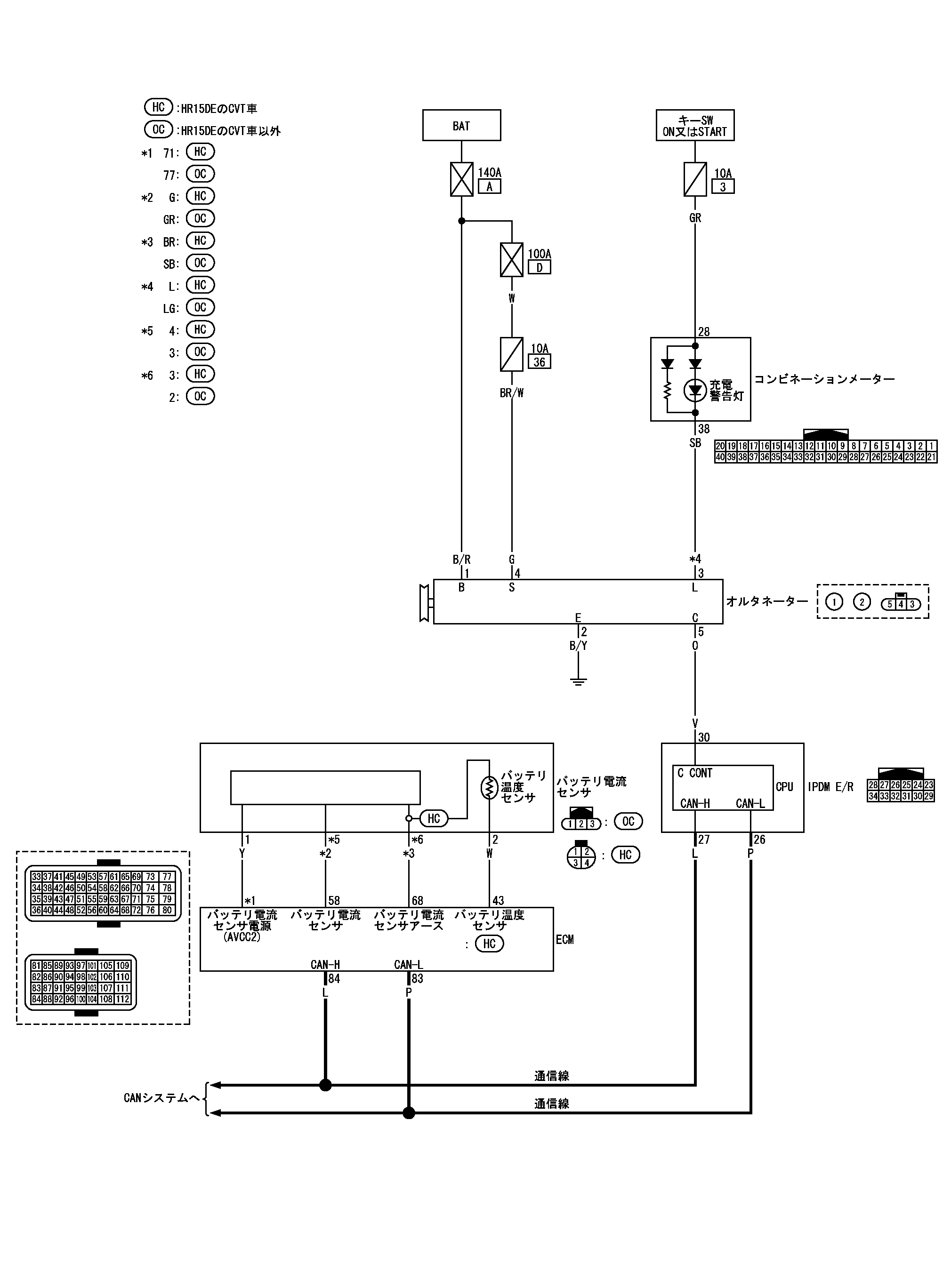
Система запуска и зарядки
Схематическая система зарядки
Схематическая система зарядки
принципиальная схема
📄
Открыть схему TKWB4956J.PDF
Предыдущий: Снятие и установка стартера Система запуска
Назад
Следующий: Схема подключения – зарядка – система зарядки
Вперед