ВИЗАТОР
Новости японской автоиндустрии
Главная
Новости
FAQ
Аукционы
Руководства по ремонту
Nissan Wingroad Y12: полное руководство по ремонту и обслуживанию на русском языке
Вы здесь:
Главная
Руководства по ремонту
Nissan Wingroad Y12: полное руководство по ремонту и обслуживанию на русском языке
Электрооборудование
Система запуска и зарядки
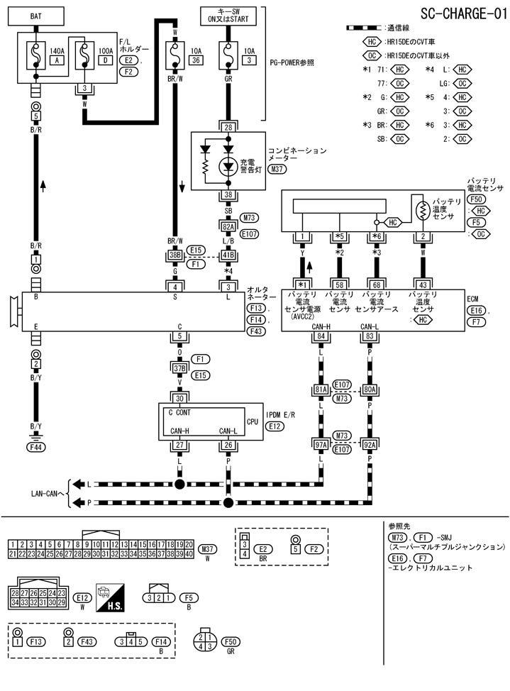
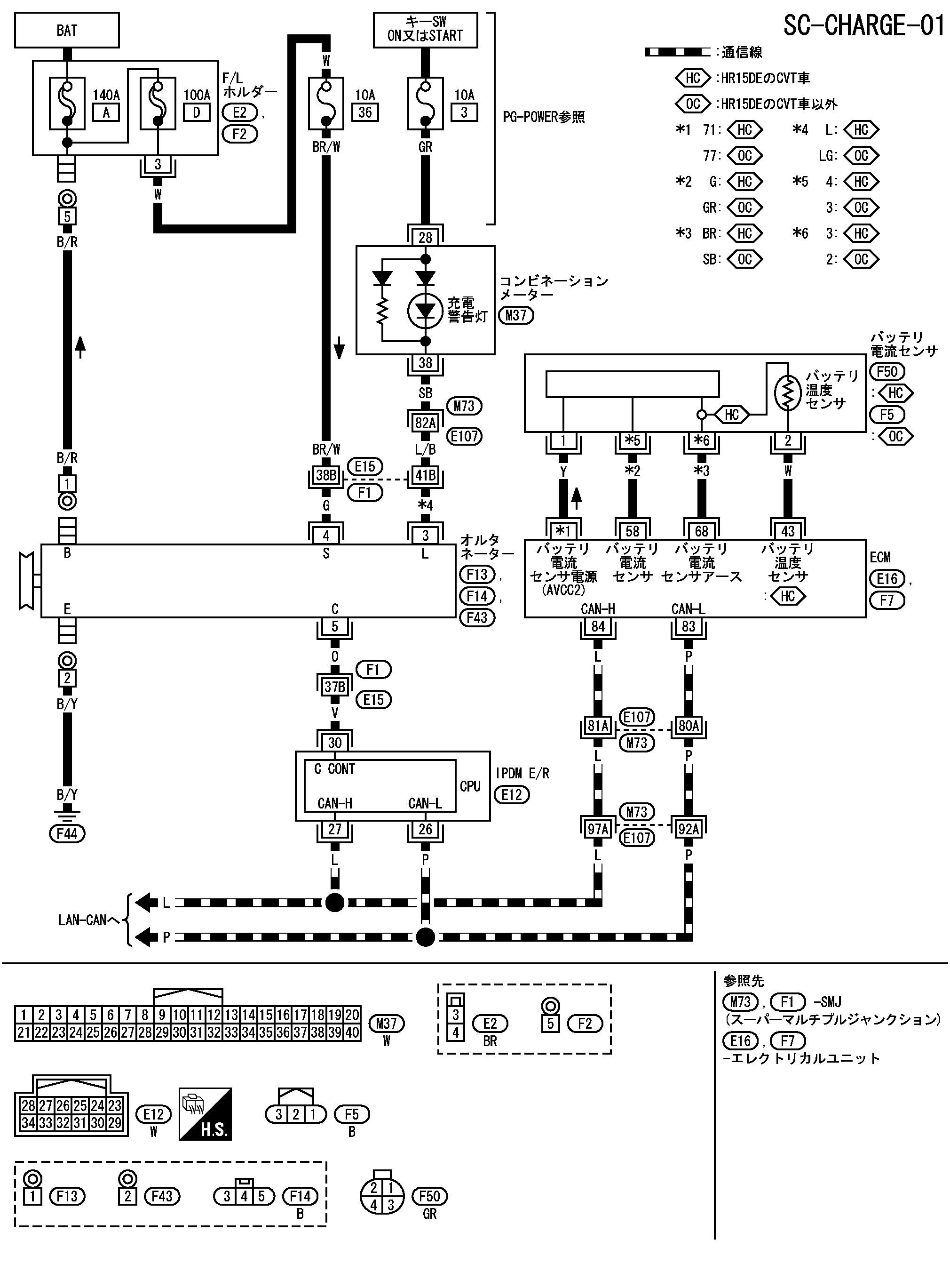
Схема подключения – зарядка – система зарядки
Схема подключения – зарядка – система зарядки
配線図 - CHARGE -
📄
Открыть схему TKWB4957J.PDF
Предыдущий: Схематическая система зарядки
Назад
Следующий: Как продолжить диагностику неисправности Система зарядки
Вперед