Обзор системы

 
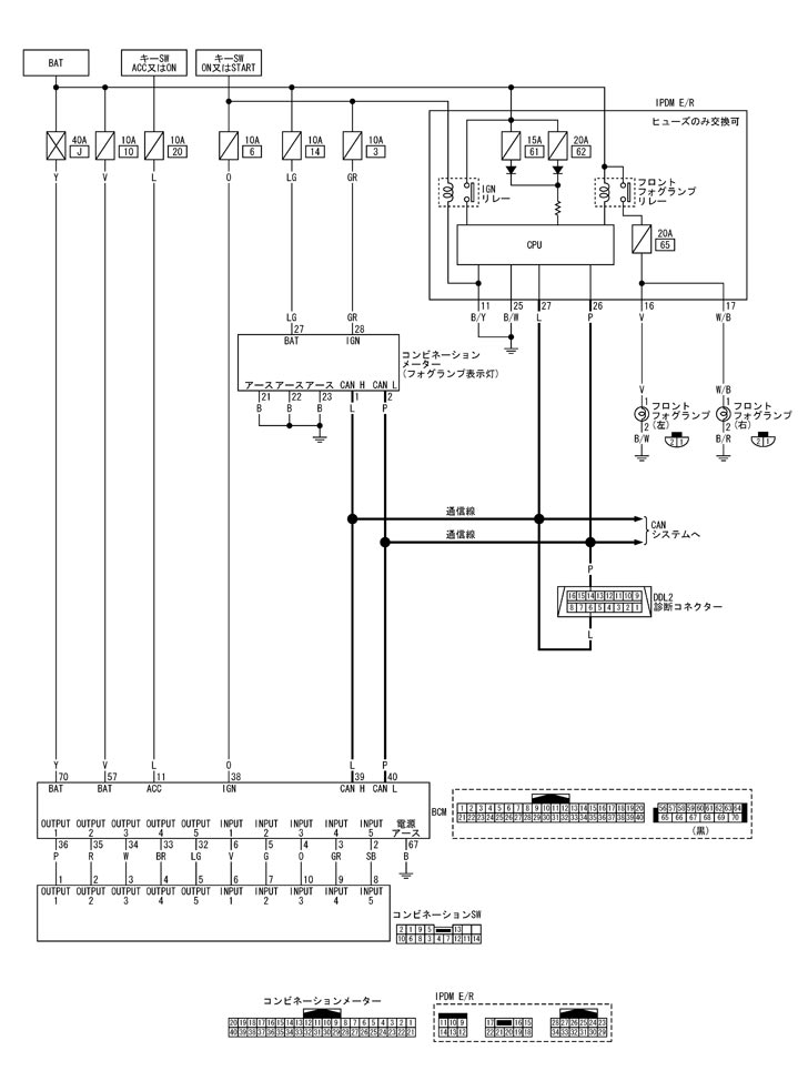
 システム図
 
 フロントフォグランプ作動

ライトスイッチをフロントフォグランプの位置にすると、フロントフォグランプスイッチの接点がONになり、BCMのOUTPUT5からINPUT4の回路が成立する。
このときBCMは、コンビネーションスイッチ読み取り機能により、フロントフォグランプスイッチONと判断し、ライトスイッチが1段、または2段であれば、CAN通信でIPDM E/R、およびコンビネーションメーターに送信している、フロントフォグランプリクエスト信号をOFFからONに切り替える。
フロントフォグランプリクエスト信号を受信しているIPDM E/Rは、フロントフォグランプリレーをONさせ、フロントフォグランプを点灯させる。
フロントフォグランプリクエスト信号を受信しているコンビネーションメーターは、フロントフォグランプ表示灯を点灯させる。
 
 コンビネーションスイッチ読み取り機能
 
 ヘッドランプバッテリーセーバー作動
 
 回路図