ВИЗАТОР
Новости японской автоиндустрии
Главная
Новости
FAQ
Аукционы
Руководства по ремонту
Nissan Wingroad Y12: полное руководство по ремонту и обслуживанию на русском языке
Вы здесь:
Главная
Руководства по ремонту
Nissan Wingroad Y12: полное руководство по ремонту и обслуживанию на русском языке
Электрооборудование
Система освещения
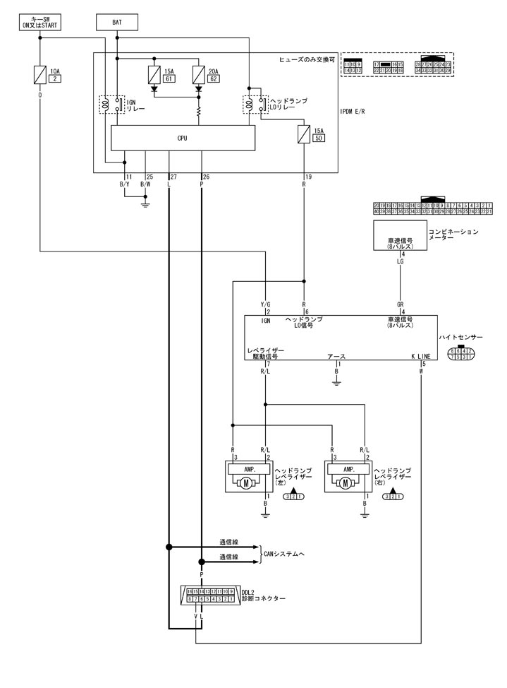
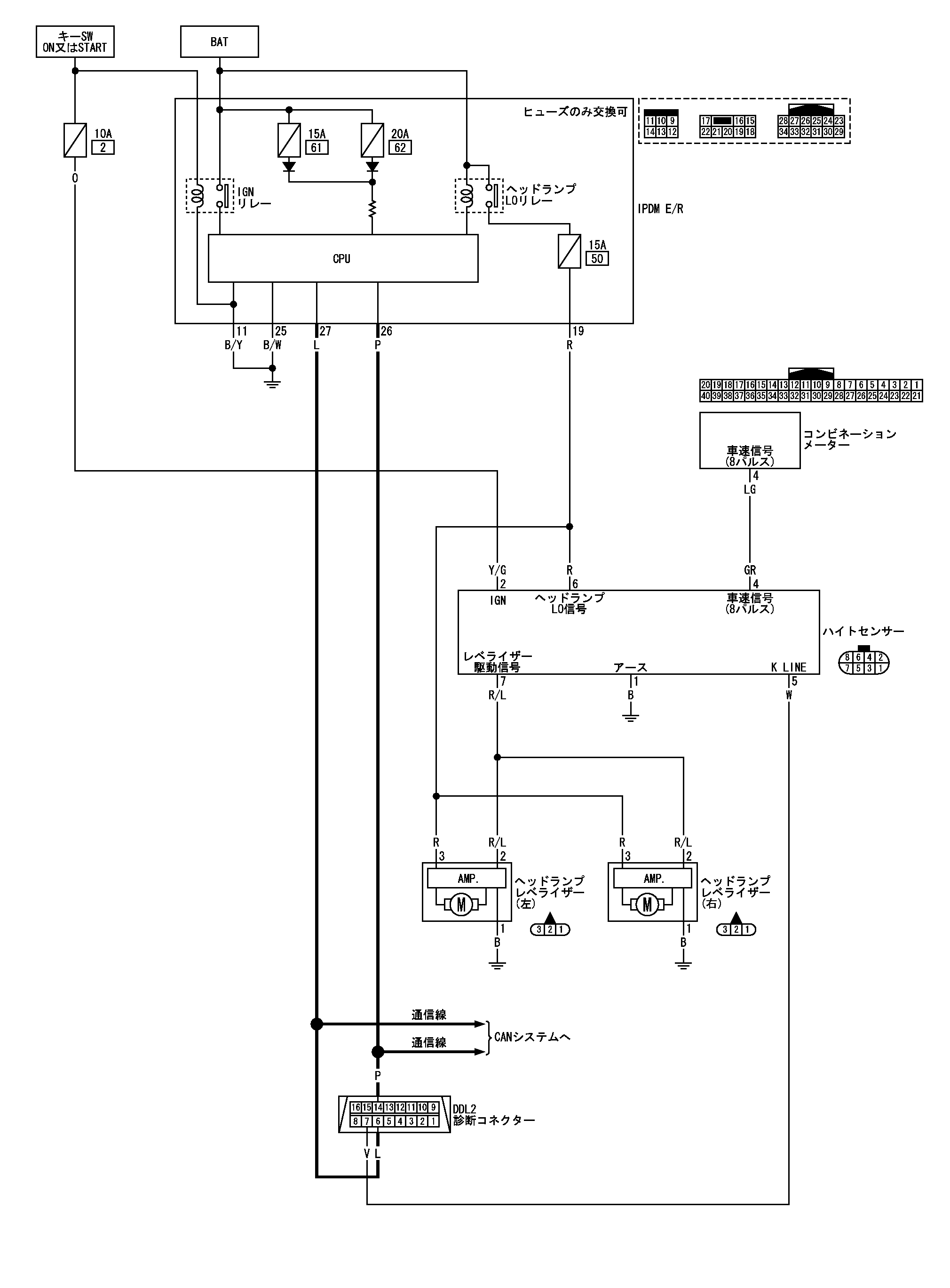
Схема автокорректора фар
Схема автокорректора фар
принципиальная схема
📄
Открыть схему TKWB2893J.PDF
Предыдущий: Обзор системы Автоматический корректор фар
Назад
Следующий: Обзор системы Передний противотуманный фонарь
Вперед