ВИЗАТОР
Новости японской автоиндустрии
Главная
Новости
FAQ
Аукционы
Руководства по ремонту
Nissan Wingroad Y12: полное руководство по ремонту и обслуживанию на русском языке
Вы здесь:
Главная
Руководства по ремонту
Nissan Wingroad Y12: полное руководство по ремонту и обслуживанию на русском языке
Электрооборудование
Информационная система водителя
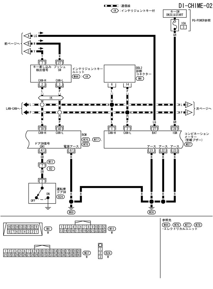
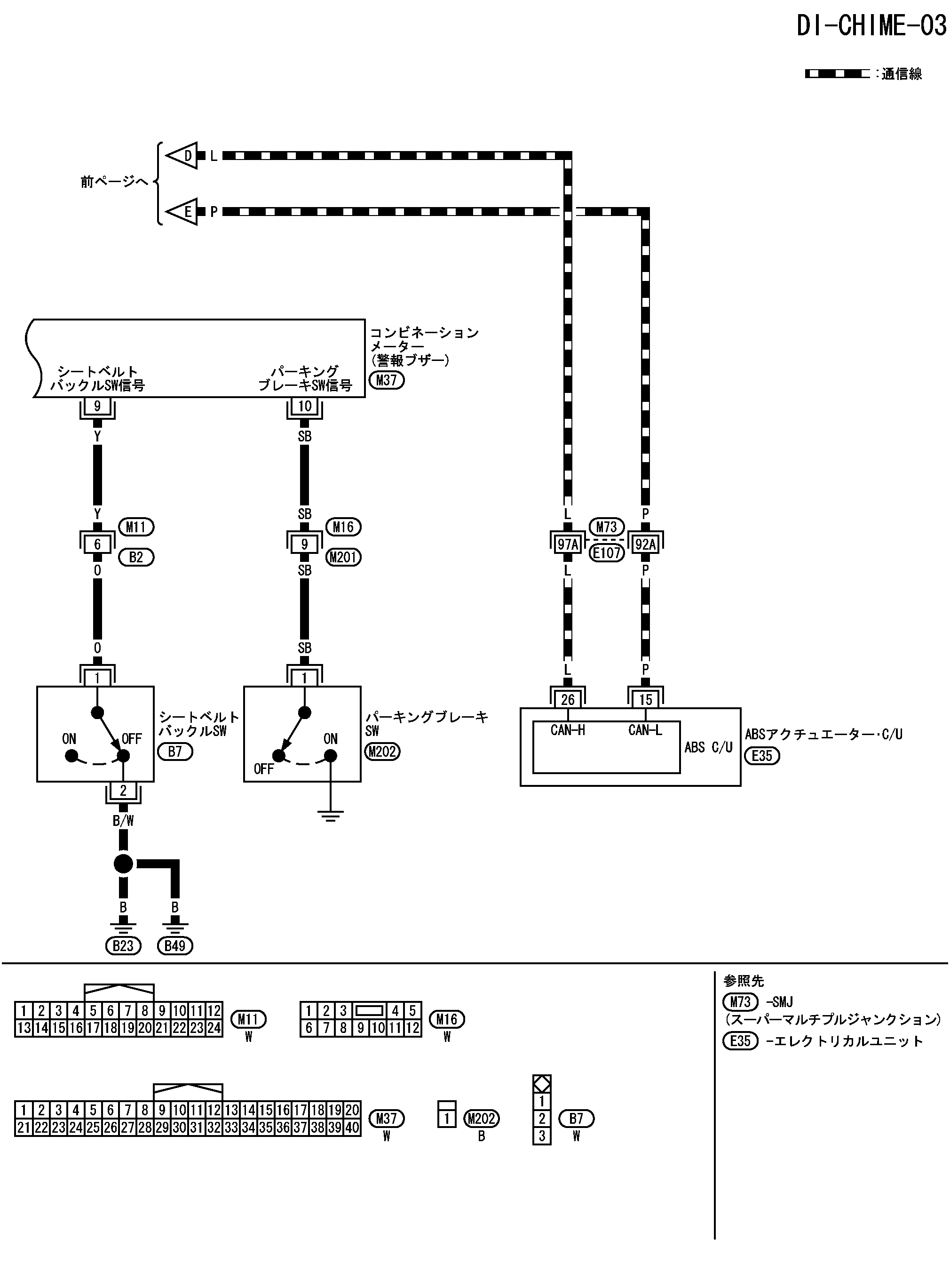
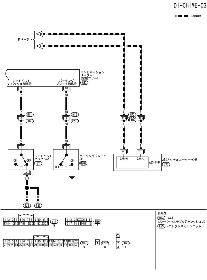
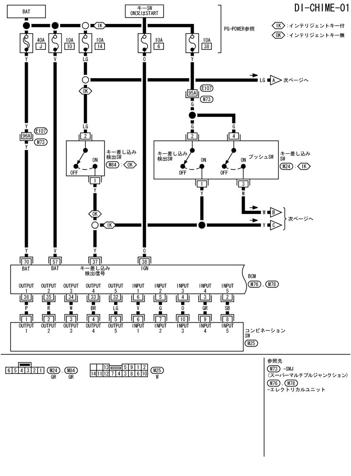
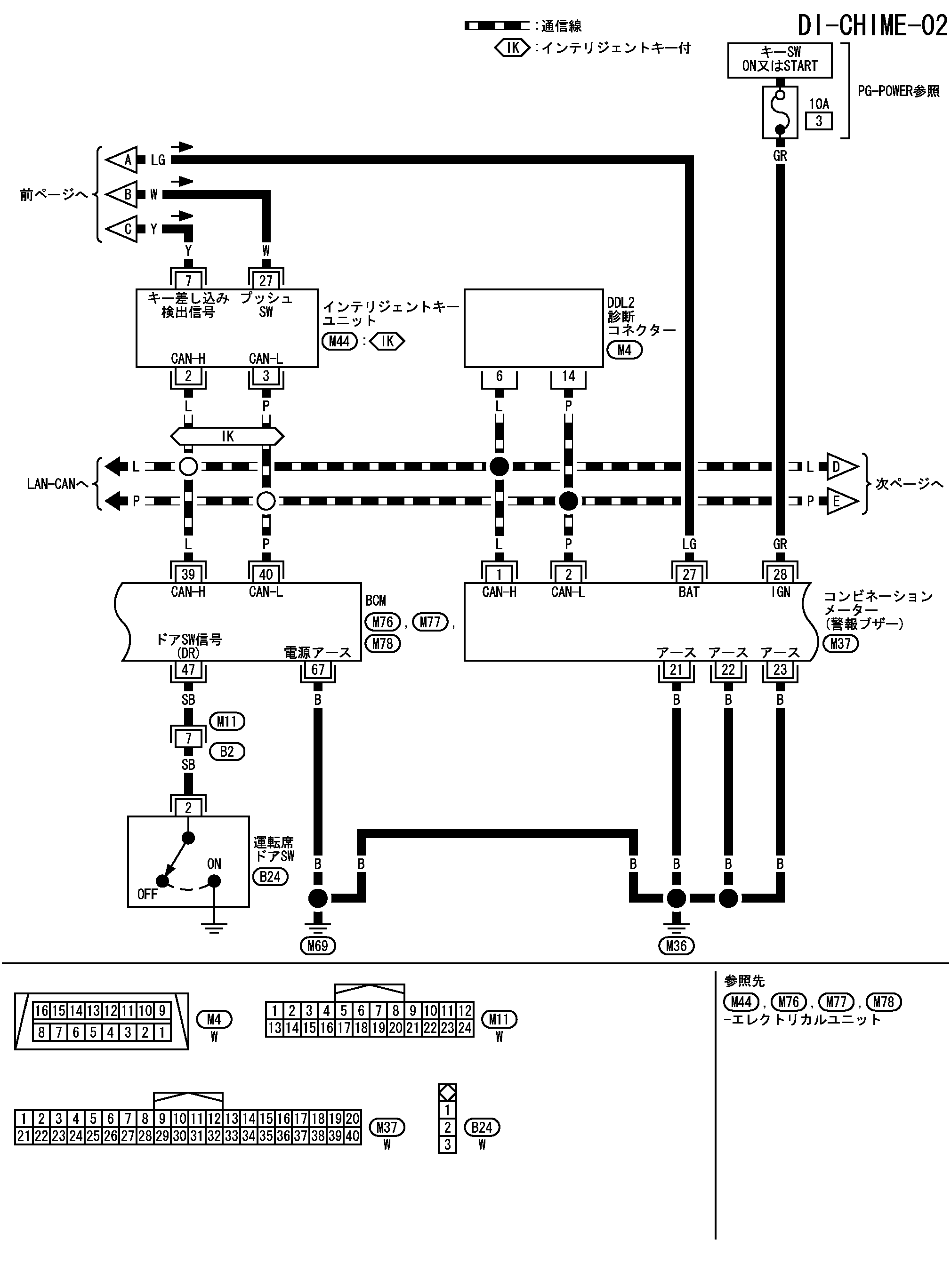
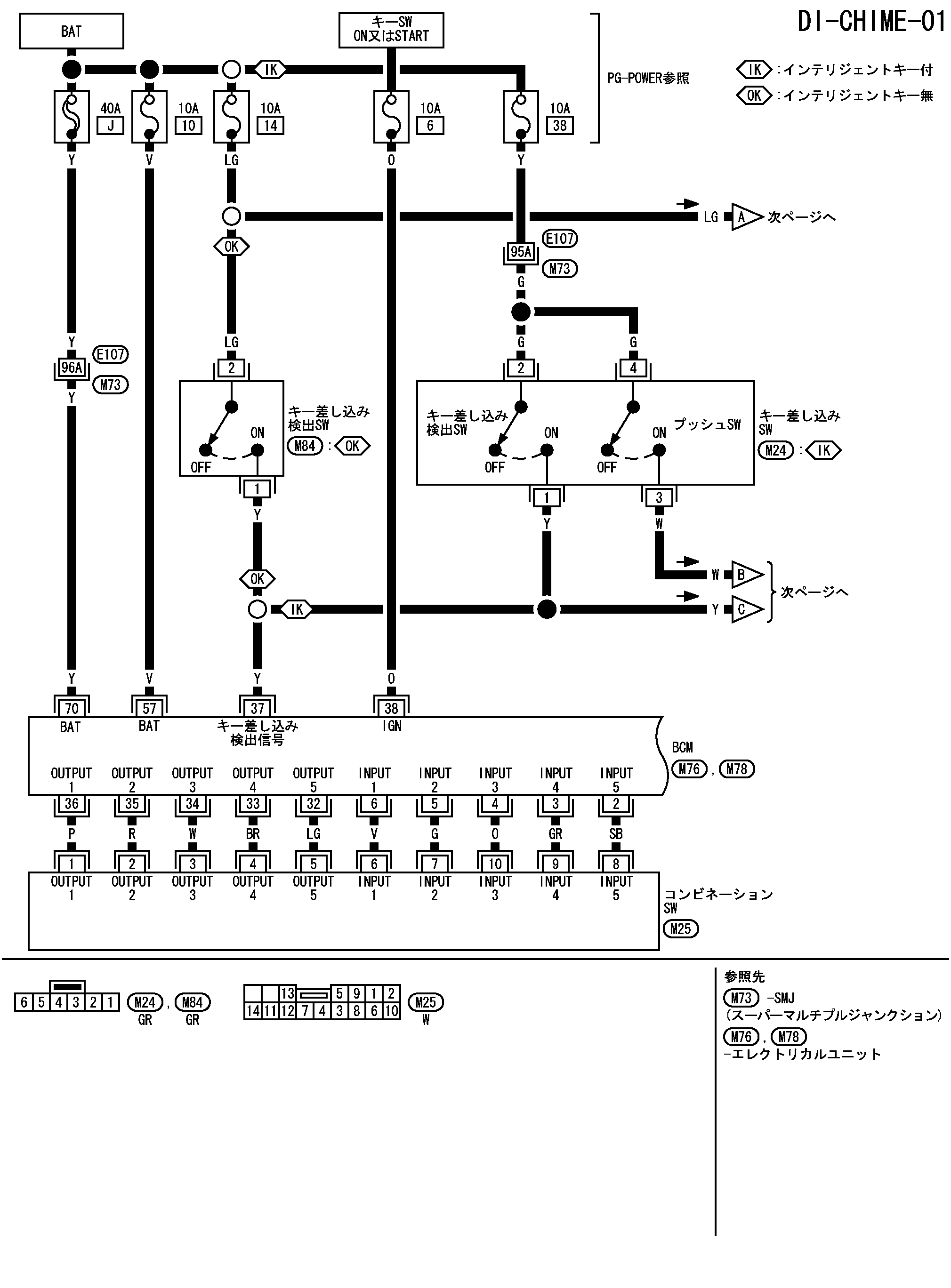
Схема подключения - звуковой сигнал - принципиальная схема
Схема подключения - звуковой сигнал - принципиальная схема
配線図 - CHIME -
📄
Открыть схему TKWB4405J.PDF
📄
Открыть схему TKWB4968J.PDF
📄
Открыть схему TKWB4969J.PDF
Предыдущий: Принципиальная схема - система сигнализации - принципиальная схема
Назад
Следующий: Опорное значение входного/выходного сигнала bcm Опорное значение входного/выходного сигнала блока управления
Вперед