ВИЗАТОР
Новости японской автоиндустрии
Главная
Новости
FAQ
Аукционы
Руководства по ремонту
Nissan Wingroad Y12: полное руководство по ремонту и обслуживанию на русском языке
Вы здесь:
Главная
Руководства по ремонту
Nissan Wingroad Y12: полное руководство по ремонту и обслуживанию на русском языке
Электрооборудование
Информационная система водителя
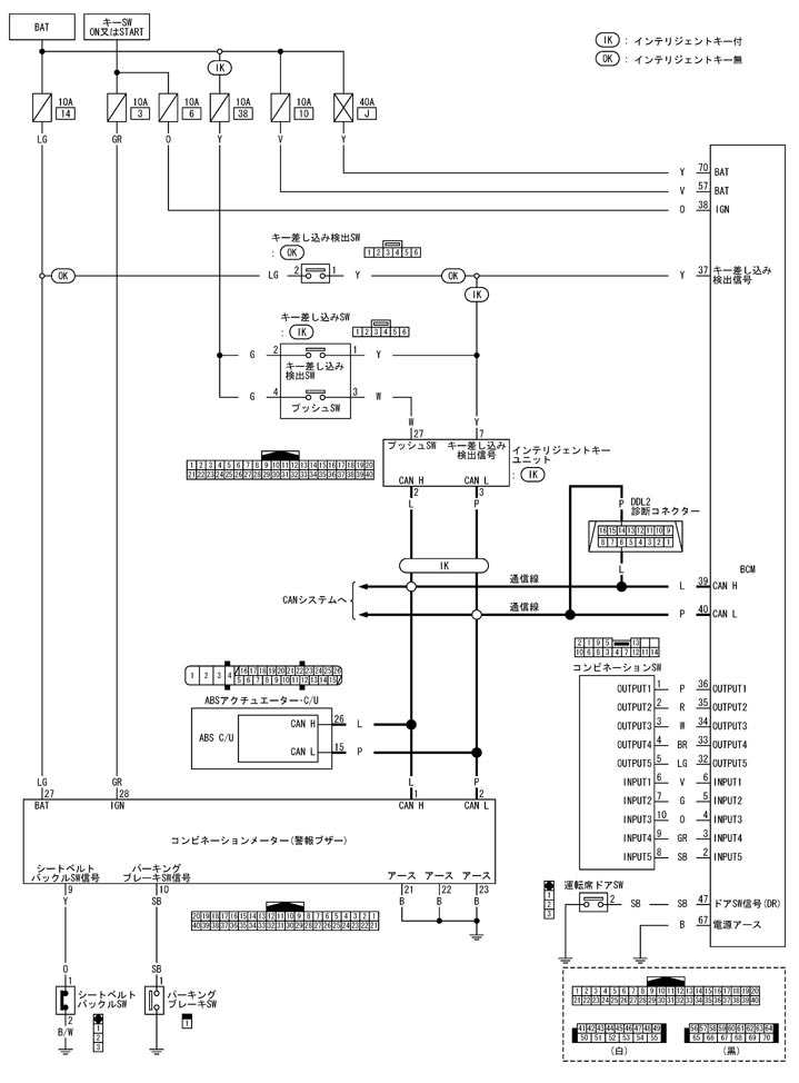
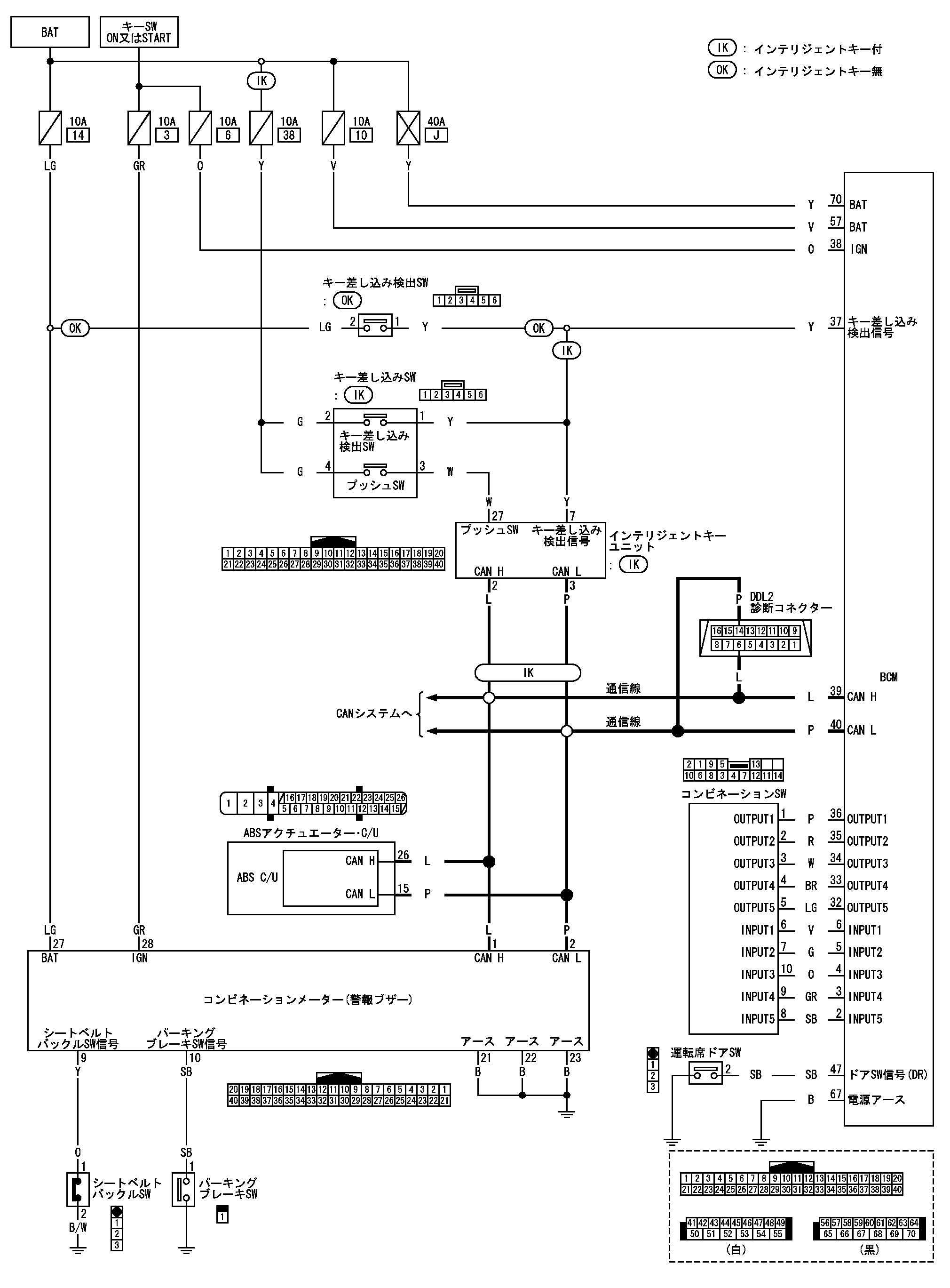
Принципиальная схема - система сигнализации - принципиальная схема
Принципиальная схема - система сигнализации - принципиальная схема
Схема подключения-Система сигнализации-
📄
Открыть схему TKWB2852J.PDF
Предыдущий: Положение монтажа компонента Компоненты системы
Назад
Следующий: Схема подключения - звуковой сигнал - принципиальная схема
Вперед