ВИЗАТОР
Новости японской автоиндустрии
Главная
Новости
FAQ
Аукционы
Руководства по ремонту
Nissan Wingroad Y12: полное руководство по ремонту и обслуживанию на русском языке
Вы здесь:
Главная
Руководства по ремонту
Nissan Wingroad Y12: полное руководство по ремонту и обслуживанию на русском языке
Электрооборудование
Аудио-визуальная система
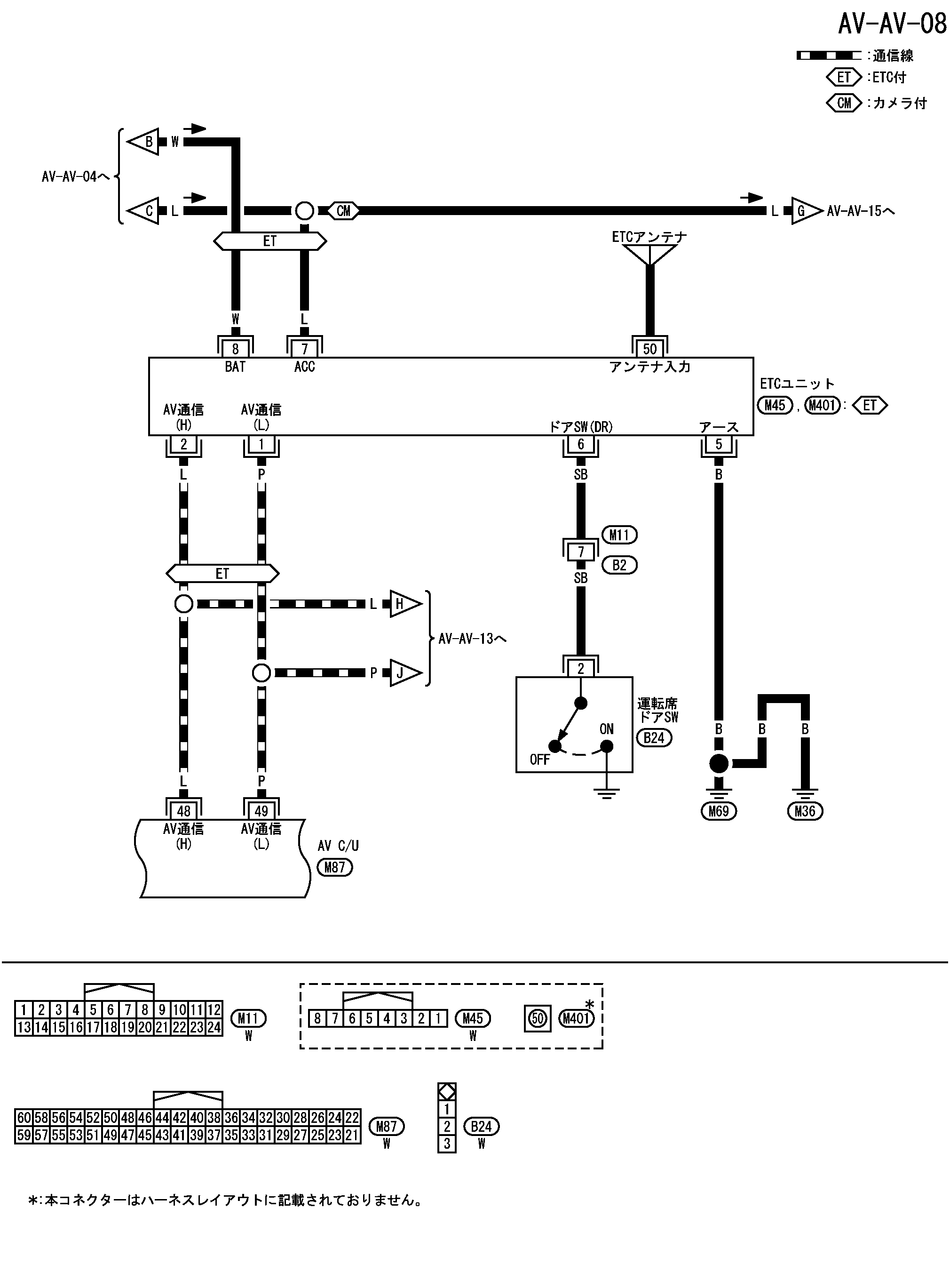
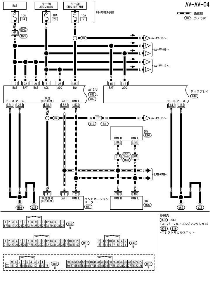
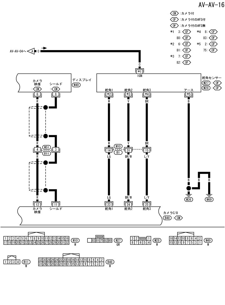
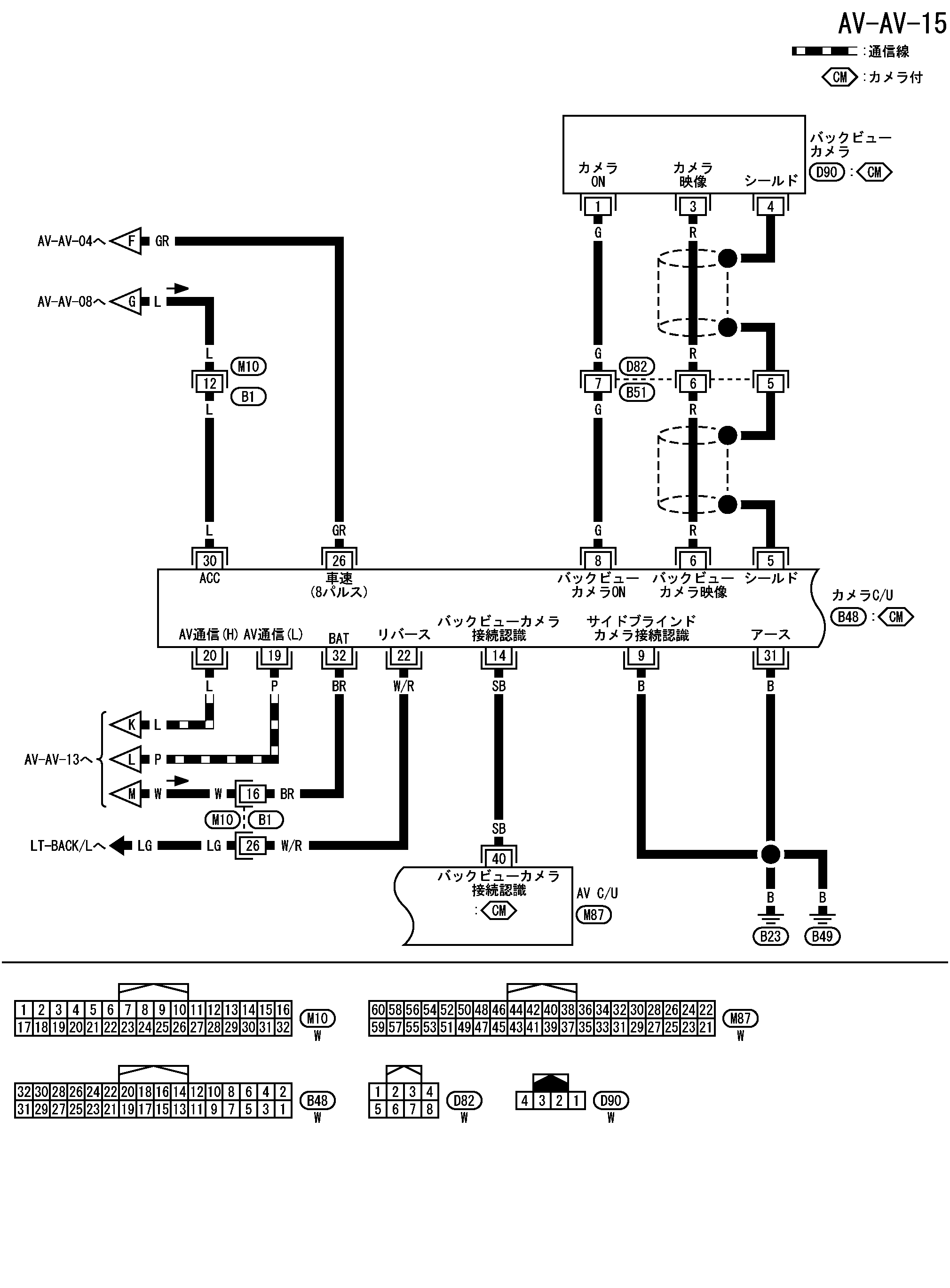
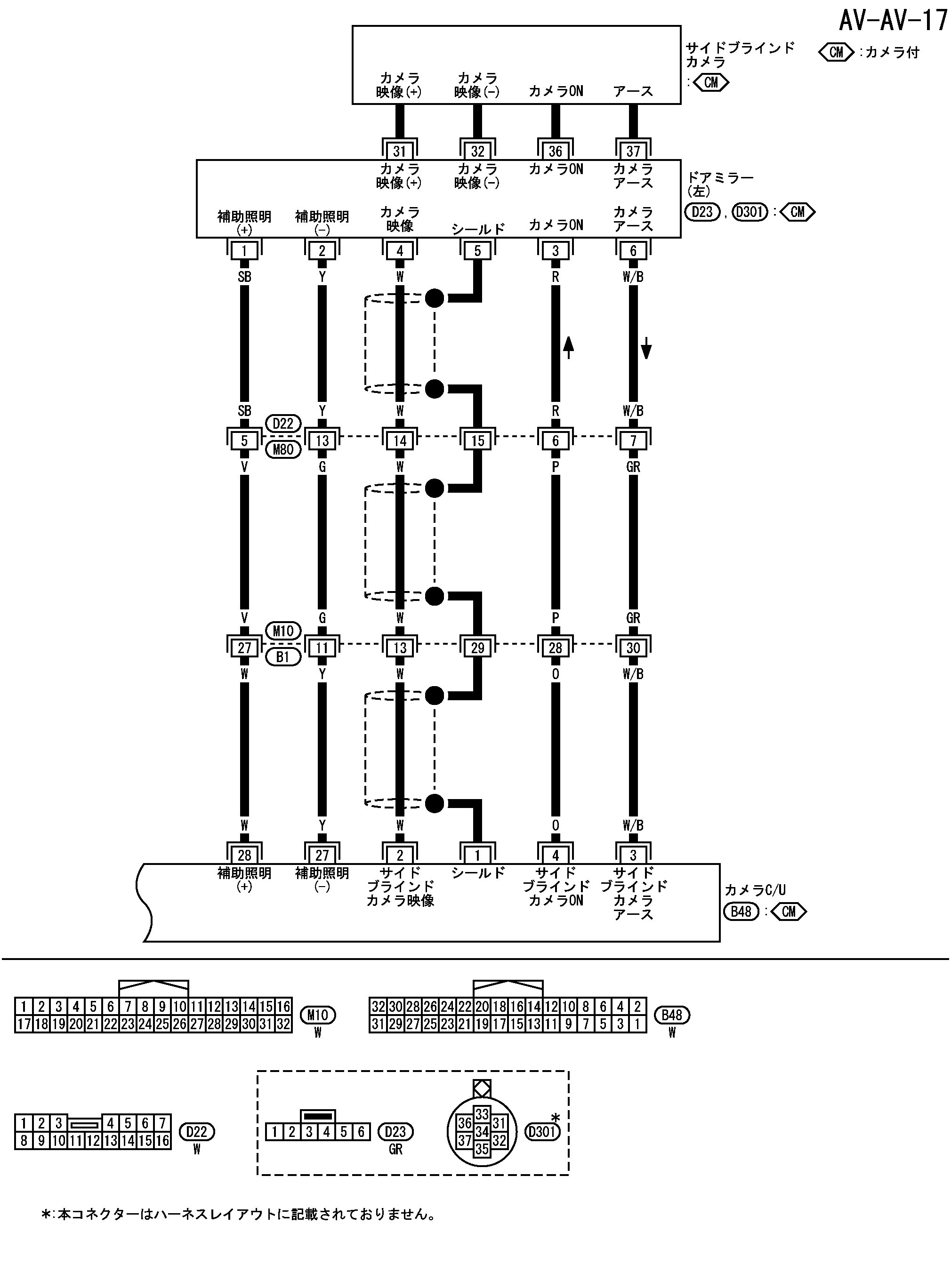
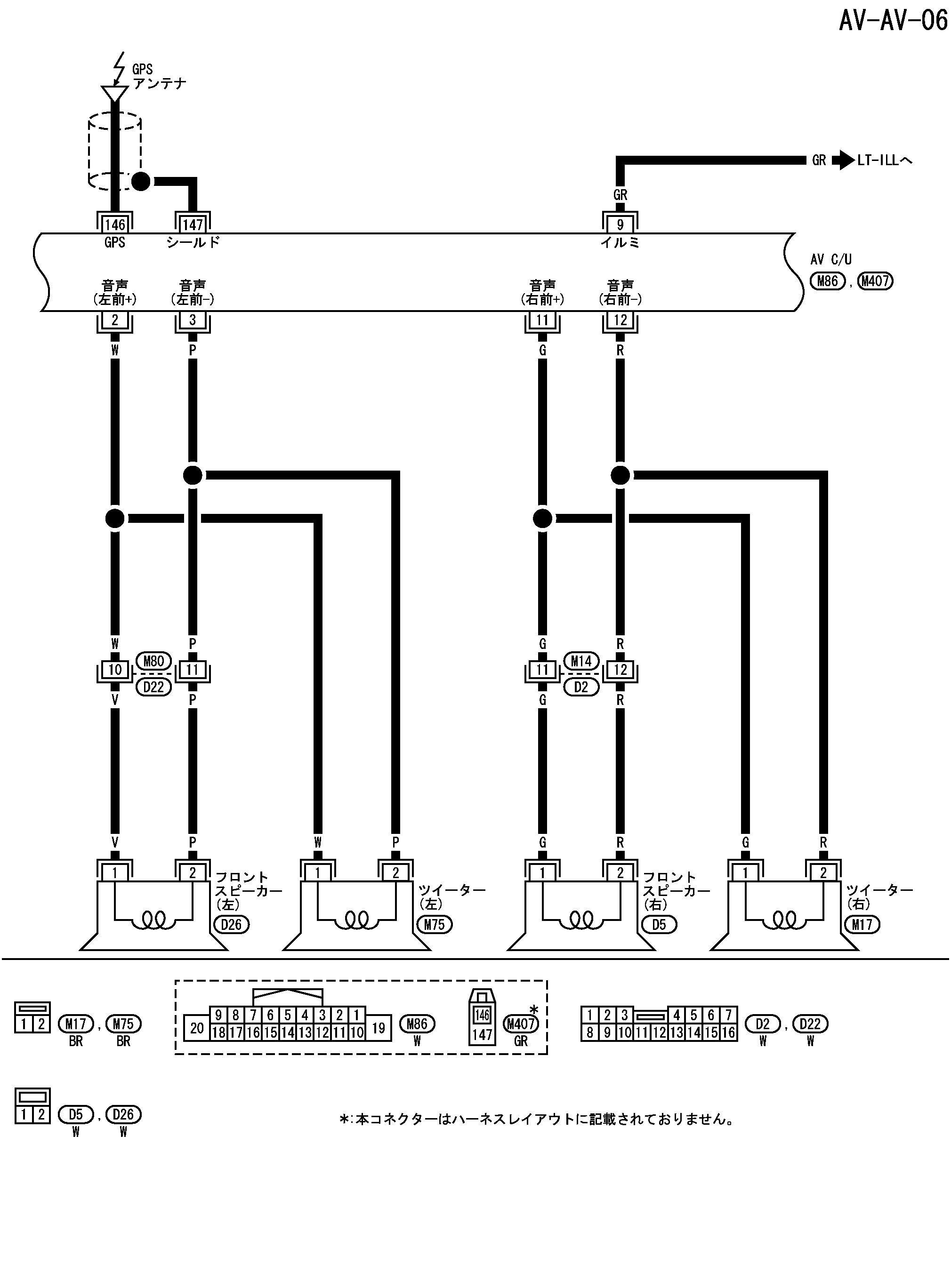
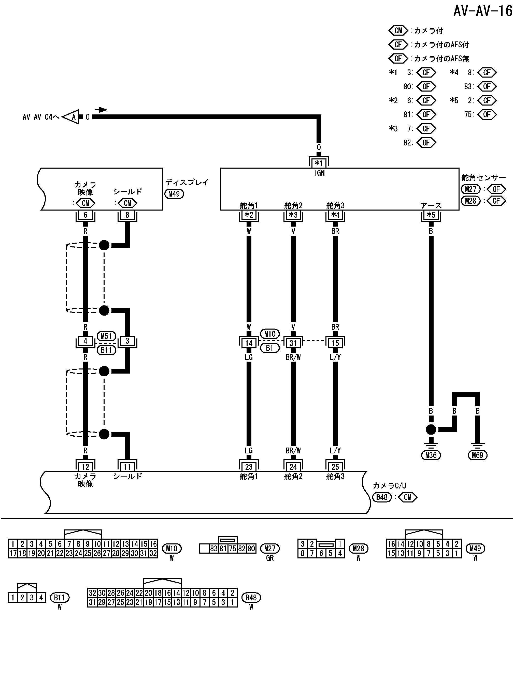
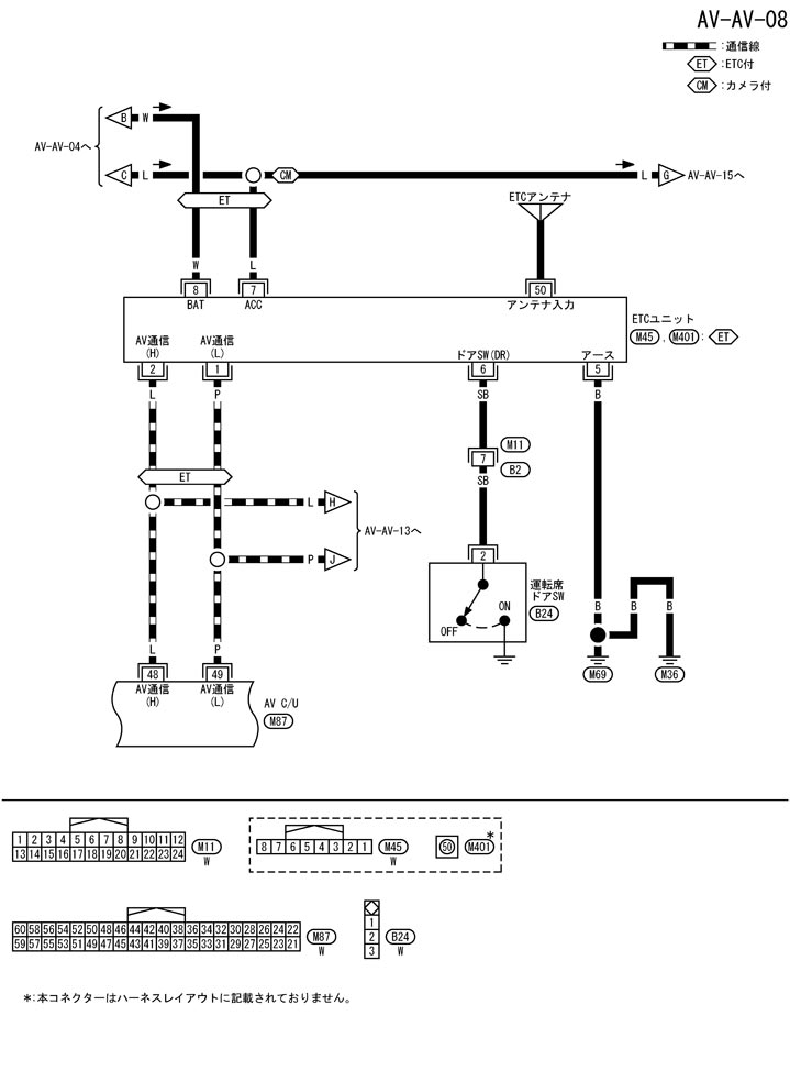
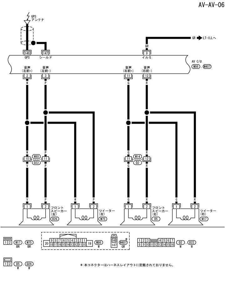
Схема подключения - AV- / Схема подключения системы навигации Carwings (метод HDD)
Схема подключения - AV- / Схема подключения системы навигации Carwings (метод HDD)
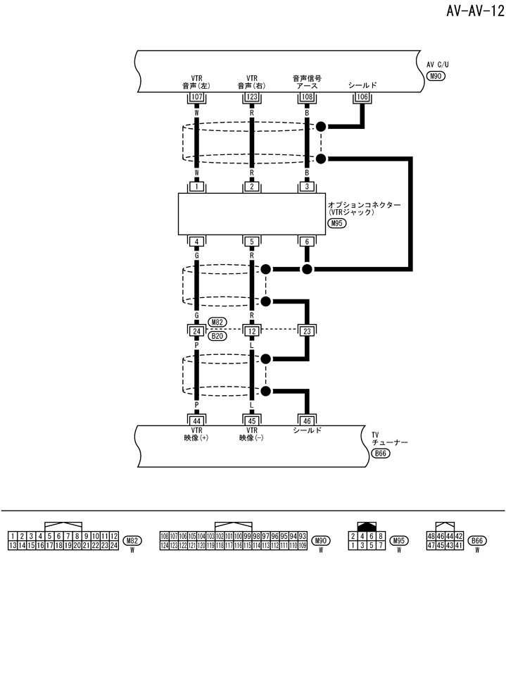
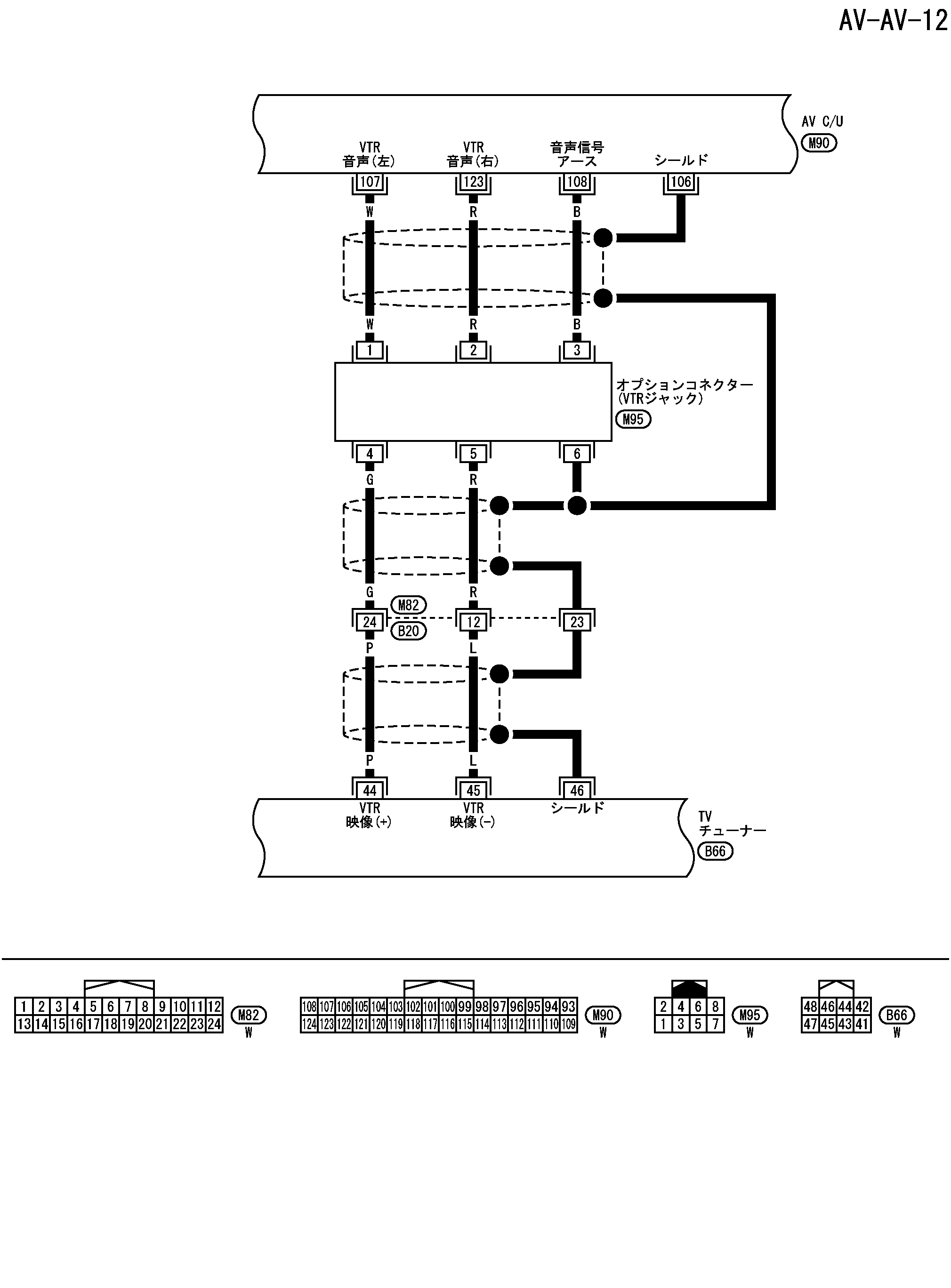
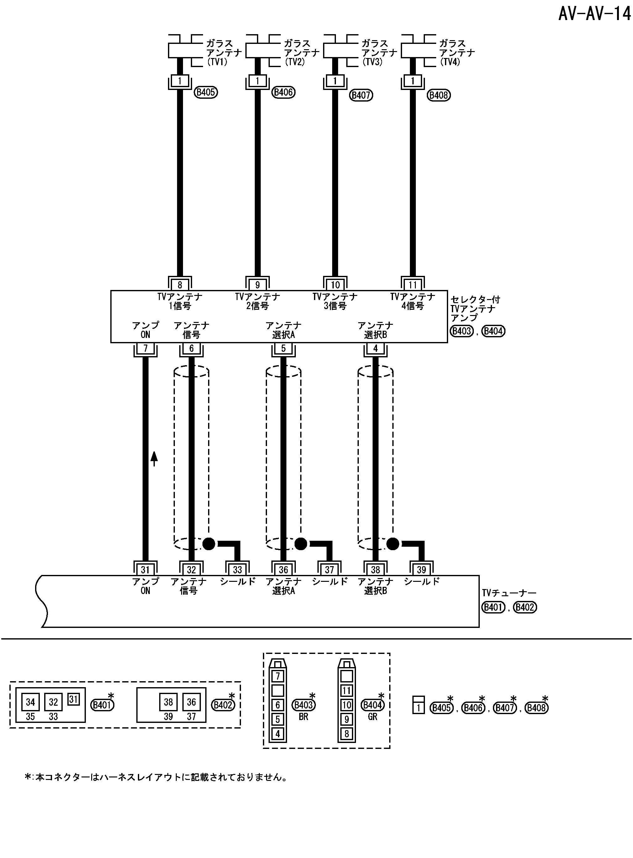
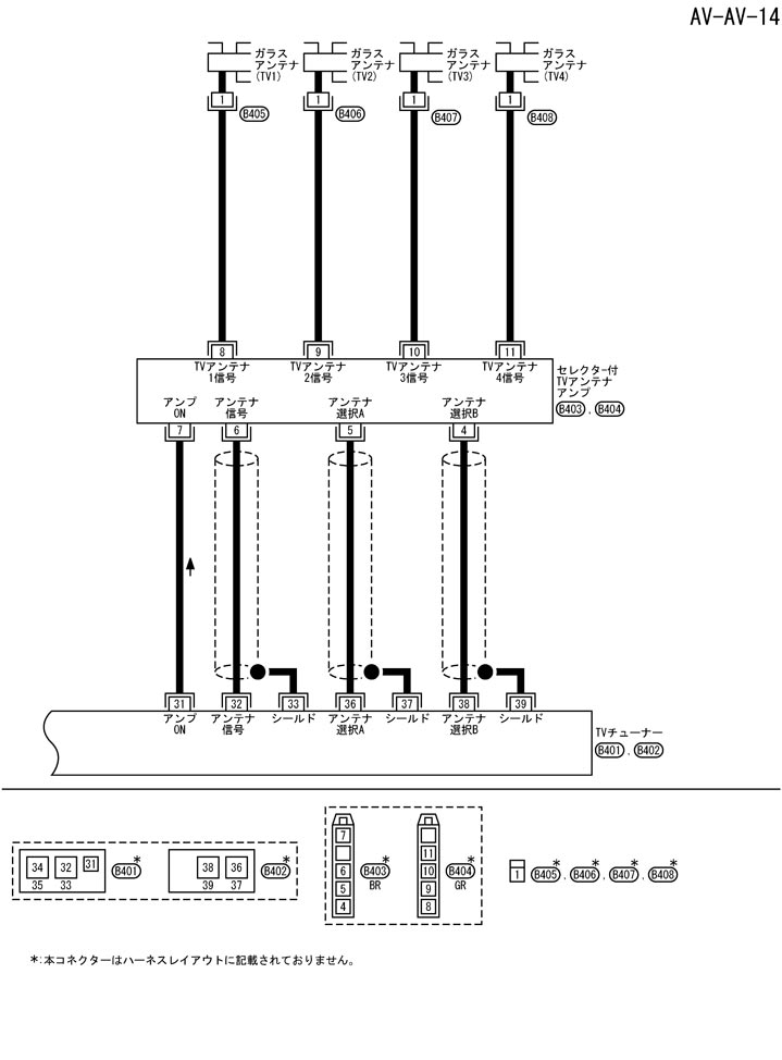
配線図 - AV - /カーウイングスナビゲーション(HDD方式)システム付
📄
Открыть схему TKWB4427J.PDF
📄
Открыть схему TKWB4428J.PDF
📄
Открыть схему TKWB4429J.PDF
📄
Открыть схему TKWB4975J.PDF
📄
Открыть схему TKWB4976J.PDF
📄
Открыть схему TKWB4432J.PDF
📄
Открыть схему TKWB4434J.PDF
📄
Открыть схему TKWB4435J.PDF
📄
Открыть схему TKWB4436J.PDF
📄
Открыть схему TKWB4437J.PDF
📄
Открыть схему TKWB4611J.PDF
📄
Открыть схему TKWB4977J.PDF
📄
Открыть схему TKWB4439J.PDF
📄
Открыть схему TKWB4440J.PDF
Предыдущий: Принципиальная схема - Навигация Carwings (метод HDD) с системой - Принципиальная схема
Назад
Следующий: av c/u контрольное значение входного/выходного сигнала блока управления
Вперед