ВИЗАТОР
Новости японской автоиндустрии
Главная
Новости
FAQ
Аукционы
Руководства по ремонту
Nissan Wingroad Y12: полное руководство по ремонту и обслуживанию на русском языке
Вы здесь:
Главная
Руководства по ремонту
Nissan Wingroad Y12: полное руководство по ремонту и обслуживанию на русском языке
Электрооборудование
Аудио-визуальная система
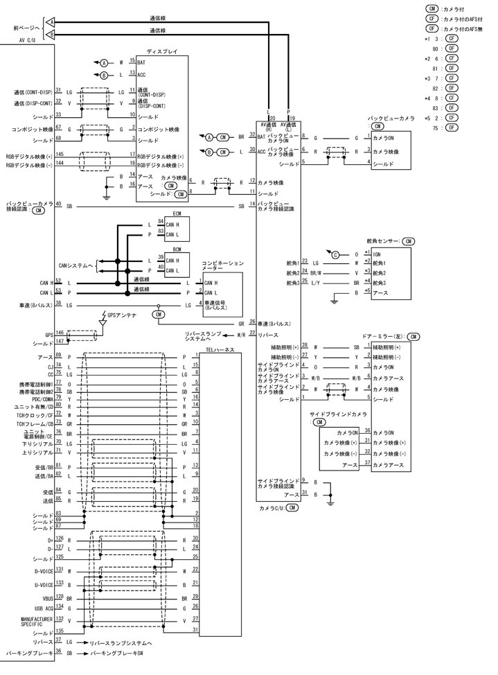
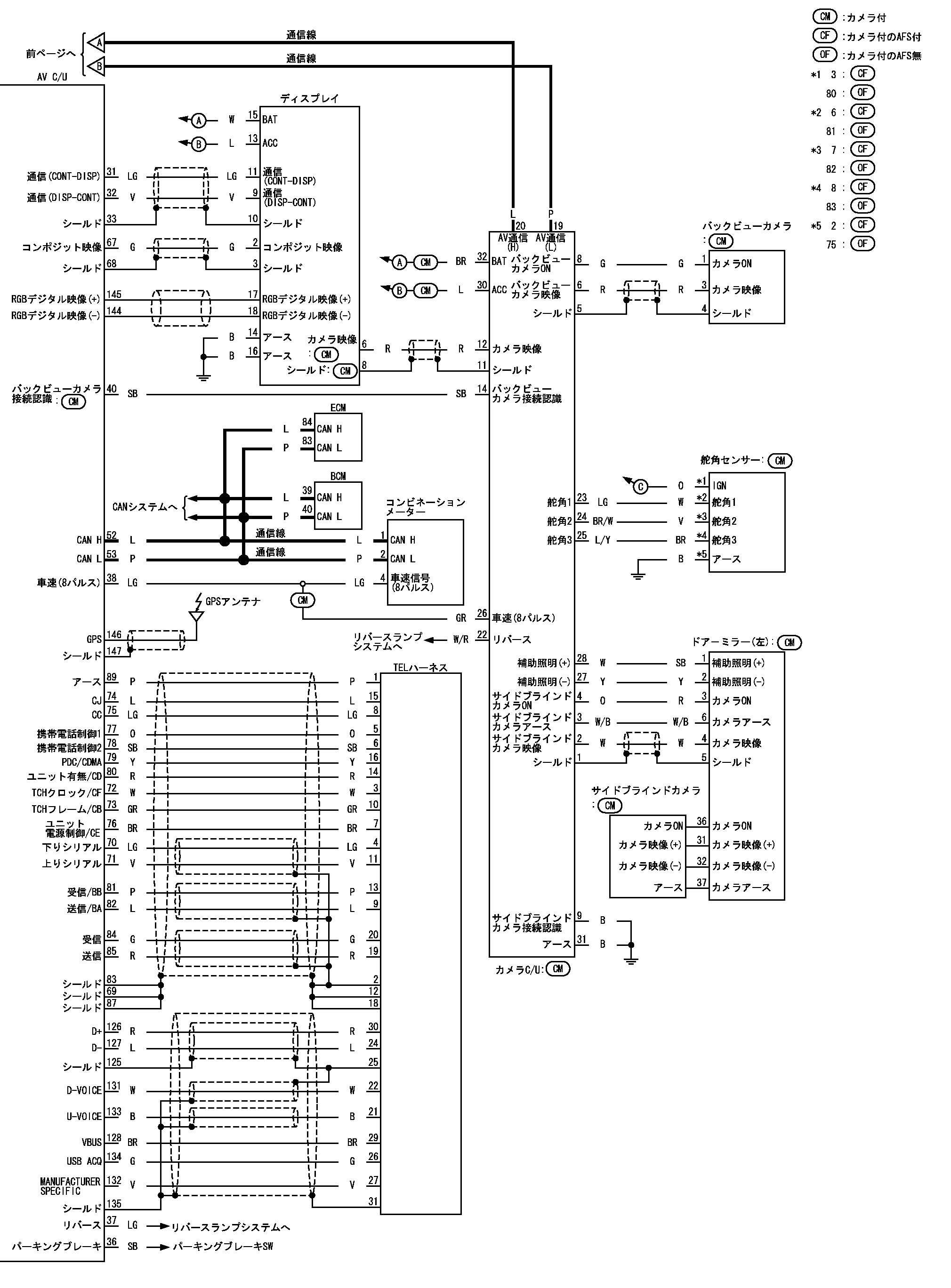
Принципиальная схема - Навигация Carwings (метод HDD) с системой - Принципиальная схема
Принципиальная схема - Навигация Carwings (метод HDD) с системой - Принципиальная схема
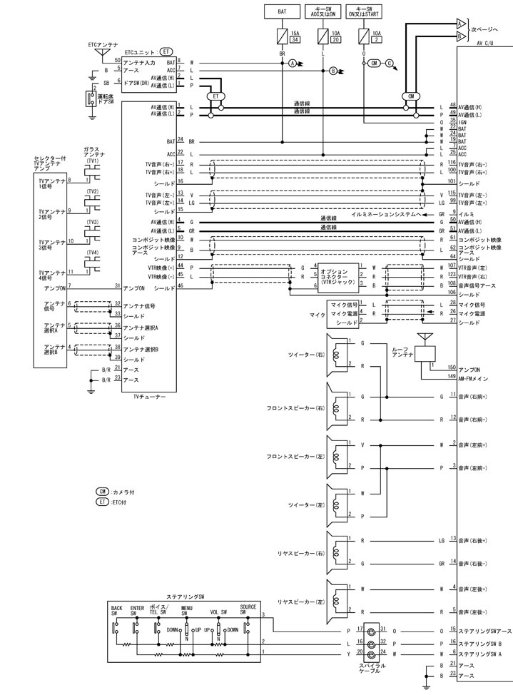
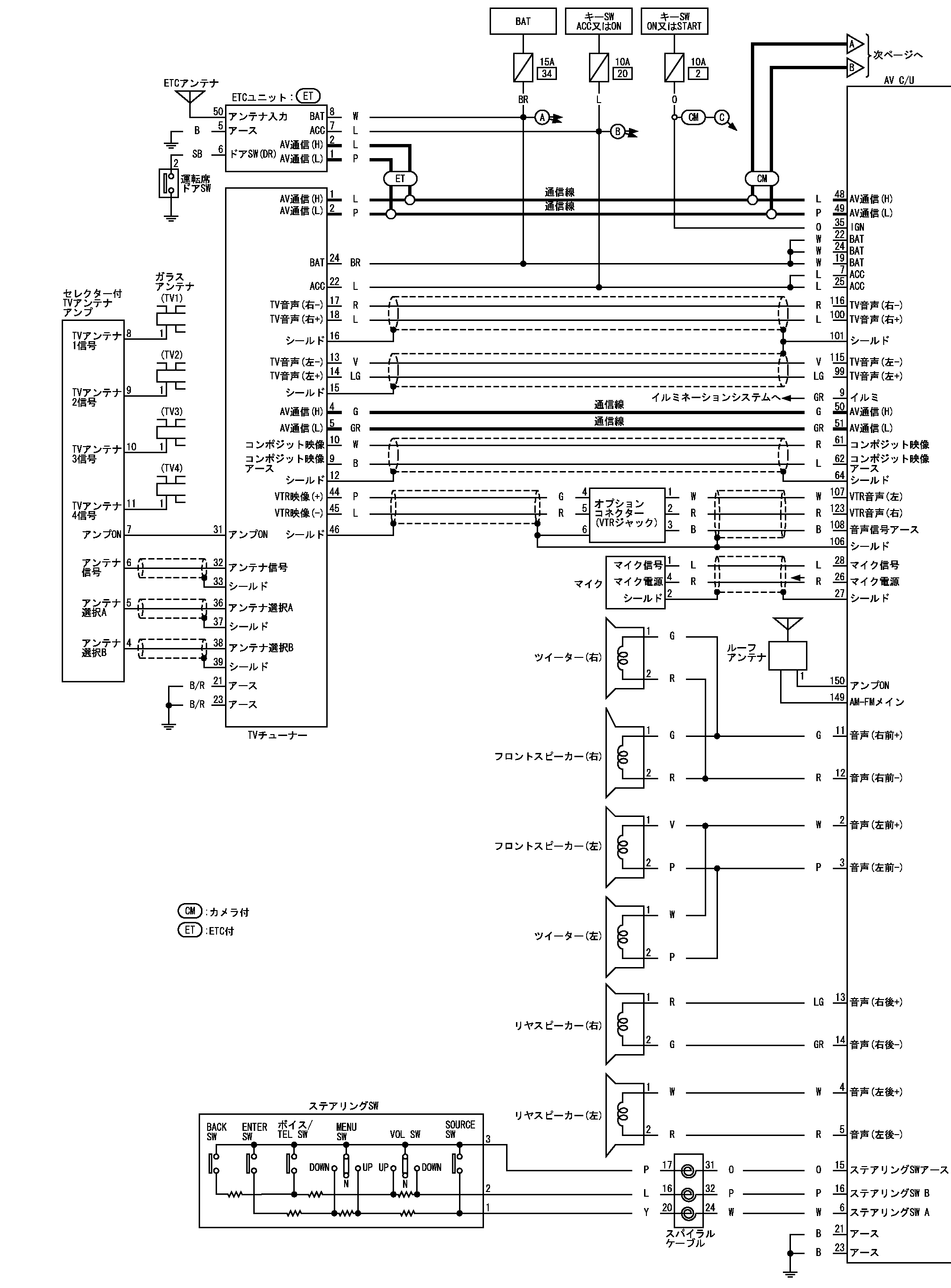
Принципиальная схема - В комплект входит навигационная система Carwings (метод HDD) -
📄
Открыть схему TKWB4424J.PDF
📄
Открыть схему TKWB5041J.PDF
📄
Открыть схему TKWB4426J.PDF
Предыдущий: Компоненты системы антенного тракта
Назад
Следующий: Схема подключения - AV- / Схема подключения системы навигации Carwings (метод HDD)
Вперед