ВИЗАТОР
Новости японской автоиндустрии
Главная
Новости
FAQ
Аукционы
Руководства по ремонту
Nissan Wingroad Y12: полное руководство по ремонту и обслуживанию на русском языке
Вы здесь:
Главная
Руководства по ремонту
Nissan Wingroad Y12: полное руководство по ремонту и обслуживанию на русском языке
Трансмиссия
Вариатор (CVT)
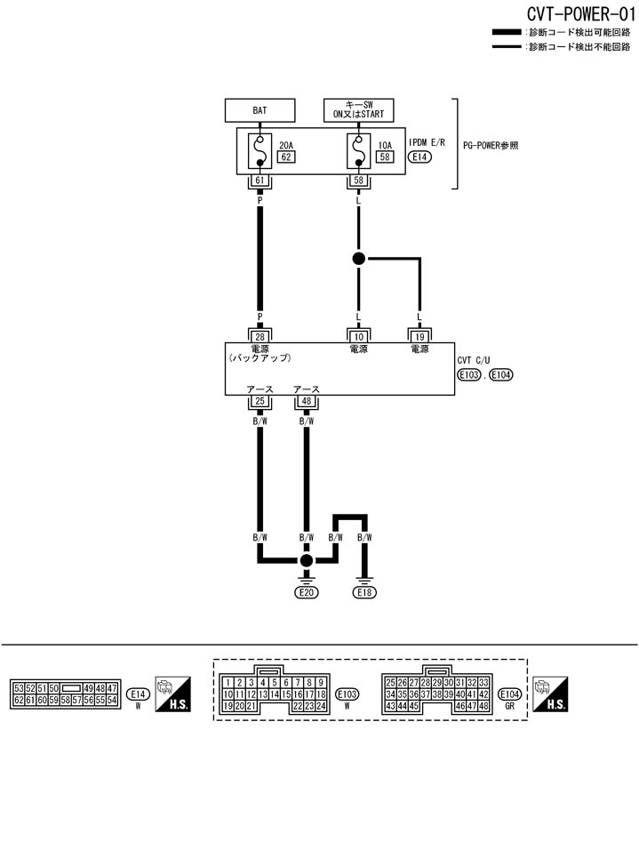
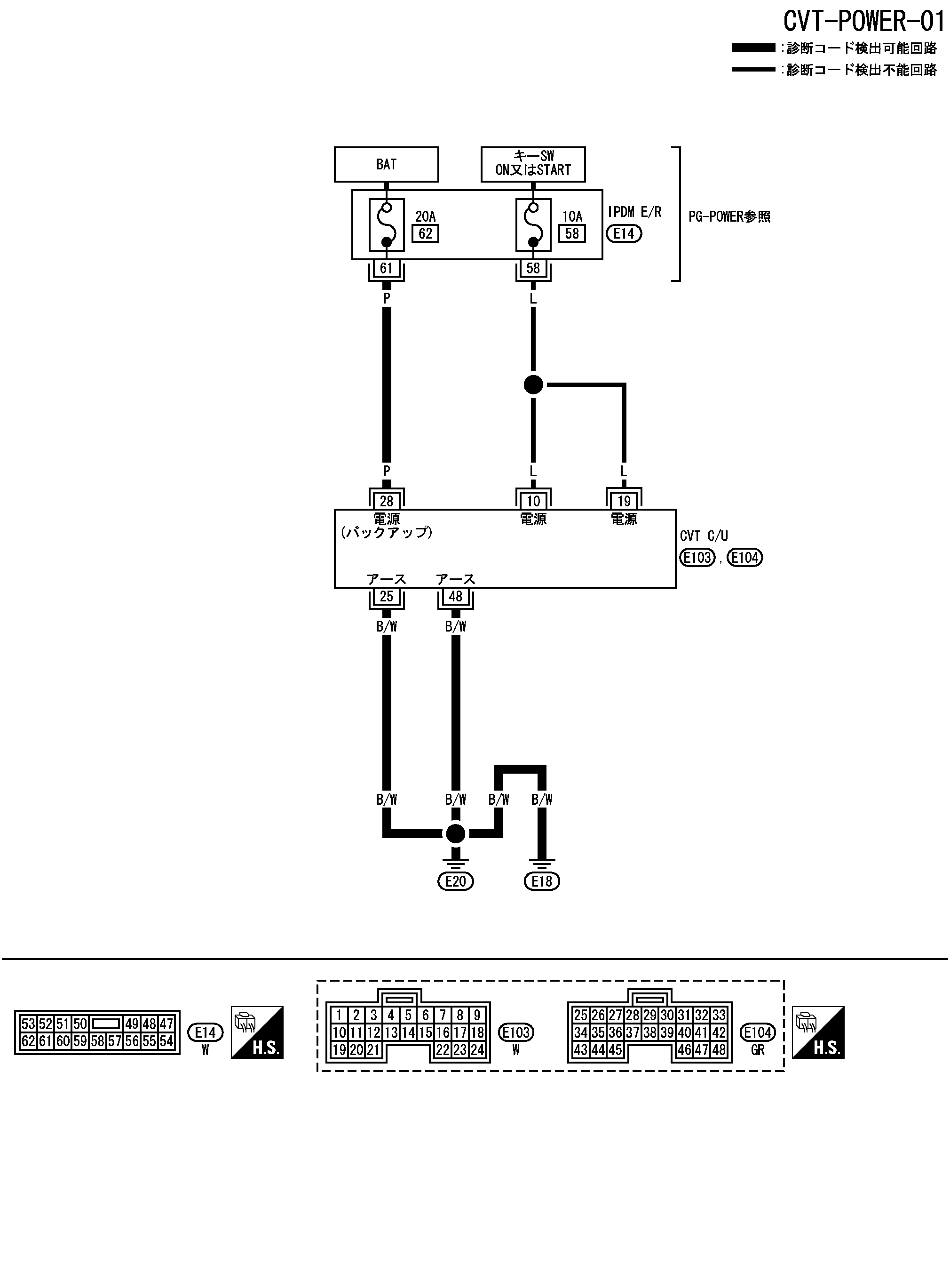
Схема подключения - power-dtc p1701 a/t c/u/питание
Схема подключения - power-dtc p1701 a/t c/u/питание
配線図 - POWER-
📄
Открыть схему TCWB0306J.PDF
Предыдущий: Логика самодиагностики dtc p1701 a/t c/u/питание
Назад
Следующий: Рекомендации по проверке dtc p1701 a/t c/u/питание
Вперед