ВИЗАТОР
Новости японской автоиндустрии
Главная
Новости
FAQ
Аукционы
Руководства по ремонту
Nissan Wingroad Y12: полное руководство по ремонту и обслуживанию на русском языке
Вы здесь:
Главная
Руководства по ремонту
Nissan Wingroad Y12: полное руководство по ремонту и обслуживанию на русском языке
Трансмиссия
Вариатор (CVT)
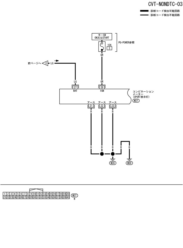
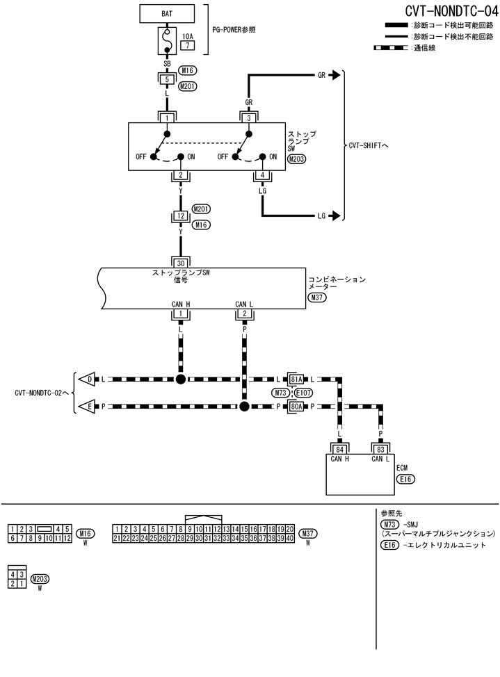
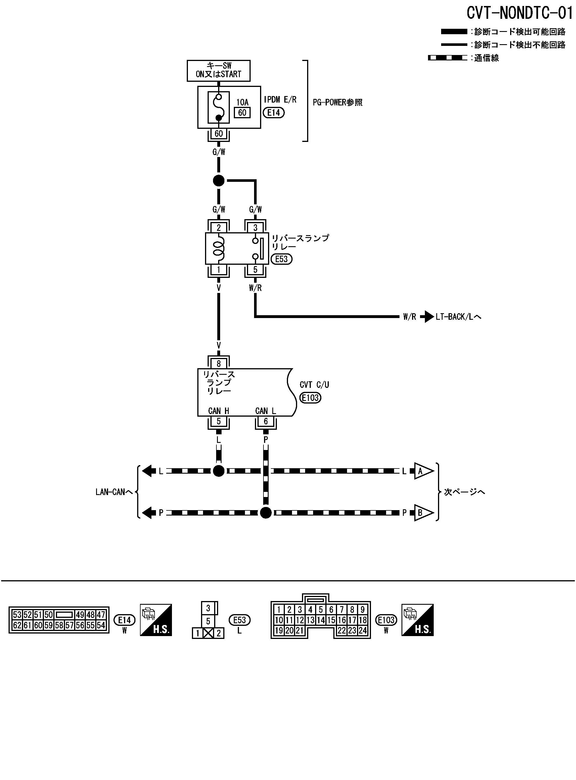
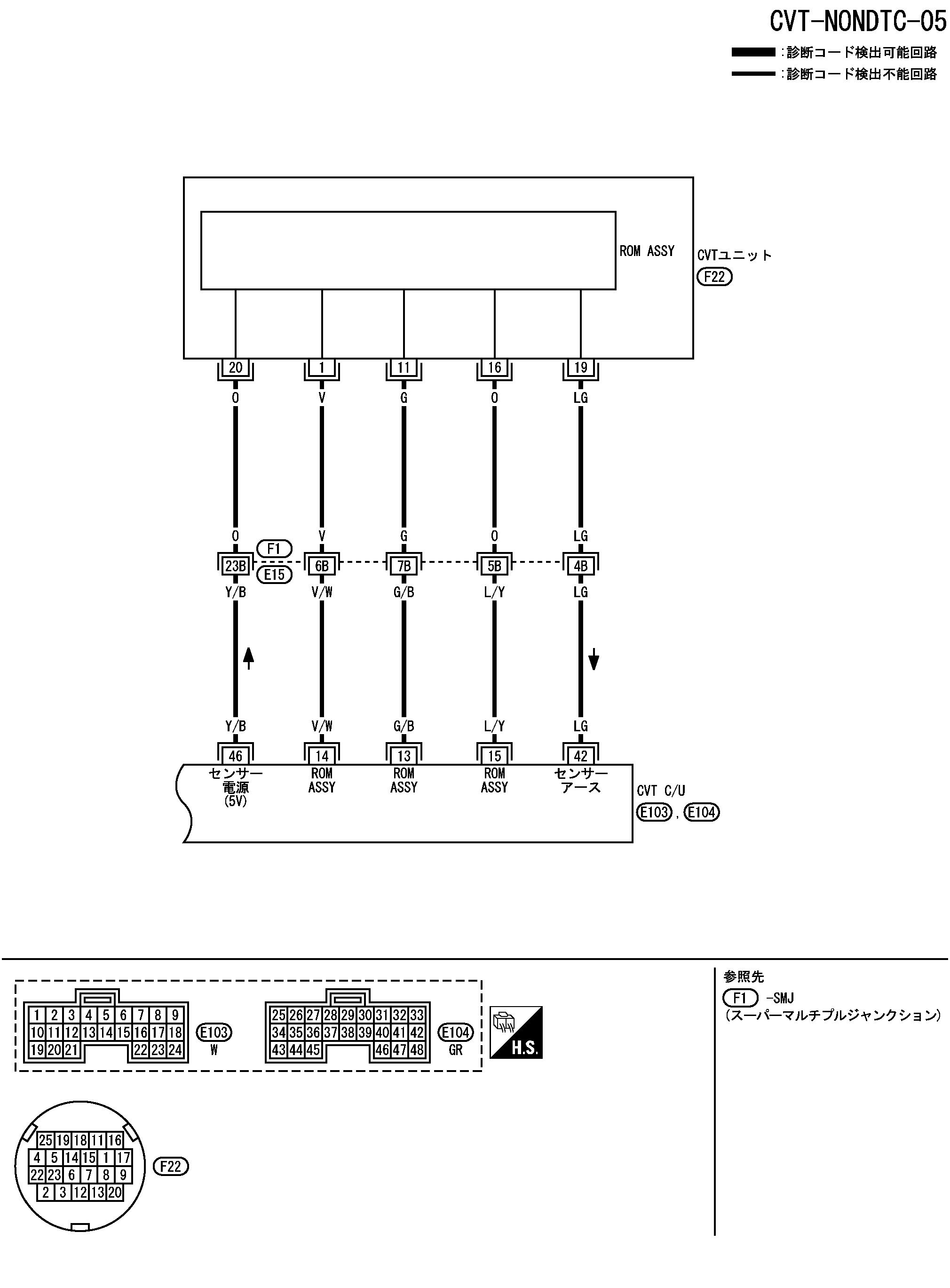
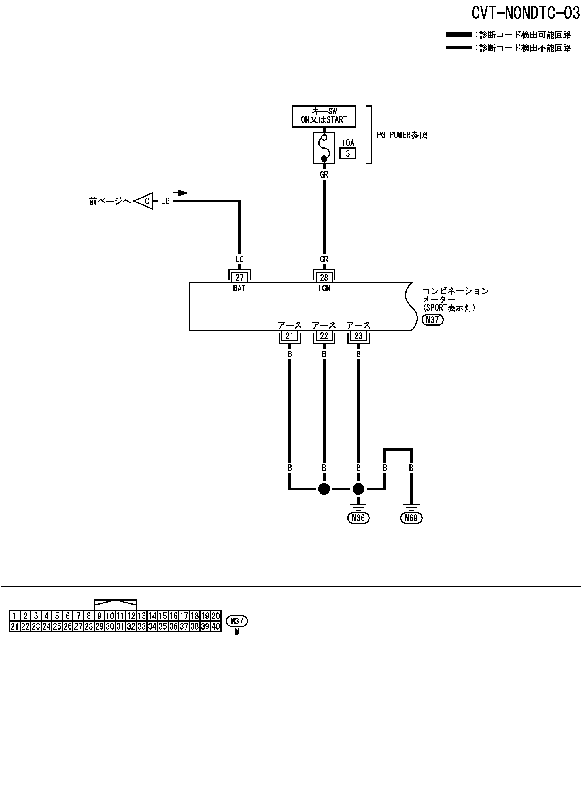
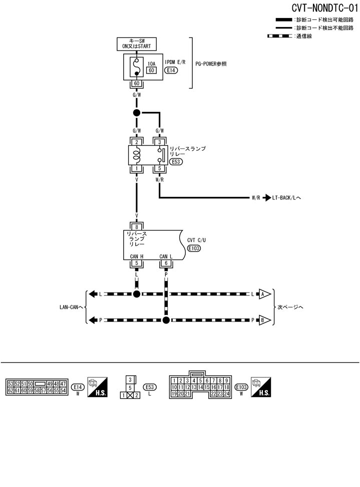
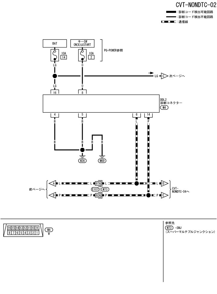
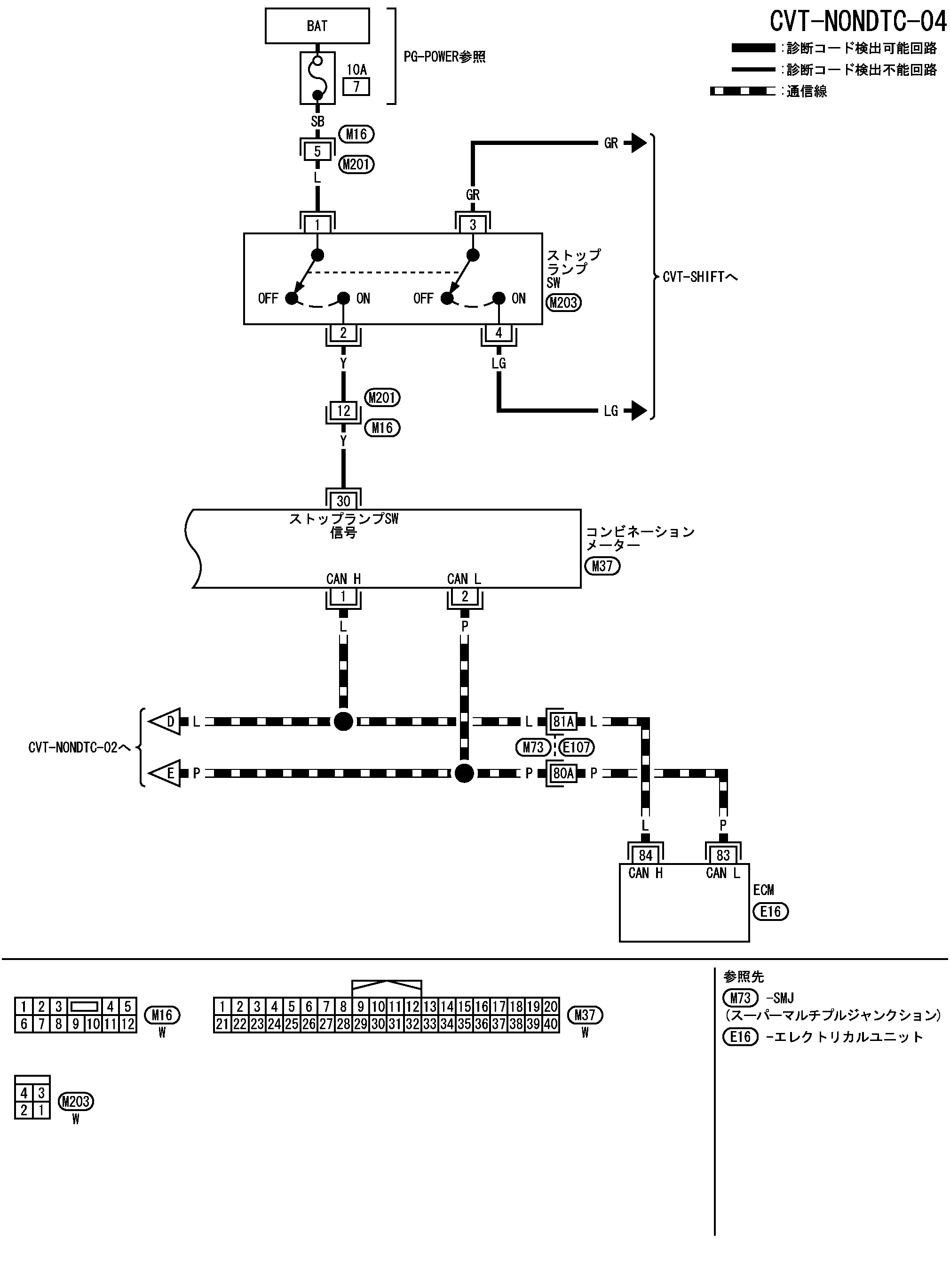
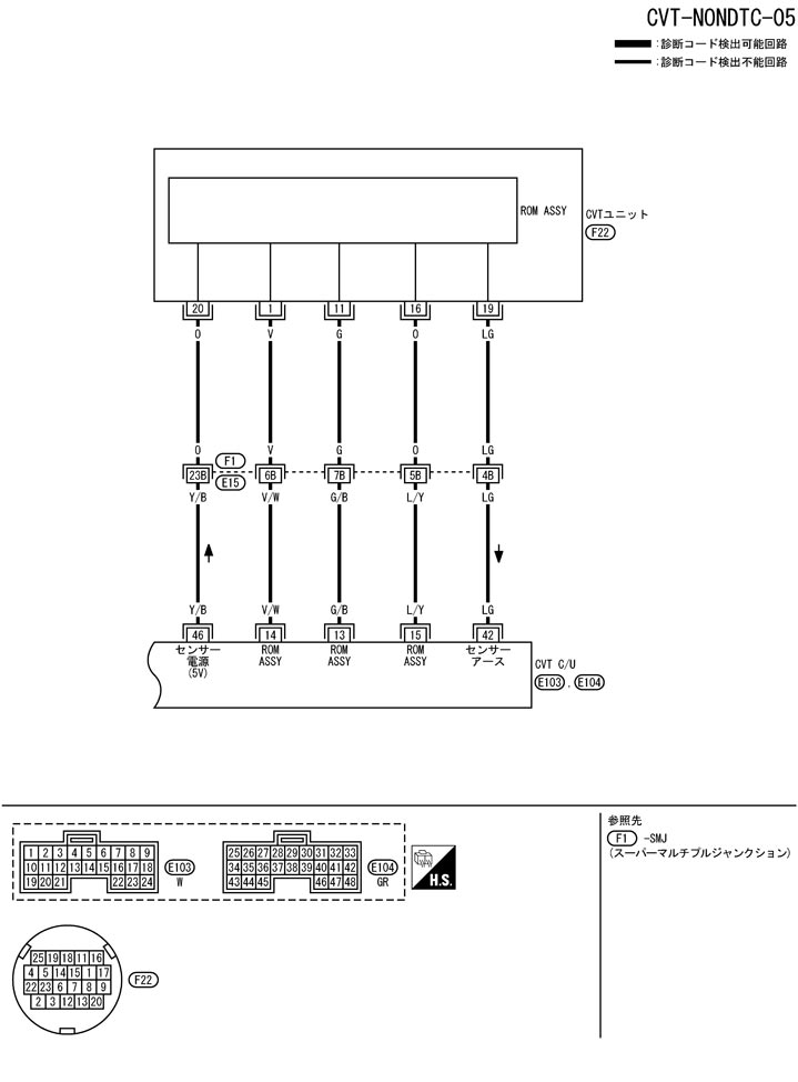
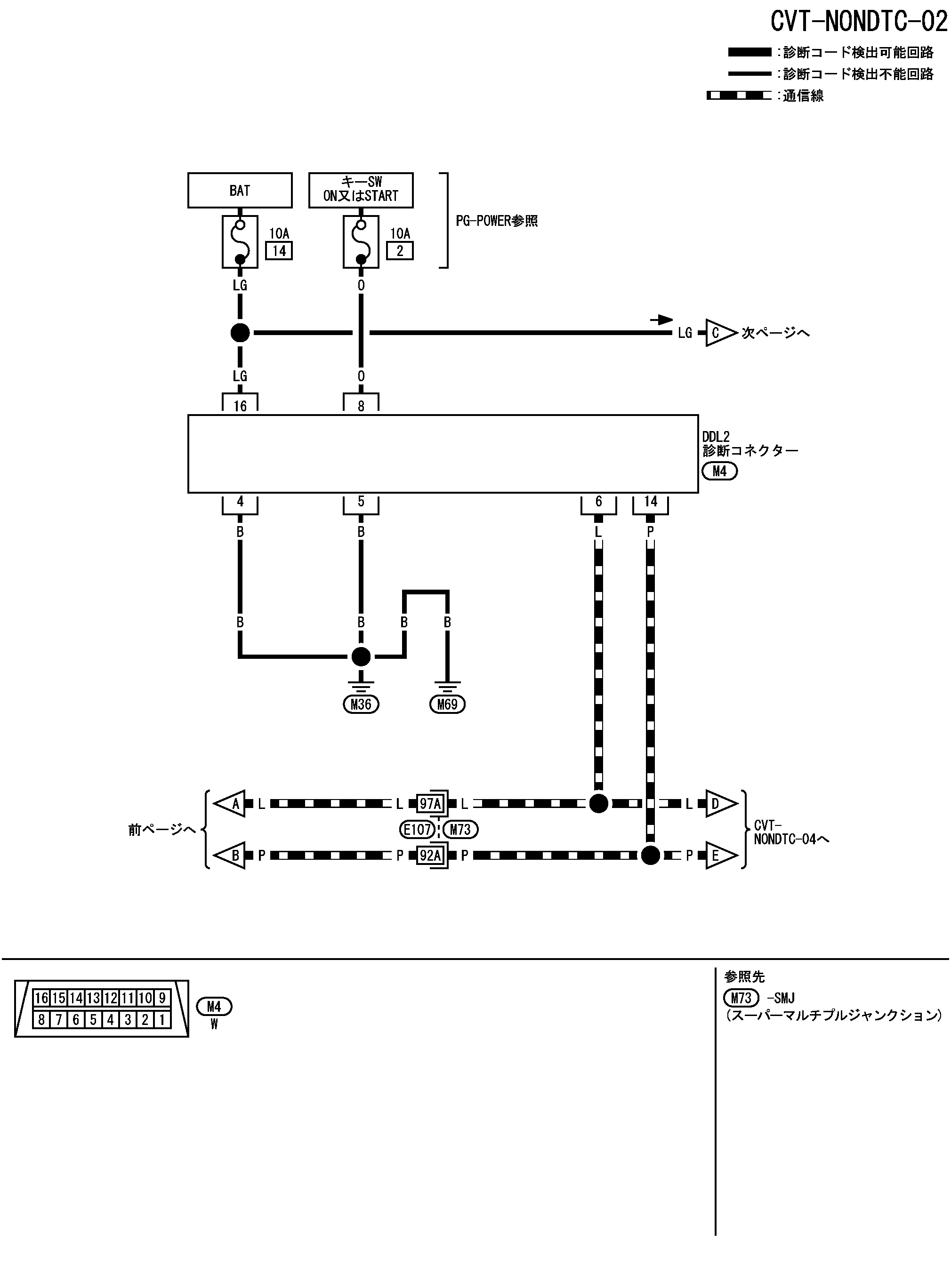
Схема подключения – nondtc – диагностика неисправности по явлению
Схема подключения – nondtc – диагностика неисправности по явлению
配線図 - NONDTC -
📄
Открыть схему TCWB0310J.PDF
📄
Открыть схему TCWB0530J.PDF
📄
Открыть схему TCWB0312J.PDF
📄
Открыть схему TCWB0531J.PDF
📄
Открыть схему TCWB0532J.PDF
Предыдущий: Диагностика неисправности входного/выходного сигнала cvt c/u по явлению
Назад
Следующий: Диагностика неисправностей по явлению, когда индикатор положения коробки передач не отображается или индикатор спортивного режима не горит.
Вперед