Снятие и установка

 
 構成図


SCIA6207J.JPG

1.
トランスアクスルASSY
2.
Oリング
3.
タービンセンサー(パワートレーンセンサー)
イラスト内のシンボルマークについては、GIセクション部品構成図内で使用している記号一覧を参照する。
下記シンボルマークについては、指定フルードを使用する。

:ニッサンマチックフルードJ





 
 取り外し

    1.バッテリーマイナス端子を取り外す。バッテリーの取り外し、取り付けを参照する。
    2.エアダクト(外気導入側)を取り外す。構成図を参照する。
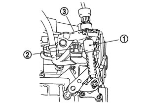
    3.コントロールケーブル(1)を取り外す。コントロールケーブル構成図を参照する。
    SCIA6262J.JPG
    4.インヒビタースイッチコネクター(2)を取り外す。
    5.コントロールケーブルのブラケット(3)を取り外す。コントロールケーブル構成図を参照する。
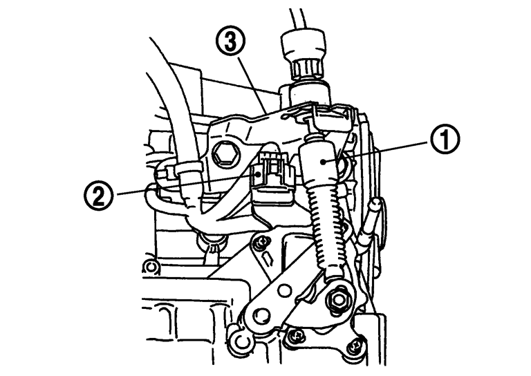
    6.タービンセンサー(パワートレーンセンサー)コネクター(1)を取り外す。
    SCIA6513J.JPG
    7.タービンセンサー(パワートレーンセンサー)(2)の取付ボルトを外し、タービンセンサー(パワートレーンセンサー)をトランスアクスルASSYより取り外す。
    8.Oリングをタービンセンサー(パワートレーンセンサー)より取り外す。
 
 取り付け

下記の作業に注意し、取り外しの逆の手順で行う。
■ 注意 ■
  • Oリングは再使用不可部品のため、再使用しないこと。「構成図」を参照する。
  • Oリングを取り付ける際は、ニッサンマチックフルードJを塗布すること。「構成図」を参照する。

  • コントロールケーブルを取り付ける際は、A/Tポジションの調整を行う。A/Tポジションの調整を参照する。