ВИЗАТОР
Новости японской автоиндустрии
Главная
Новости
FAQ
Аукционы
Руководства по ремонту
Nissan Wingroad Y12: полное руководство по ремонту и обслуживанию на русском языке
Вы здесь:
Главная
Руководства по ремонту
Nissan Wingroad Y12: полное руководство по ремонту и обслуживанию на русском языке
Трансмиссия
Автоматическая коробка передач (A/T)
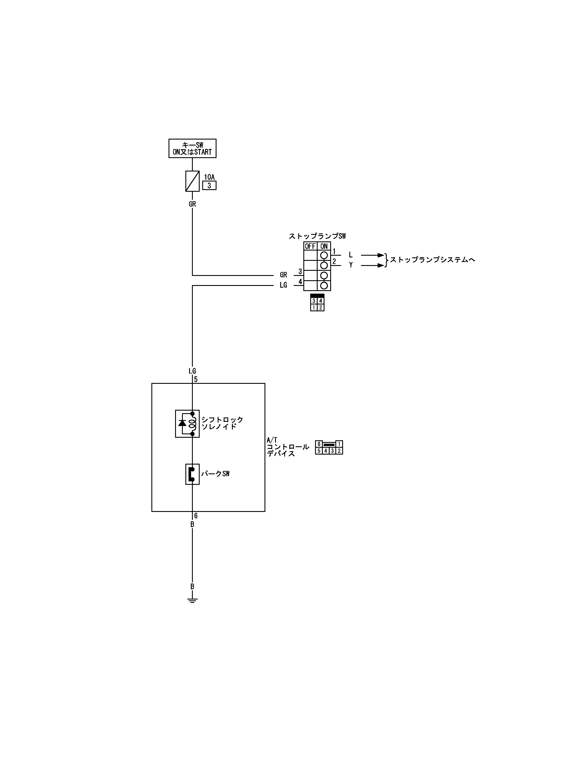
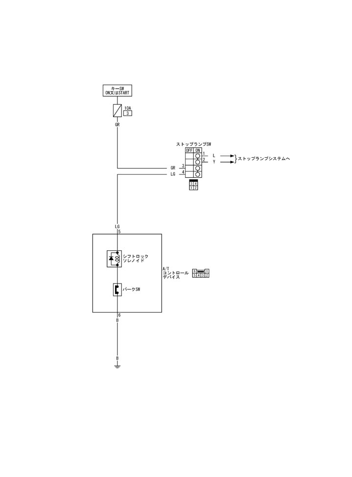
Схема системы блокировки переключения передач
Схема системы блокировки переключения передач
принципиальная схема
📄
Открыть схему TCWB0291J.PDF
Предыдущий: Положение установки компонента, система блокировки переключения передач
Назад
Следующий: Схема подключения – система переключения передач – система блокировки переключения передач
Вперед