ВИЗАТОР
Новости японской автоиндустрии
Главная
Новости
FAQ
Аукционы
Руководства по ремонту
Nissan Wingroad Y12: полное руководство по ремонту и обслуживанию на русском языке
Вы здесь:
Главная
Руководства по ремонту
Nissan Wingroad Y12: полное руководство по ремонту и обслуживанию на русском языке
Трансмиссия
Автоматическая коробка передач (A/T)
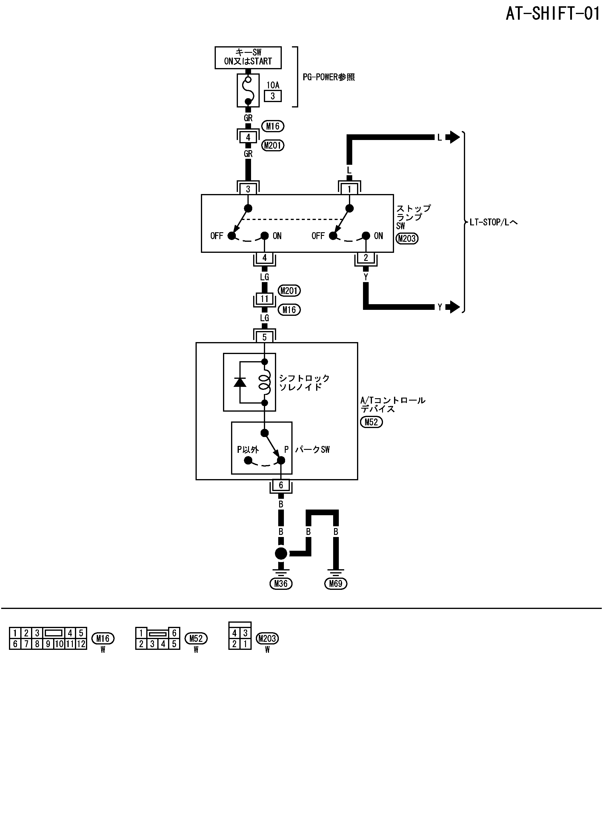
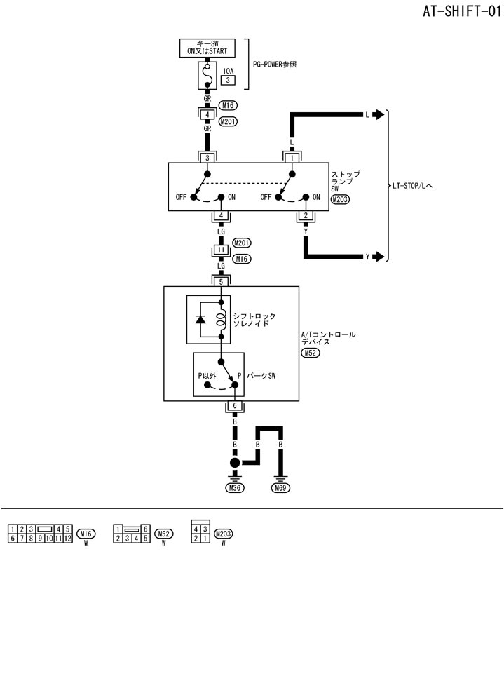
Схема подключения – система переключения передач – система блокировки переключения передач
Схема подключения – система переключения передач – система блокировки переключения передач
配線図 - SHIFT -
📄
Открыть схему TCWB0292J.PDF
Предыдущий: Схема системы блокировки переключения передач
Назад
Следующий: Проверка системы блокировки переключения передач Система блокировки переключения передач
Вперед