ВИЗАТОР
Новости японской автоиндустрии
Главная
Новости
FAQ
Аукционы
Руководства по ремонту
Nissan Wingroad Y12: полное руководство по ремонту и обслуживанию на русском языке
Вы здесь:
Главная
Руководства по ремонту
Nissan Wingroad Y12: полное руководство по ремонту и обслуживанию на русском языке
Рулевое управление
Система управления рулевым механизмом
Схема подключения — eps — диагностика неисправностей
Схема подключения — eps — диагностика неисправностей
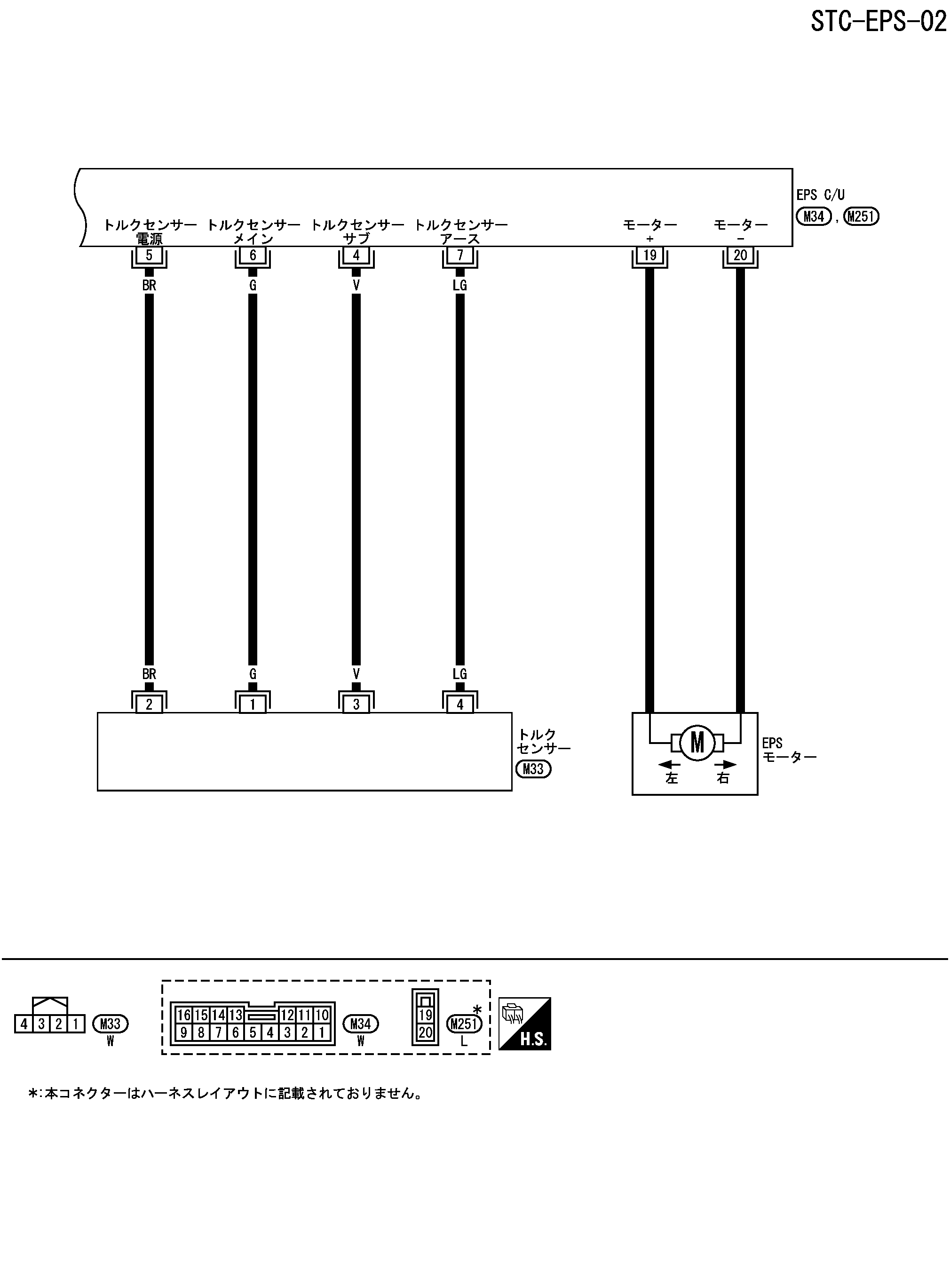
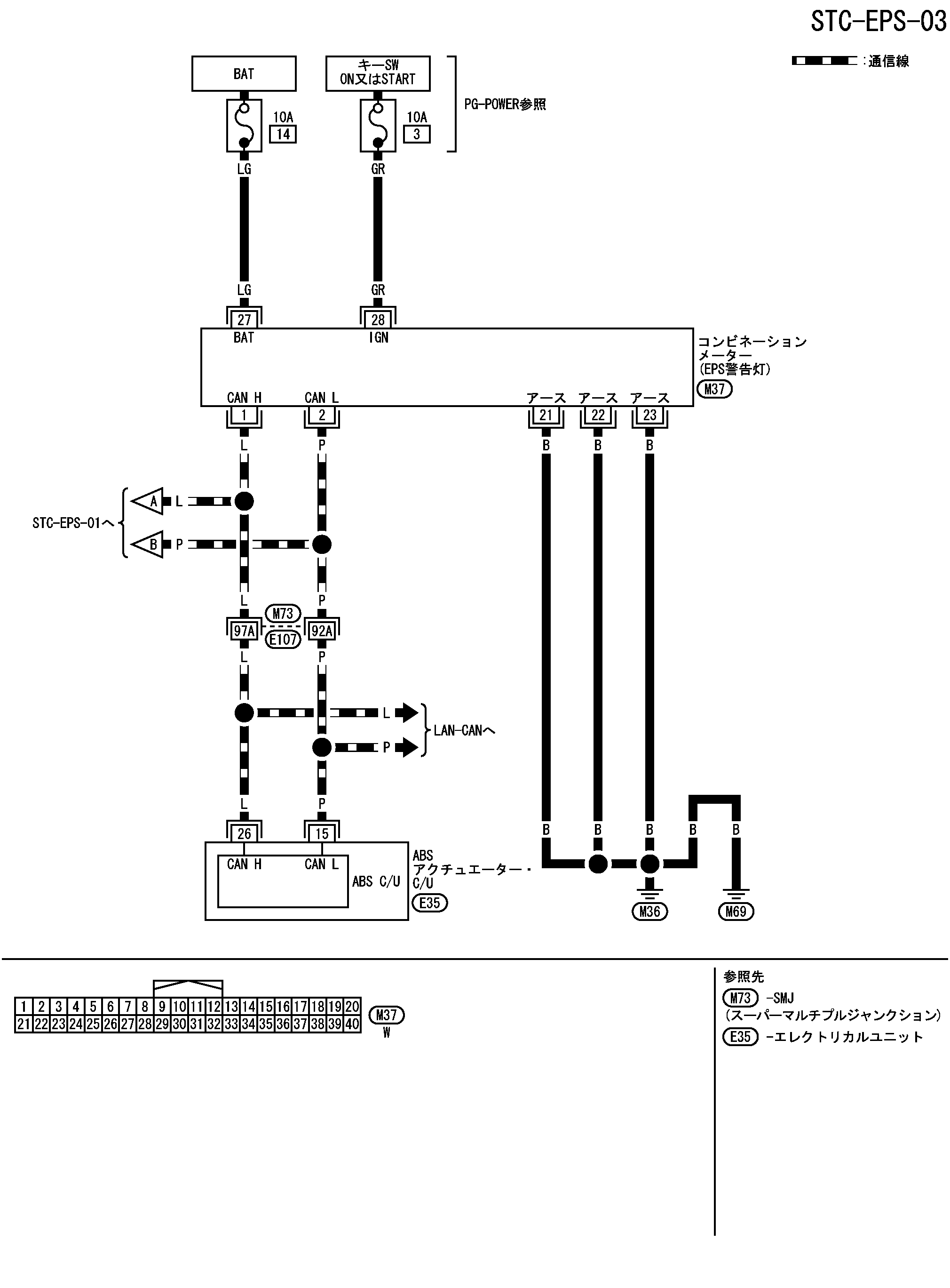
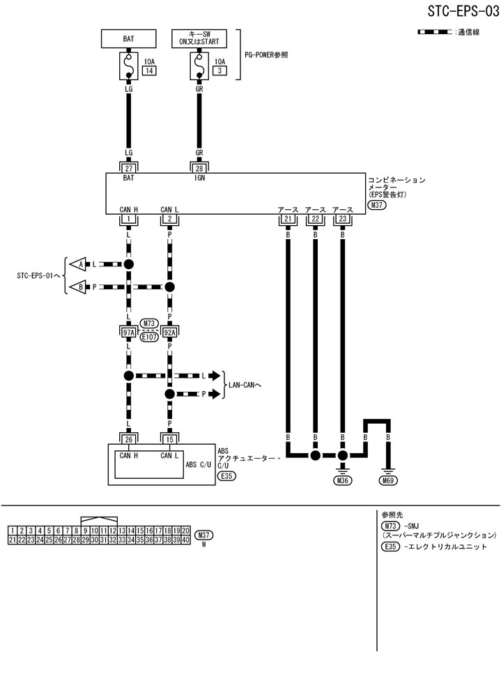
配線図 - EPS -
📄
Открыть схему TGWB0034J.PDF
📄
Открыть схему TGWB0021J.PDF
📄
Открыть схему TGWB0035J.PDF
Предыдущий: Схема диагностики неисправностей
Назад
Следующий: eps c/u входной/выходной сигнал, опорное значение, диагностика неисправностей
Вперед