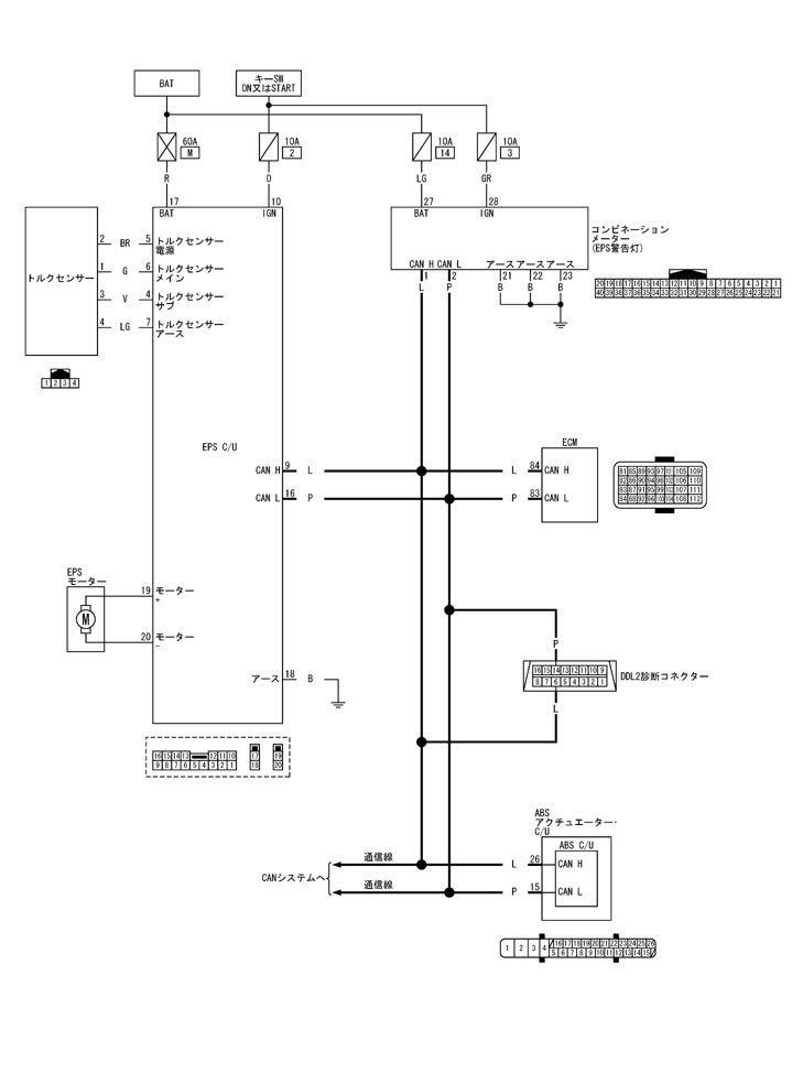
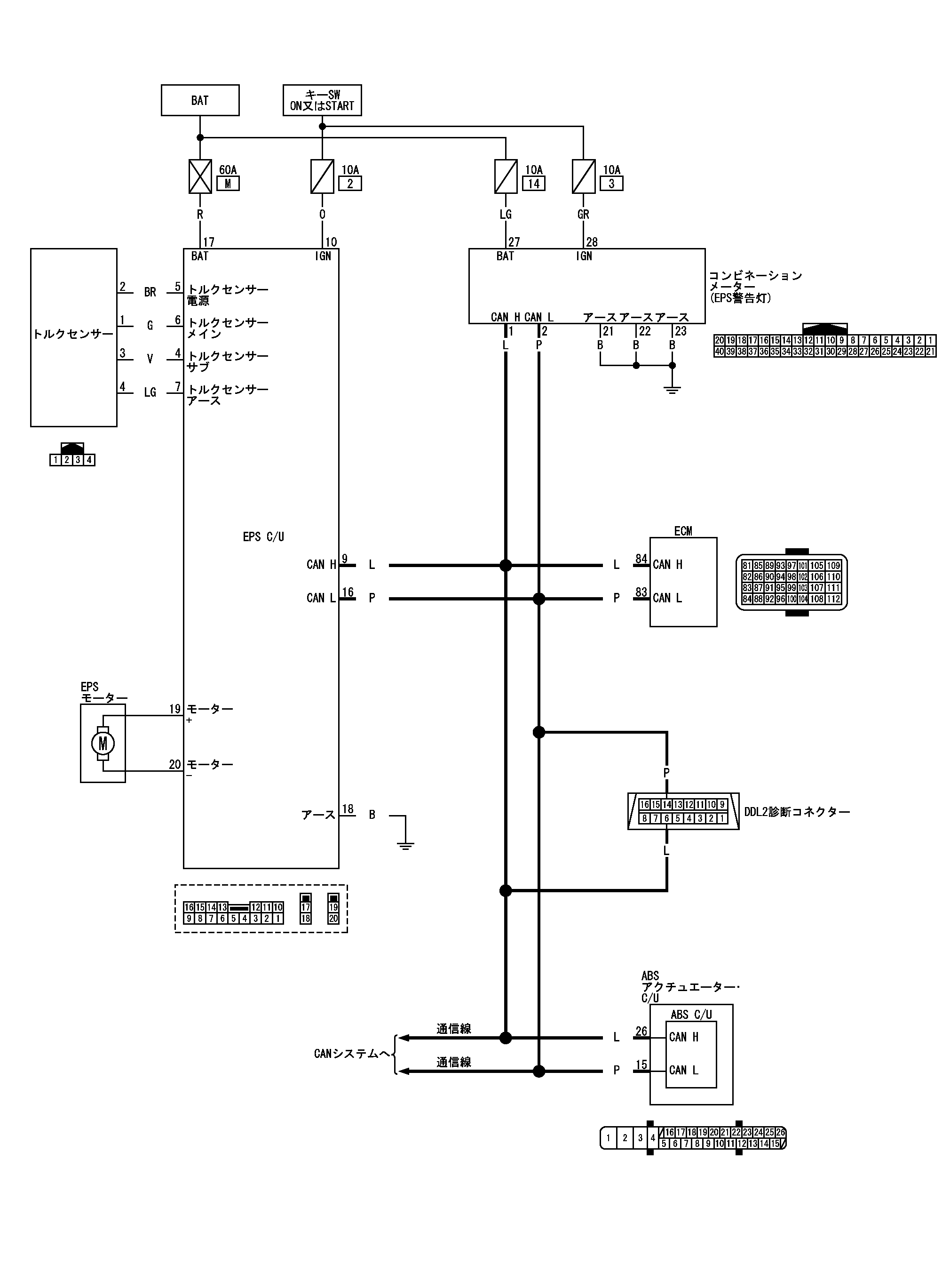
принципиальная схема