ВИЗАТОР
Новости японской автоиндустрии
Главная
Новости
FAQ
Аукционы
Руководства по ремонту
Nissan Wingroad Y12: полное руководство по ремонту и обслуживанию на русском языке
Вы здесь:
Главная
Руководства по ремонту
Nissan Wingroad Y12: полное руководство по ремонту и обслуживанию на русском языке
Привод и мосты
Электрический привод колес
Снятие и установка распределительной коробки
Снятие и установка распределительной коробки
Снятие и установка
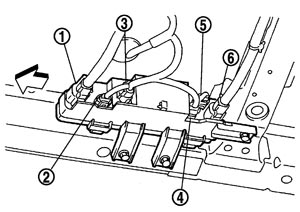
取り外し
1.ジャンクションボックスよりe·4WDモーターコネクター(1)、ヒューズBコネクター(2)、電流センサーコネクター(3)、メインリレーコネクター(4)、ヒューズAコネクター(5)、及びパワーケーブルコネクター(6)を外す。
:車両フロント
2.ジャンクションボックスを取り外す。
■ 注意 ■
ジャンクションボックスに衝撃を与えないこと。また、衝撃が加わった場合は交換すること。
ジャンクションボックスを分解しないこと。
取り付け
下記の作業に注意し、取り外しの逆の手順で行う。
ジャンクションボックスを取り付ける際は、取付ボルトを下記の基準で締め付ける。
:車両フロント
締付順序
1
2
3
4
ボルト記号
A
C
B
A
締付トルク
仮締め
4 N·m(0.41 kg-m)
Предыдущий: Снятие и установка блока управления e/4wd
Назад
Следующий: Снятие и установка генераторов
Вперед