ВИЗАТОР
Новости японской автоиндустрии
Главная
Новости
FAQ
Аукционы
Руководства по ремонту
Nissan Wingroad Y12: полное руководство по ремонту и обслуживанию на русском языке
Вы здесь:
Главная
Руководства по ремонту
Nissan Wingroad Y12: полное руководство по ремонту и обслуживанию на русском языке
Кузов
Сиденья
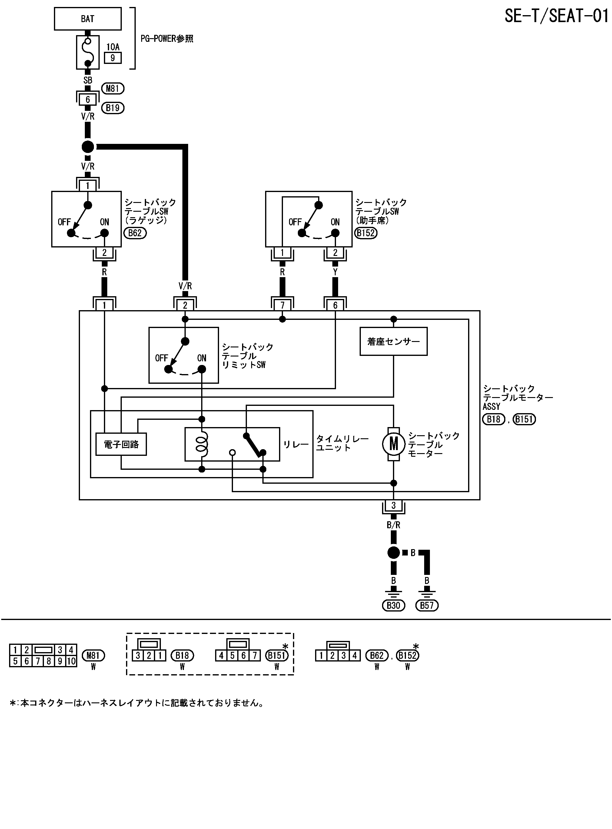
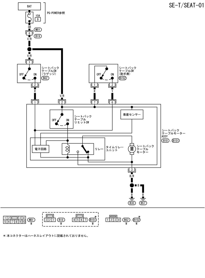
Схема подключения сиденья/t-стола спинки пассажирского сиденья
Схема подключения сиденья/t-стола спинки пассажирского сиденья
配線図 - SEAT/T -
📄
Открыть схему TIWB1558J.PDF
Предыдущий: Схема спинки пассажирского сиденья
Назад
Следующий: Обзор управления Столик спинки пассажирского сиденья
Вперед