ВИЗАТОР
Новости японской автоиндустрии
Главная
Новости
FAQ
Аукционы
Руководства по ремонту
Nissan Wingroad Y12: полное руководство по ремонту и обслуживанию на русском языке
Вы здесь:
Главная
Руководства по ремонту
Nissan Wingroad Y12: полное руководство по ремонту и обслуживанию на русском языке
Кузов
Кузов, замки, безопасность
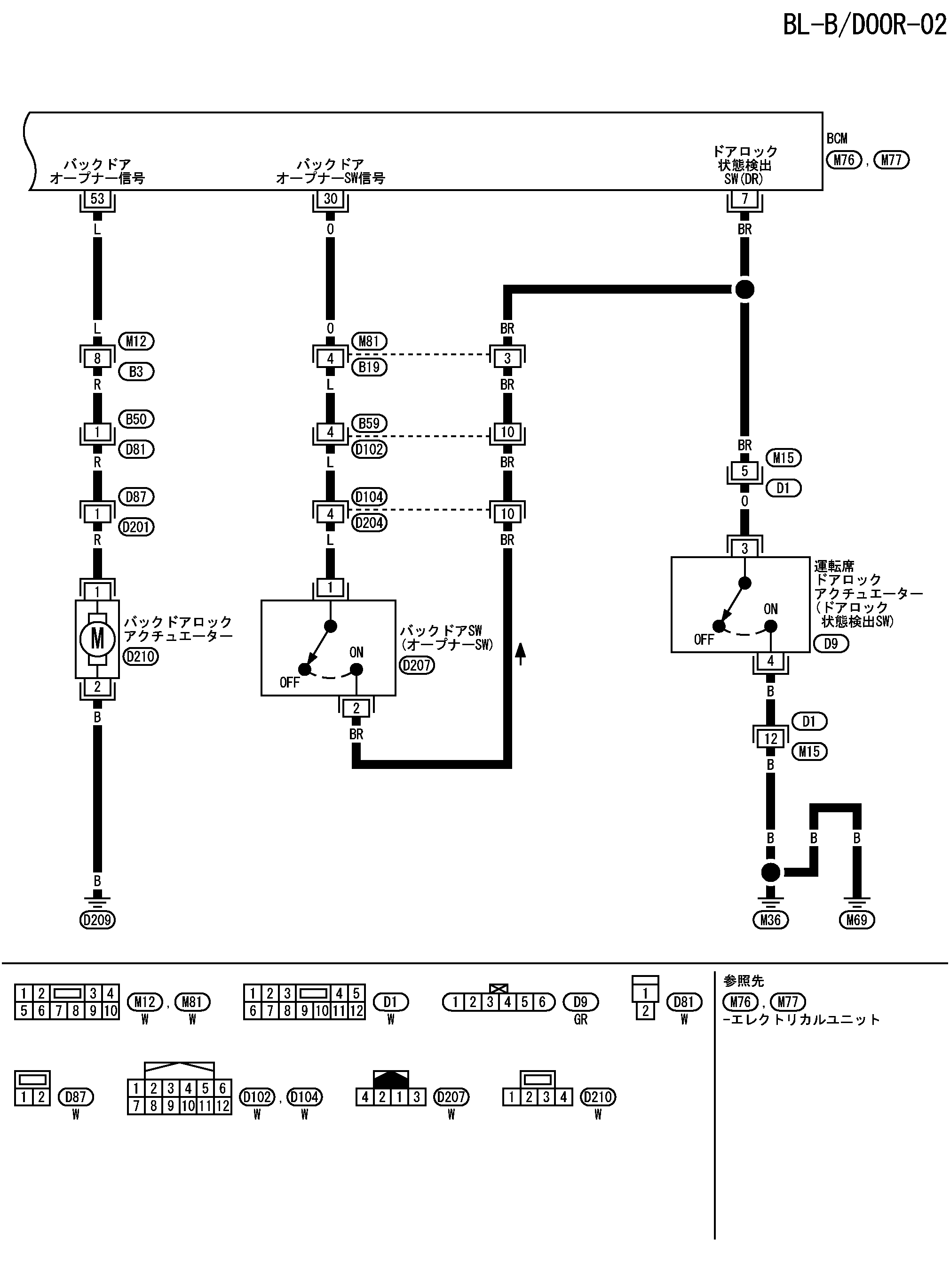
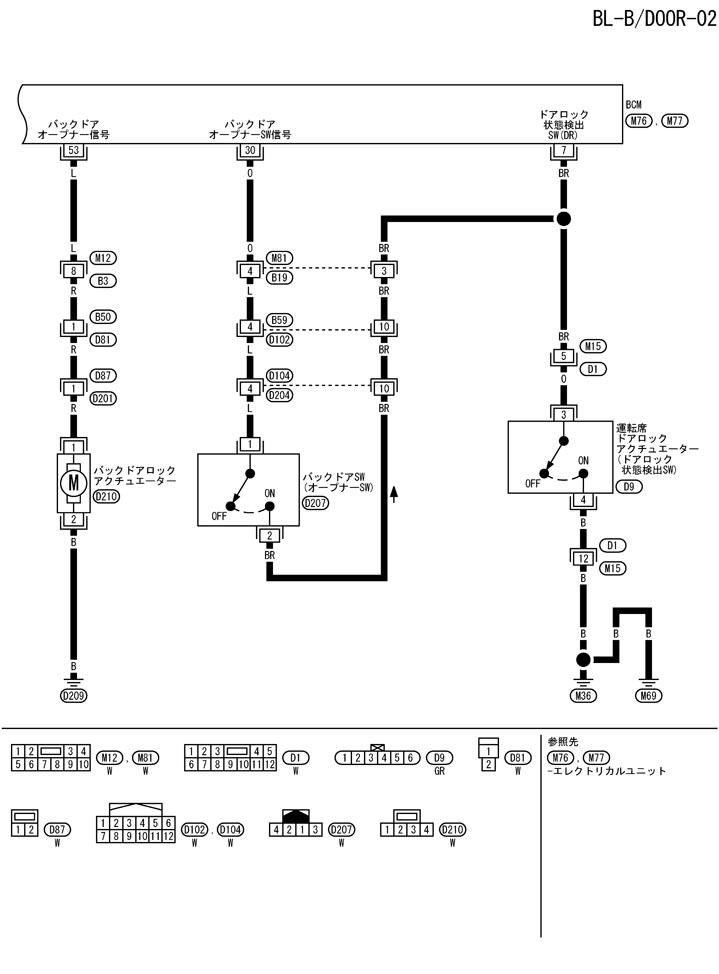
Схема подключения — б/дверь — механизм открывания задней двери
Схема подключения — б/дверь — механизм открывания задней двери
配線図 - B/DOOR -
📄
Открыть схему TIWB1339J.PDF
📄
Открыть схему TIWB1553J.PDF
Предыдущий: Схема открывания задней двери
Назад
Следующий: Эталонное значение входного/выходного сигнала bcm Устройство открывания задней двери
Вперед