ВИЗАТОР
Новости японской автоиндустрии
Главная
Новости
FAQ
Аукционы
Руководства по ремонту
Nissan Wingroad Y12: полное руководство по ремонту и обслуживанию на русском языке
Вы здесь:
Главная
Руководства по ремонту
Nissan Wingroad Y12: полное руководство по ремонту и обслуживанию на русском языке
Кондиционирование
Ручной кондиционер
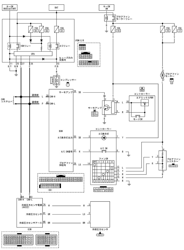
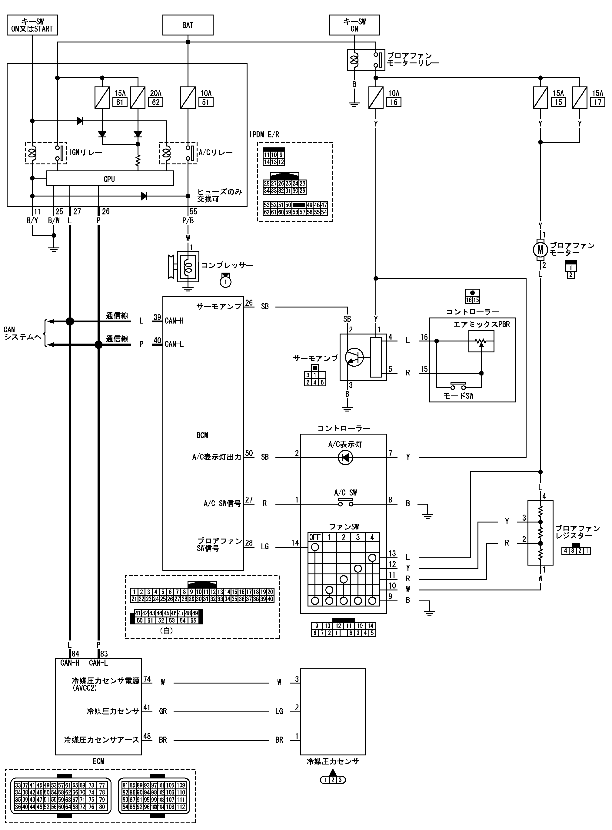
Схема диагностики неисправностей
Схема диагностики неисправностей
принципиальная схема
📄
Открыть схему TJWB0325J.PDF
Предыдущий: Диагностика неисправности монтажного положения компонента
Назад
Следующий: Схема подключения - Диагностика неисправности кондиционера/с
Вперед