ВИЗАТОР
Новости японской автоиндустрии
Главная
Новости
FAQ
Аукционы
Руководства по ремонту
Nissan Wingroad Y12: полное руководство по ремонту и обслуживанию на русском языке
Вы здесь:
Главная
Руководства по ремонту
Nissan Wingroad Y12: полное руководство по ремонту и обслуживанию на русском языке
Электрооборудование
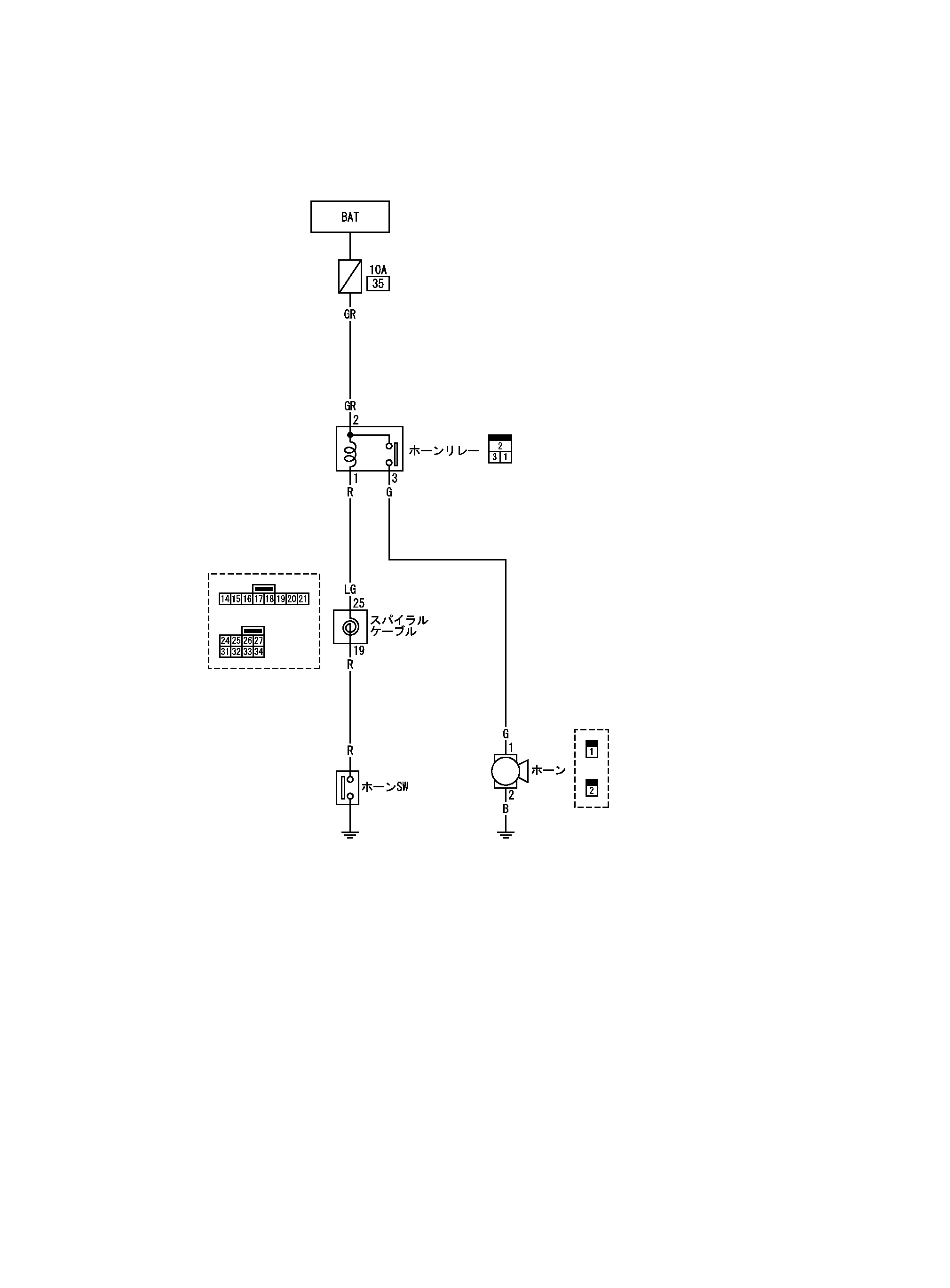
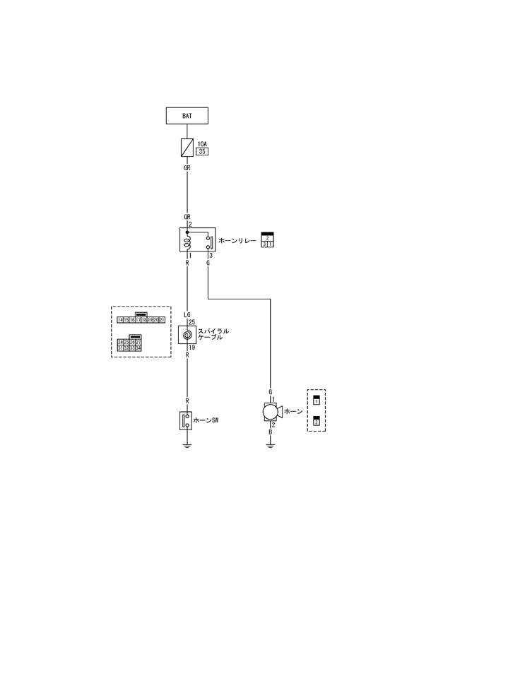
Стеклоочистители, омыватели, сигнал
схематический рог
схематический рог
принципиальная схема
📄
Открыть схему TKWB2947J.PDF
Предыдущий: список сигналов связи может связь
Назад
Следующий: Схема подключения – звуковой сигнал – звуковой сигнал
Вперед