ВИЗАТОР
Новости японской автоиндустрии
Главная
Новости
FAQ
Аукционы
Руководства по ремонту
Nissan Wingroad Y12: полное руководство по ремонту и обслуживанию на русском языке
Вы здесь:
Главная
Руководства по ремонту
Nissan Wingroad Y12: полное руководство по ремонту и обслуживанию на русском языке
Электрооборудование
Стеклоочистители, омыватели, сигнал
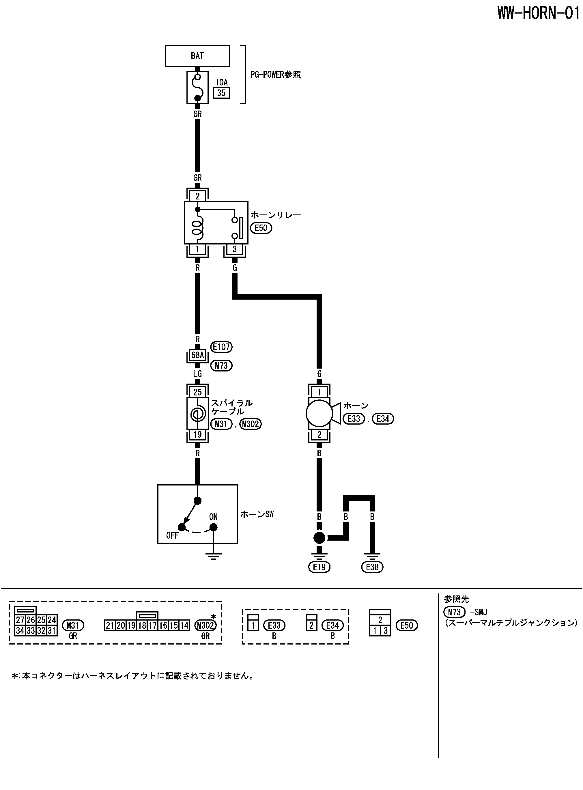
Схема подключения – звуковой сигнал – звуковой сигнал
Схема подключения – звуковой сигнал – звуковой сигнал
配線図 - HORN -
📄
Открыть схему TKWB4412J.PDF
Предыдущий: схематический рог
Назад
Следующий: Снятие и установка звукового сигнала
Вперед