ВИЗАТОР
Новости японской автоиндустрии
Главная
Новости
FAQ
Аукционы
Руководства по ремонту
Nissan Wingroad Y12: полное руководство по ремонту и обслуживанию на русском языке
Вы здесь:
Главная
Руководства по ремонту
Nissan Wingroad Y12: полное руководство по ремонту и обслуживанию на русском языке
Электрооборудование
Система освещения
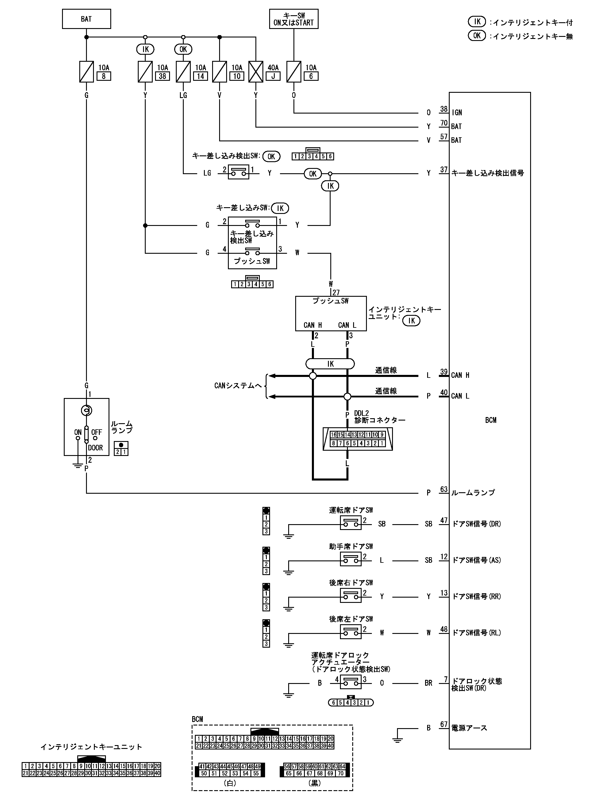
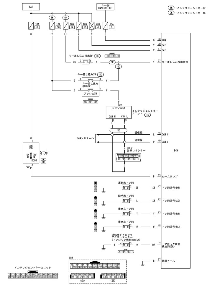
Схема системы внутреннего освещения с блокировкой ключей
Схема системы внутреннего освещения с блокировкой ключей
принципиальная схема
📄
Открыть схему TKWB2900J.PDF
Предыдущий: Обзор системы Система внутреннего освещения с клавишным управлением
Назад
Следующий: Схема подключения - комната/л - система внутреннего освещения с ключом
Вперед