ВИЗАТОР
Новости японской автоиндустрии
Главная
Новости
FAQ
Аукционы
Руководства по ремонту
Nissan Wingroad Y12: полное руководство по ремонту и обслуживанию на русском языке
Вы здесь:
Главная
Руководства по ремонту
Nissan Wingroad Y12: полное руководство по ремонту и обслуживанию на русском языке
Электрооборудование
Система освещения
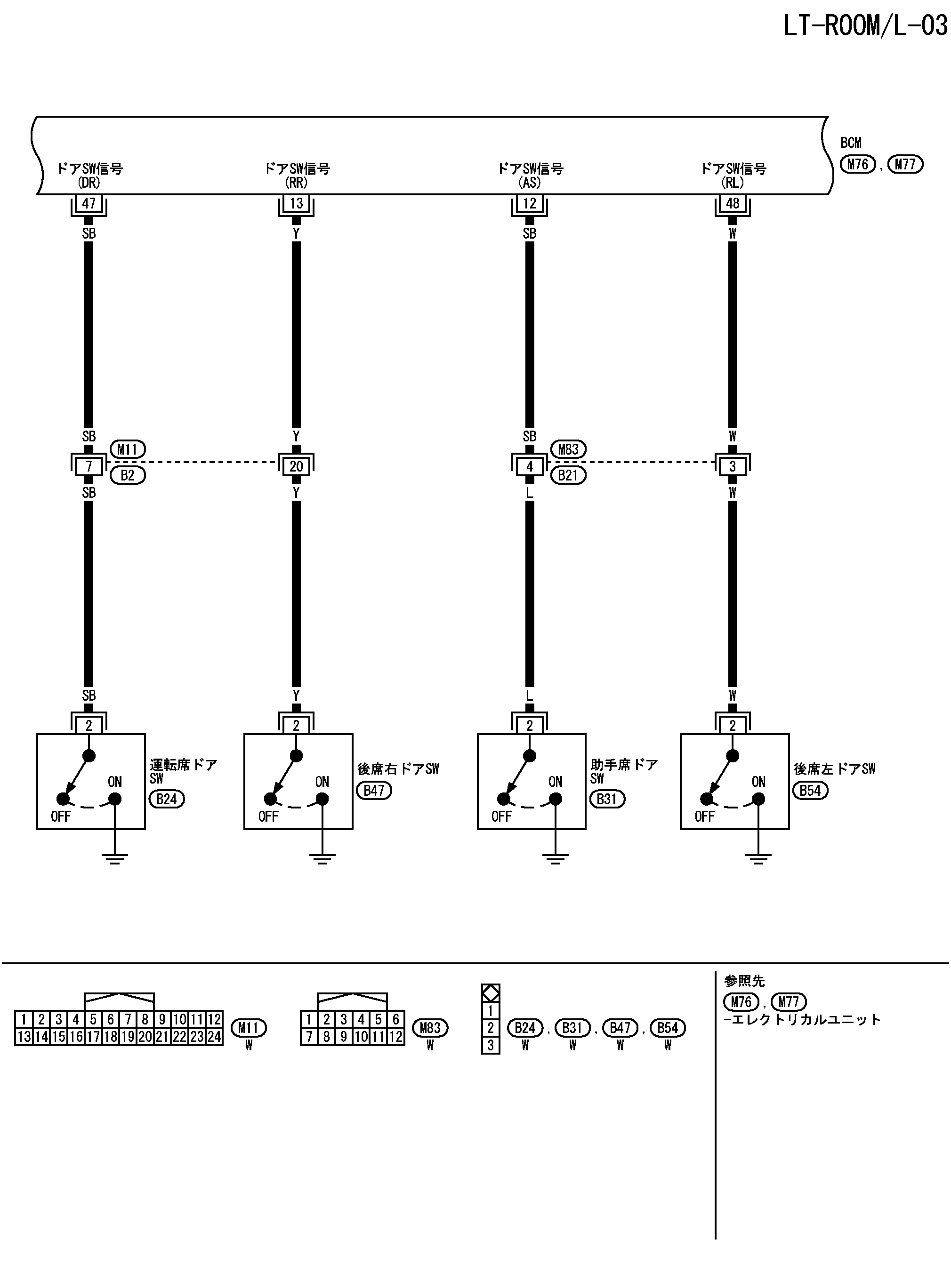
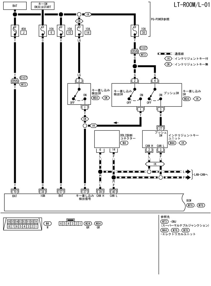
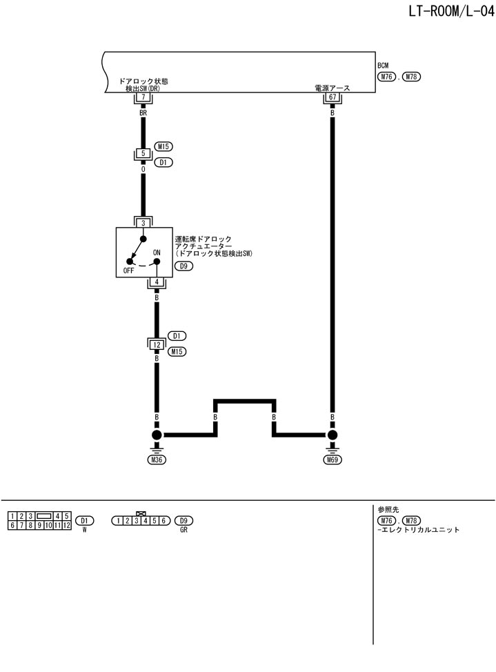
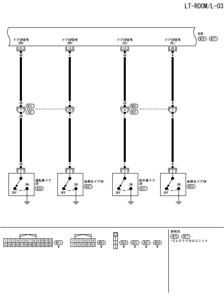
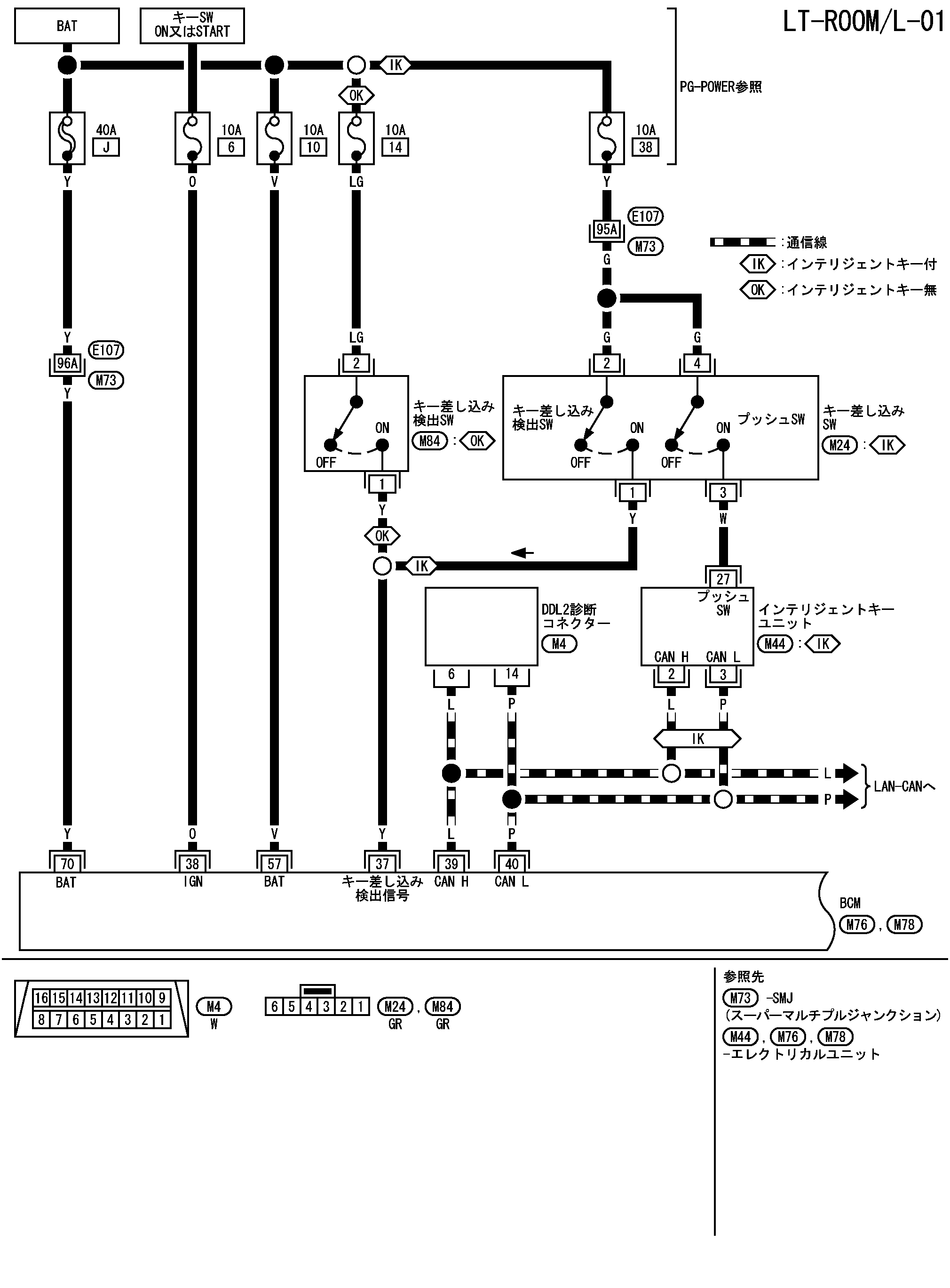
Схема подключения - комната/л - система внутреннего освещения с ключом
Схема подключения - комната/л - система внутреннего освещения с ключом
配線図 - ROOM/L -
📄
Открыть схему TKWB4384J.PDF
📄
Открыть схему TKWB4385J.PDF
📄
Открыть схему TKWB4962J.PDF
📄
Открыть схему TKWB2904J.PDF
Предыдущий: Схема системы внутреннего освещения с блокировкой ключей
Назад
Следующий: Базовое значение входного/выходного сигнала bcm, система внутреннего освещения с ключевой связью
Вперед