ВИЗАТОР
Новости японской автоиндустрии
Главная
Новости
FAQ
Аукционы
Руководства по ремонту
Nissan Wingroad Y12: полное руководство по ремонту и обслуживанию на русском языке
Вы здесь:
Главная
Руководства по ремонту
Nissan Wingroad Y12: полное руководство по ремонту и обслуживанию на русском языке
Электрооборудование
Система освещения
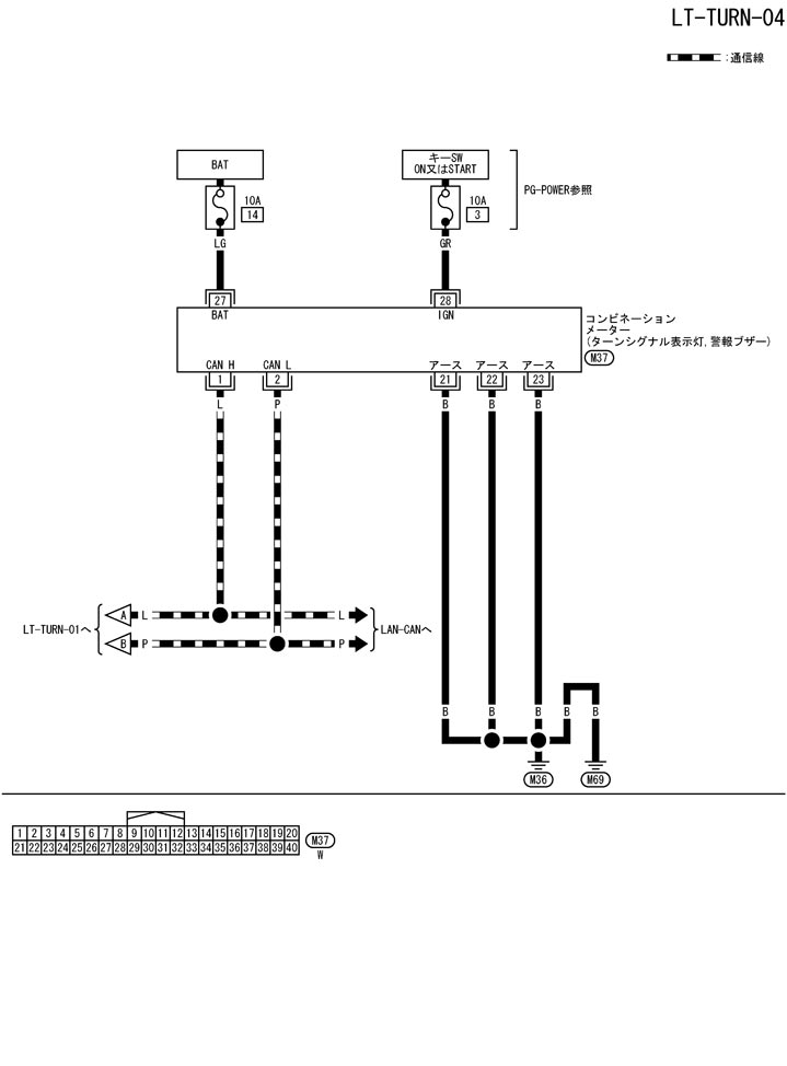
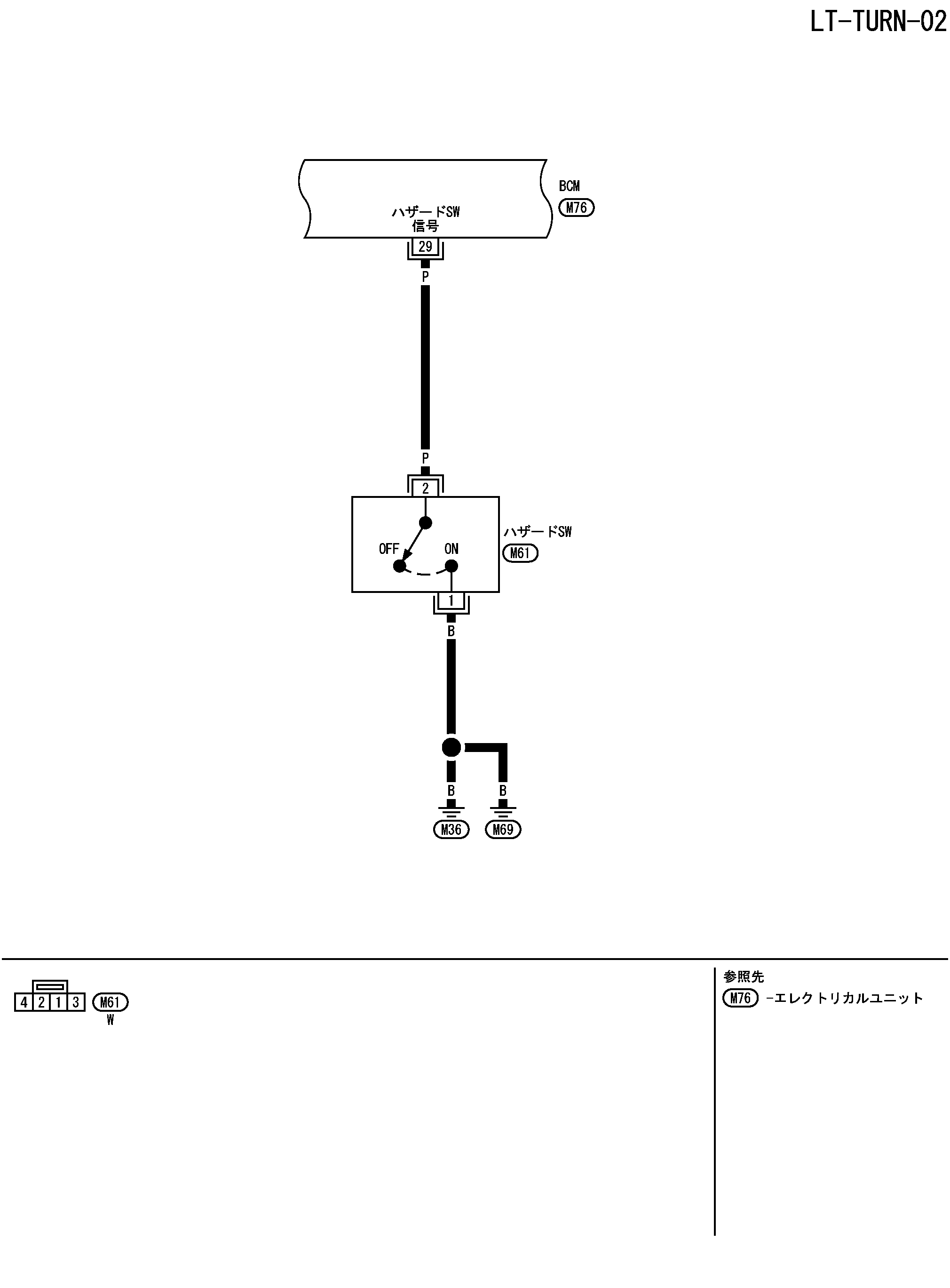
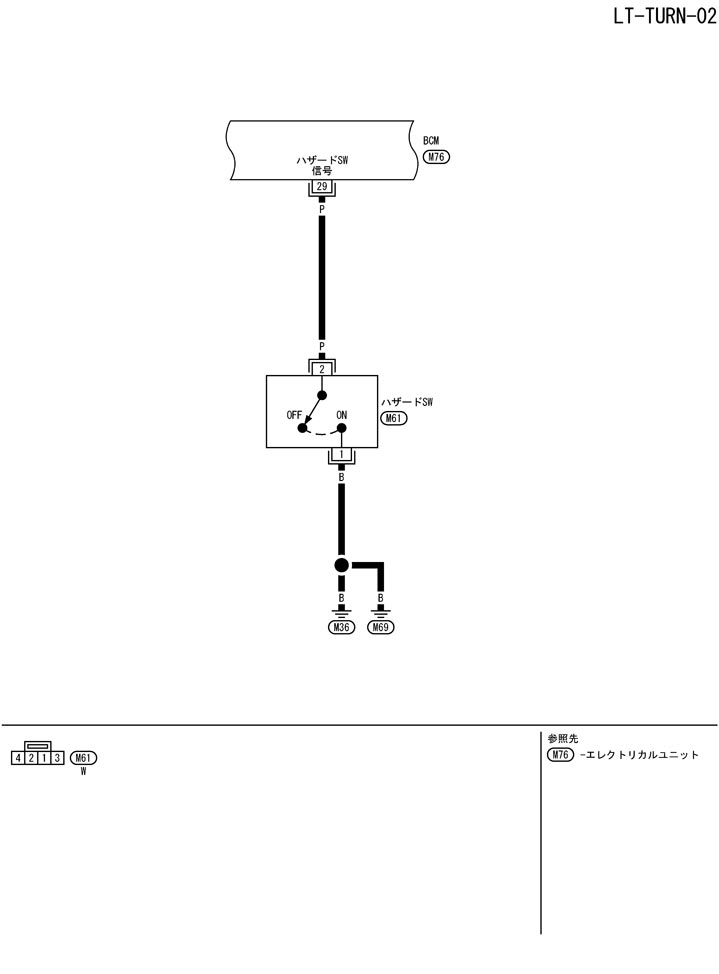
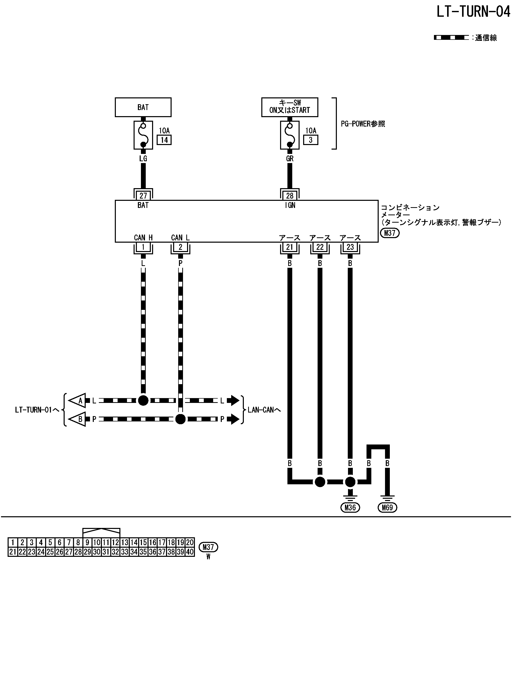
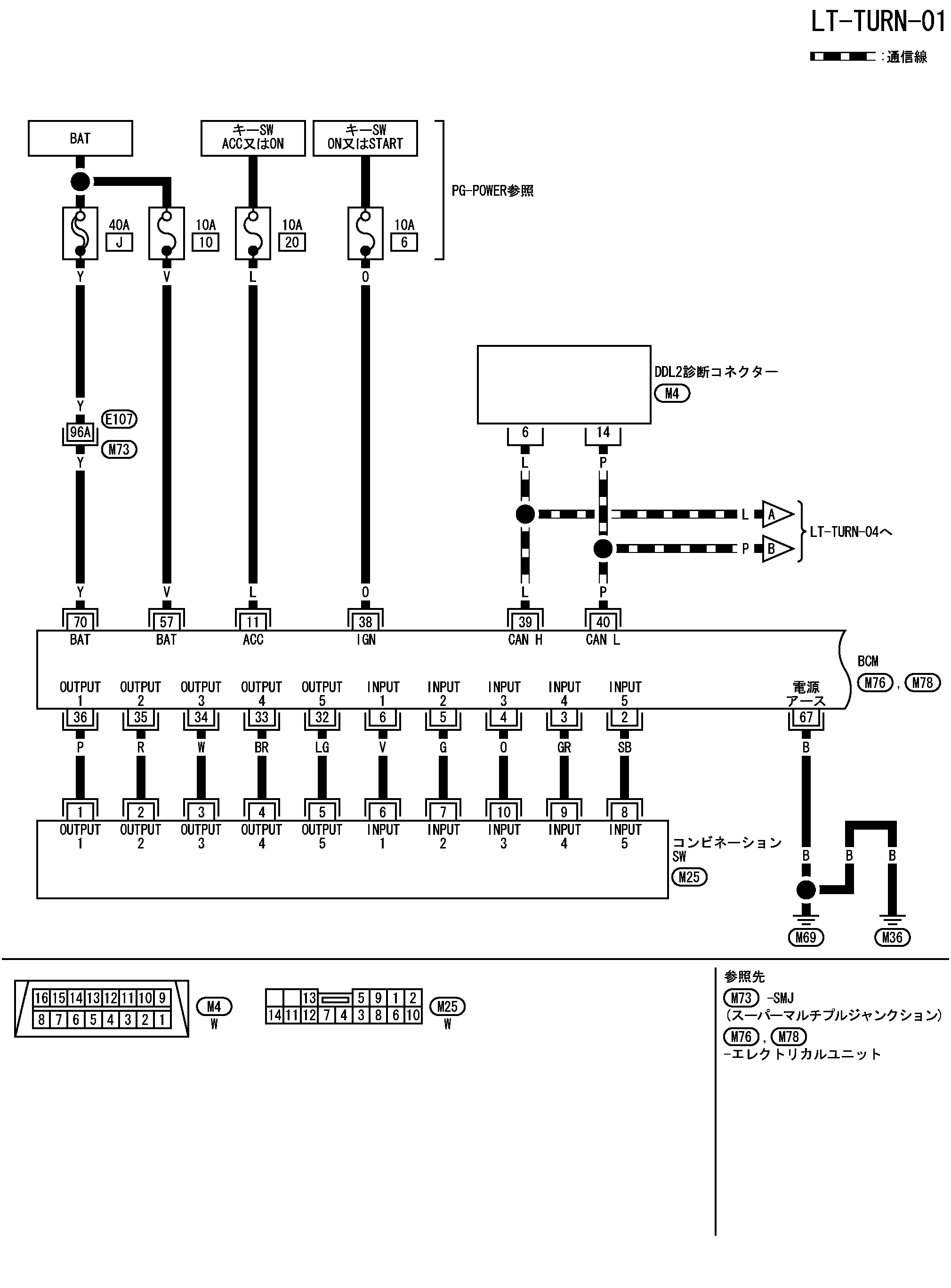
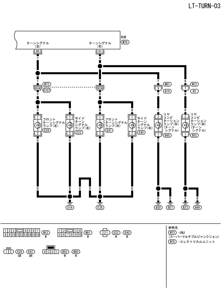
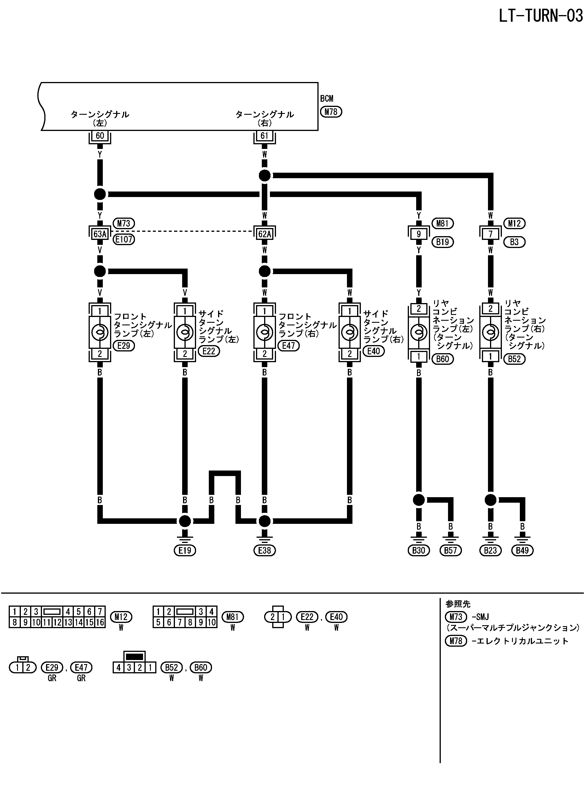
Схема подключения - поворотник - лампа указателя поворота, аварийная лампа
Схема подключения - поворотник - лампа указателя поворота, аварийная лампа
配線図 - TURN -
📄
Открыть схему TKWB4367J.PDF
📄
Открыть схему TKWB2878J.PDF
📄
Открыть схему TKWB4959J.PDF
📄
Открыть схему TKWB2880J.PDF
Предыдущий: Схема лампы указателя поворота, аварийной лампы
Назад
Следующий: Опорное значение входного/выходного сигнала bcm Указатель поворота, аварийная лампа
Вперед