ВИЗАТОР
Новости японской автоиндустрии
Главная
Новости
FAQ
Аукционы
Руководства по ремонту
Nissan Wingroad Y12: полное руководство по ремонту и обслуживанию на русском языке
Вы здесь:
Главная
Руководства по ремонту
Nissan Wingroad Y12: полное руководство по ремонту и обслуживанию на русском языке
Электрооборудование
Система освещения
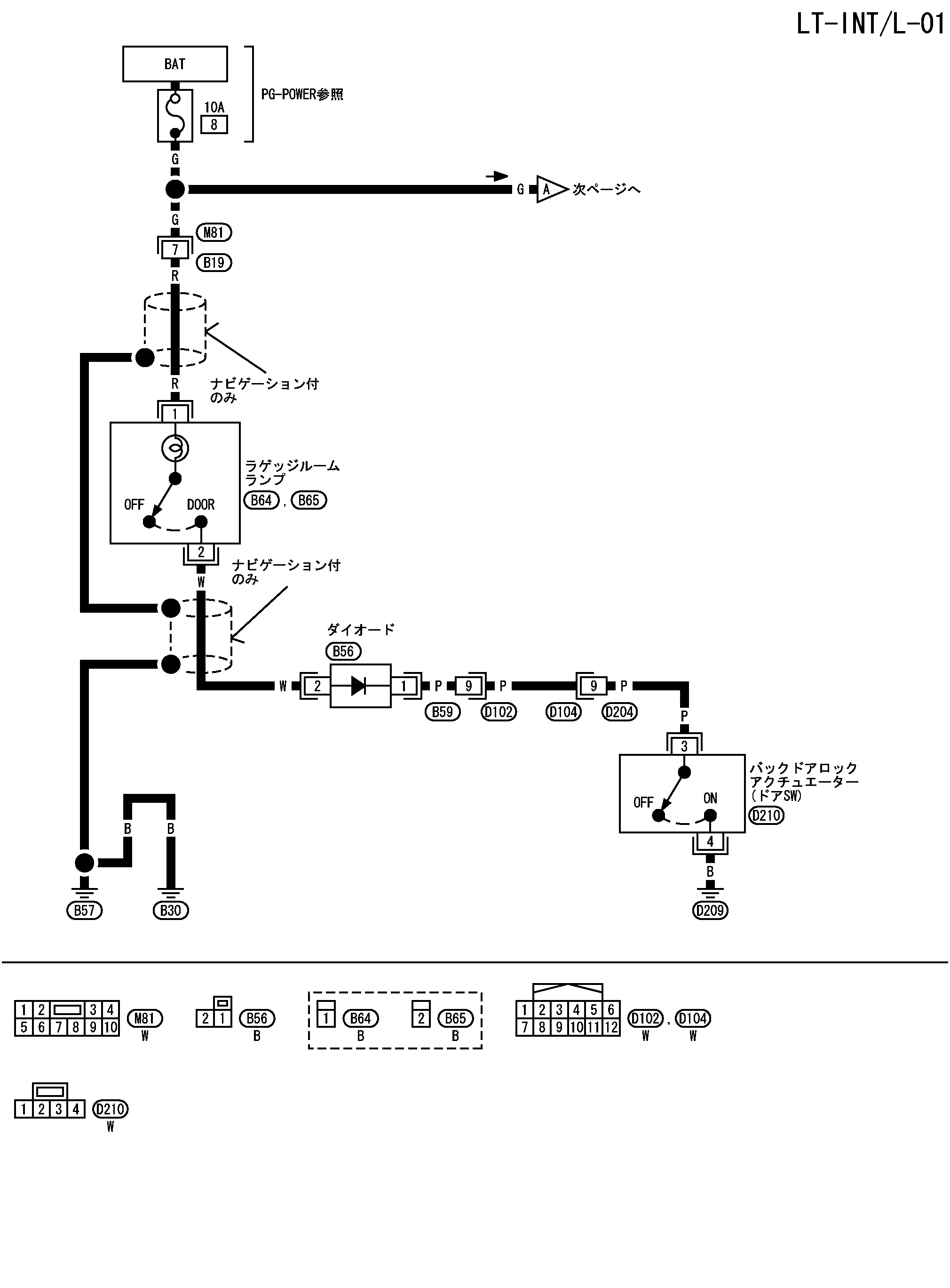
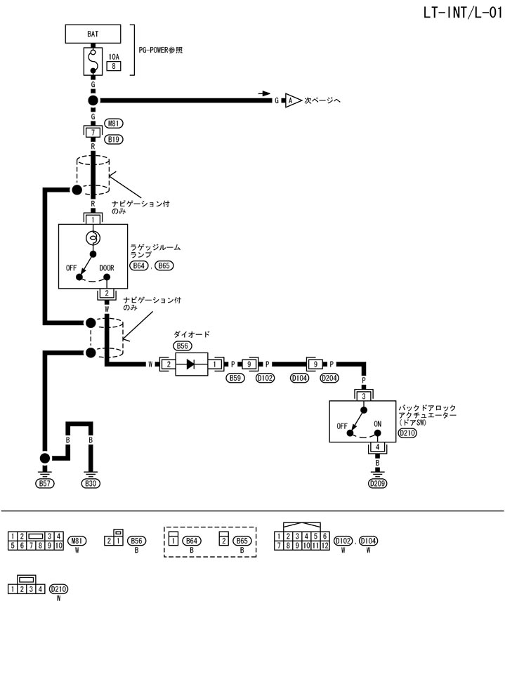
Схема подключения — int/l — плафон освещения салона
Схема подключения — int/l — плафон освещения салона
配線図 - INT/L -
📄
Открыть схему TKWB4964J.PDF
📄
Открыть схему TKWB4389J.PDF
Предыдущий: Схема лампы салона
Назад
Следующий: лампа для карты интерьерная лампа
Вперед