ВИЗАТОР
Новости японской автоиндустрии
Главная
Новости
FAQ
Аукционы
Руководства по ремонту
Nissan Wingroad Y12: полное руководство по ремонту и обслуживанию на русском языке
Вы здесь:
Главная
Руководства по ремонту
Nissan Wingroad Y12: полное руководство по ремонту и обслуживанию на русском языке
Электрооборудование
Система освещения
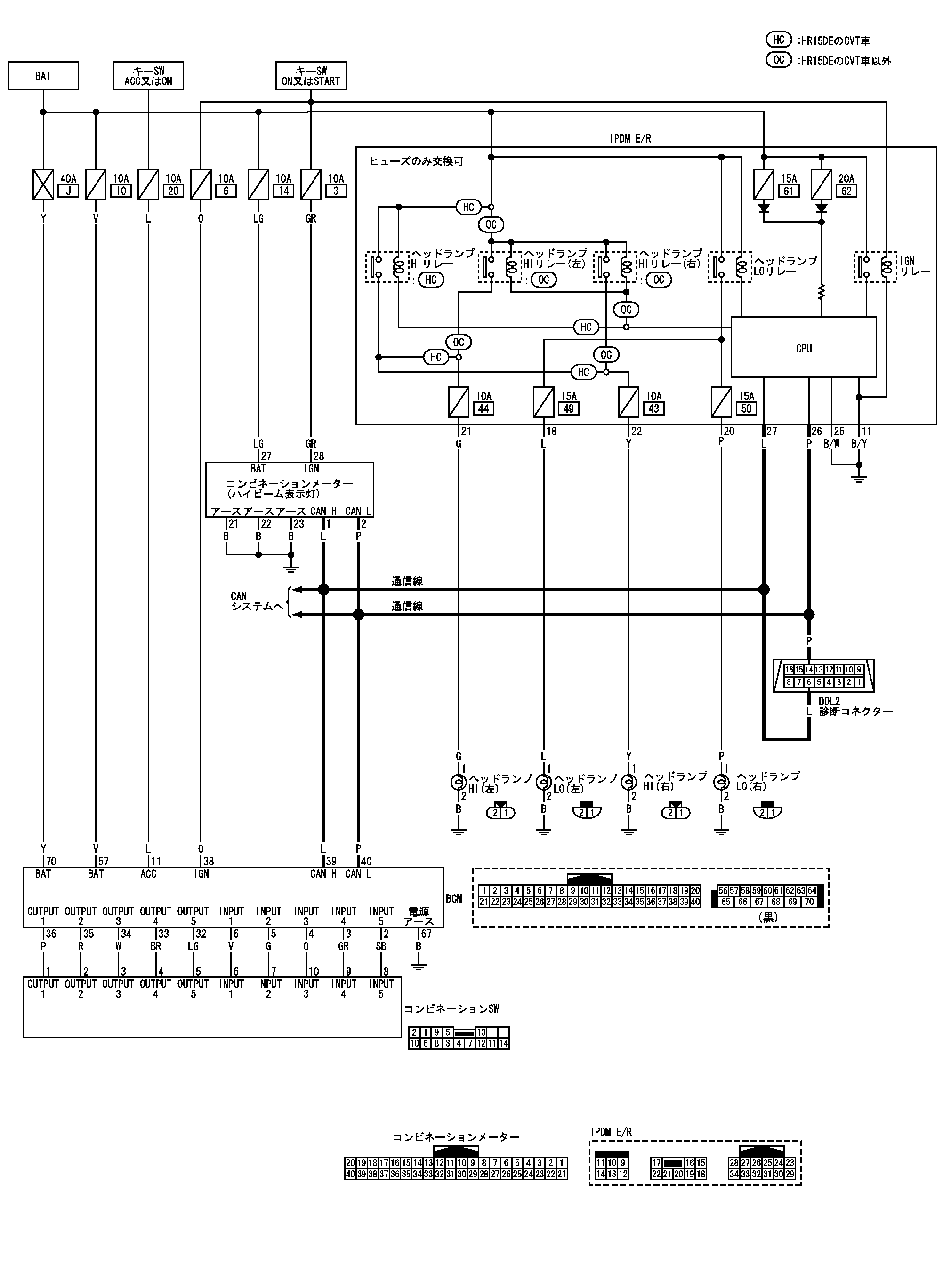
Схема галогенной фары
Схема галогенной фары
принципиальная схема
📄
Открыть схему TKWB4351J.PDF
Предыдущий: Обзор системы галогенные фары
Назад
Следующий: 配線図 - h/lamp -ハロゲンヘッドランプ
Вперед