ВИЗАТОР
Новости японской автоиндустрии
Главная
Новости
FAQ
Аукционы
Руководства по ремонту
Nissan Wingroad Y12: полное руководство по ремонту и обслуживанию на русском языке
Вы здесь:
Главная
Руководства по ремонту
Nissan Wingroad Y12: полное руководство по ремонту и обслуживанию на русском языке
Электрооборудование
Система освещения
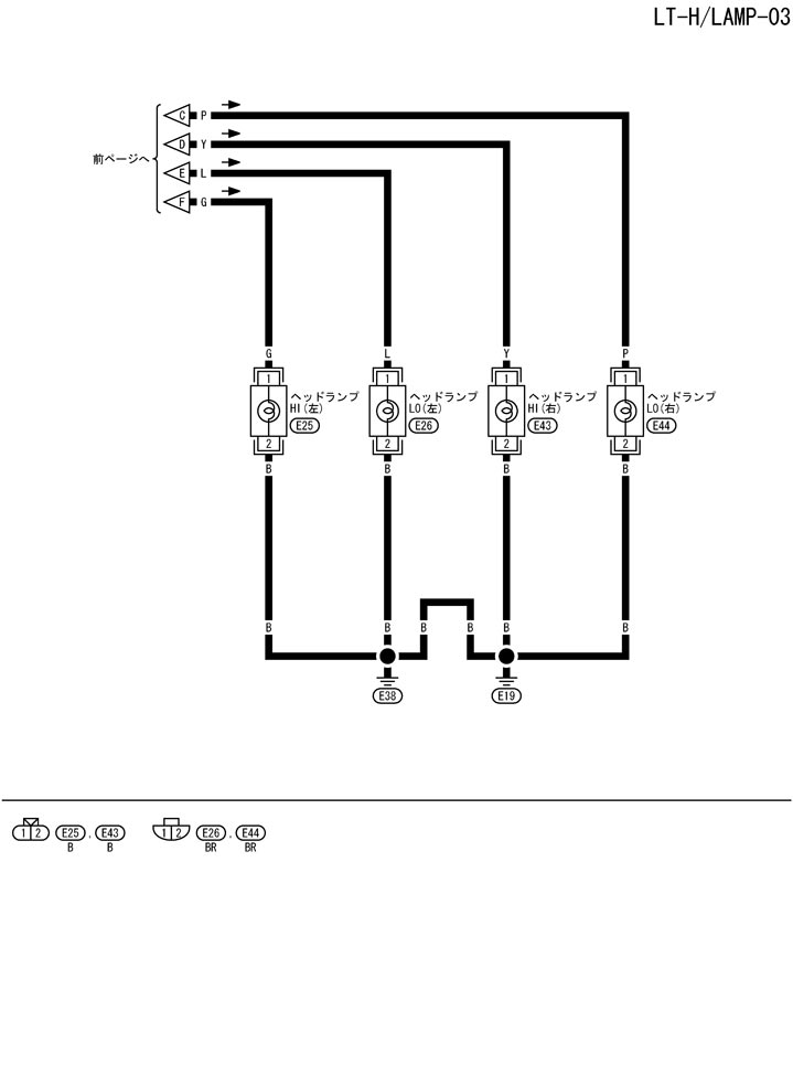
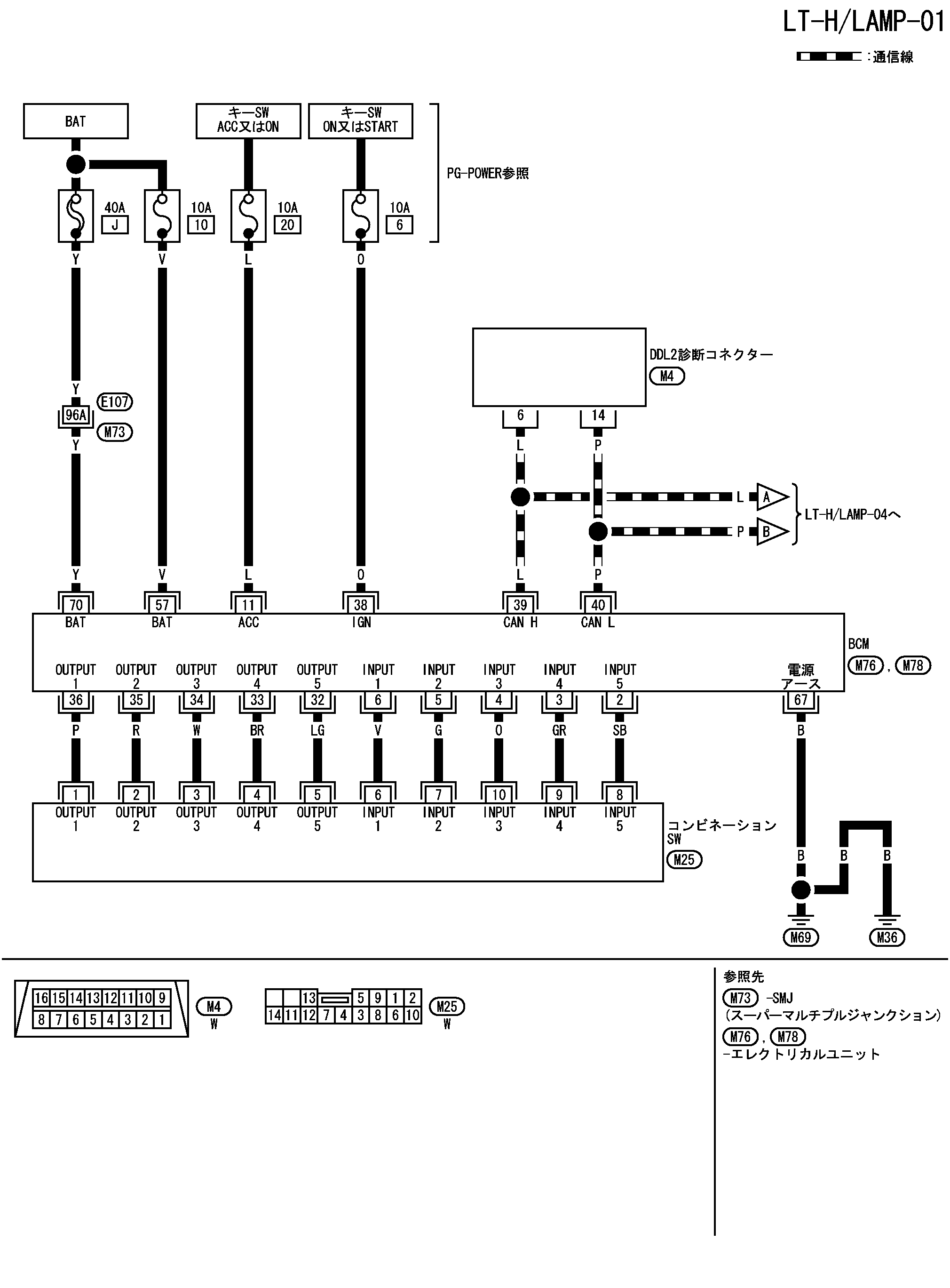
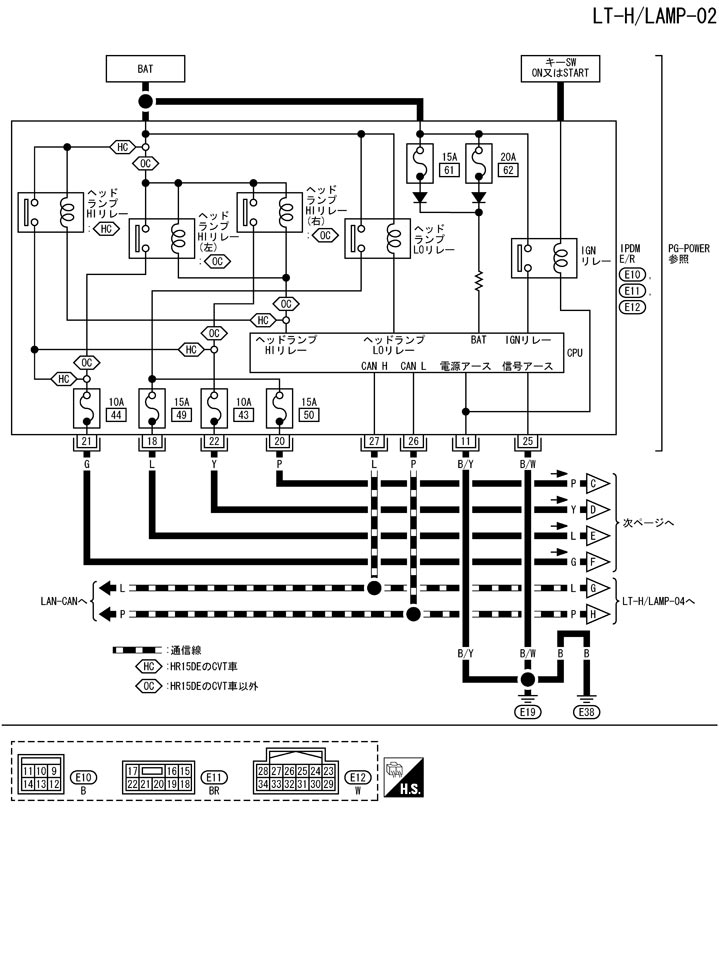
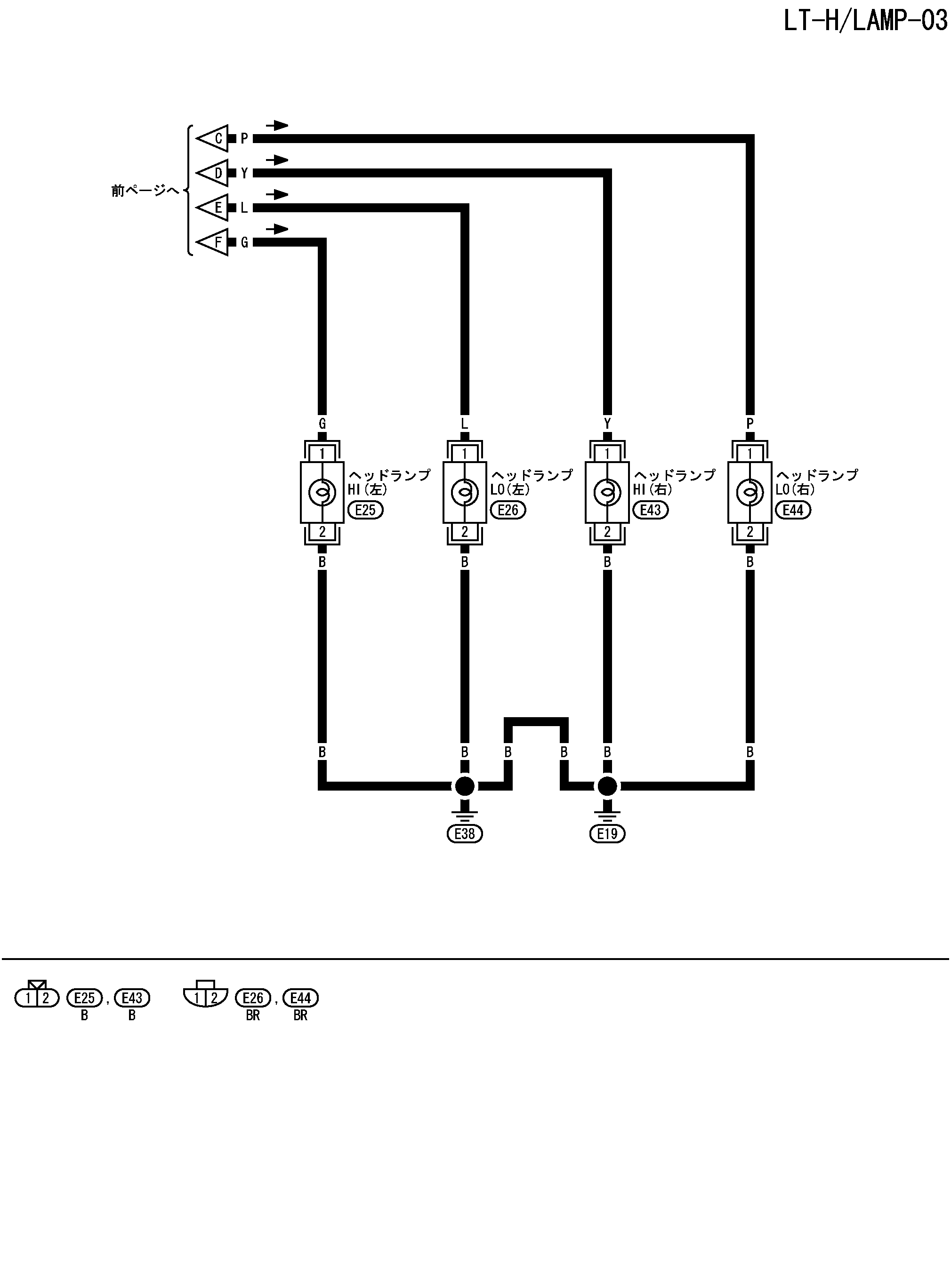
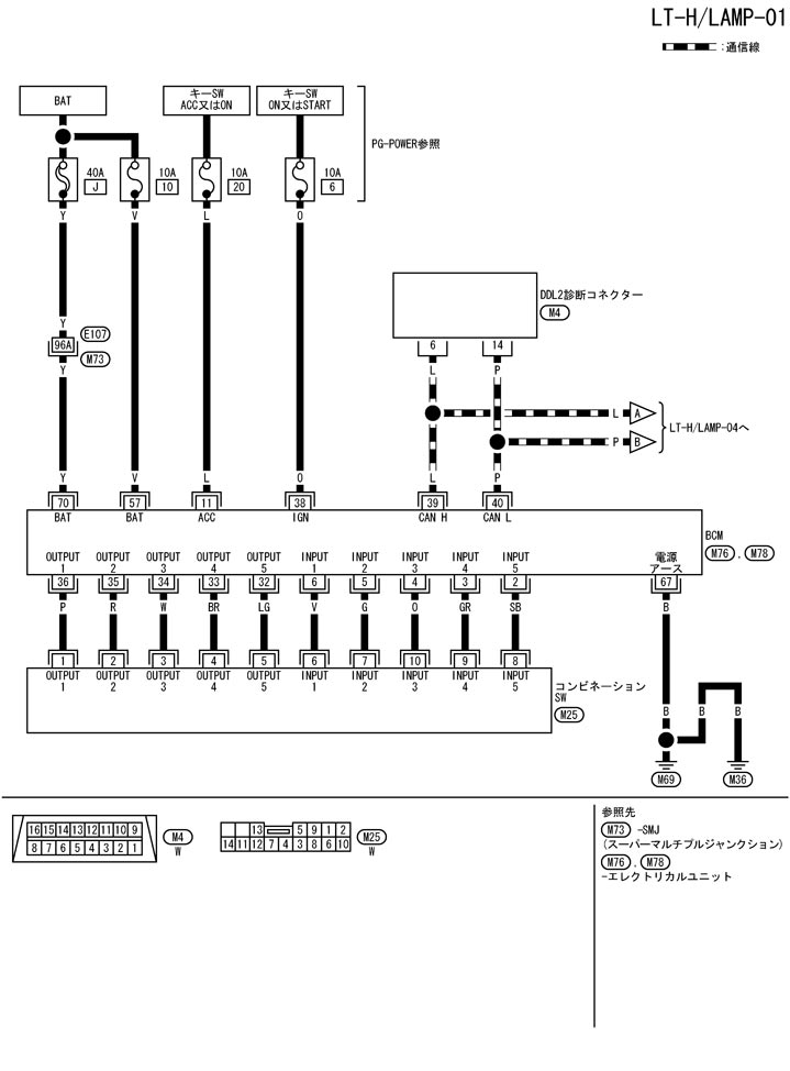
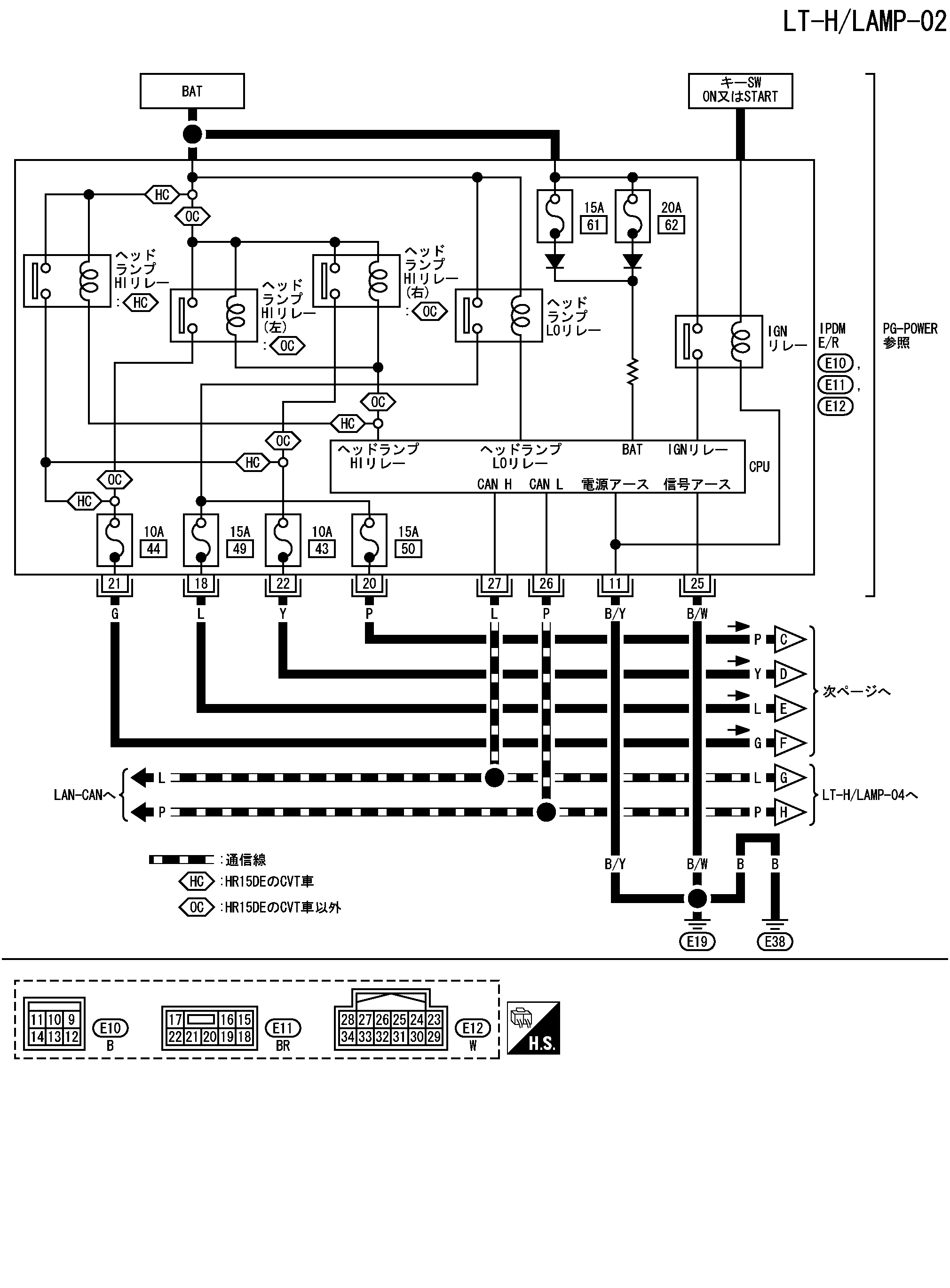
配線図 - h/lamp -ハロゲンヘッドランプ
配線図 - h/lamp -ハロゲンヘッドランプ
配線図 - H/LAMP -
📄
Открыть схему TKWB4352J.PDF
📄
Открыть схему TKWB4353J.PDF
📄
Открыть схему TKWB2861J.PDF
📄
Открыть схему TKWB4354J.PDF
Предыдущий: Схема галогенной фары
Назад
Следующий: Эталонное значение входного/выходного сигнала bcm галогенные фары
Вперед