ВИЗАТОР
Новости японской автоиндустрии
Главная
Новости
FAQ
Аукционы
Руководства по ремонту
Nissan Wingroad Y12: полное руководство по ремонту и обслуживанию на русском языке
Вы здесь:
Главная
Руководства по ремонту
Nissan Wingroad Y12: полное руководство по ремонту и обслуживанию на русском языке
Электрооборудование
Система освещения
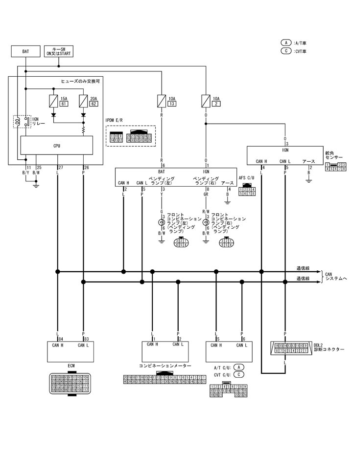
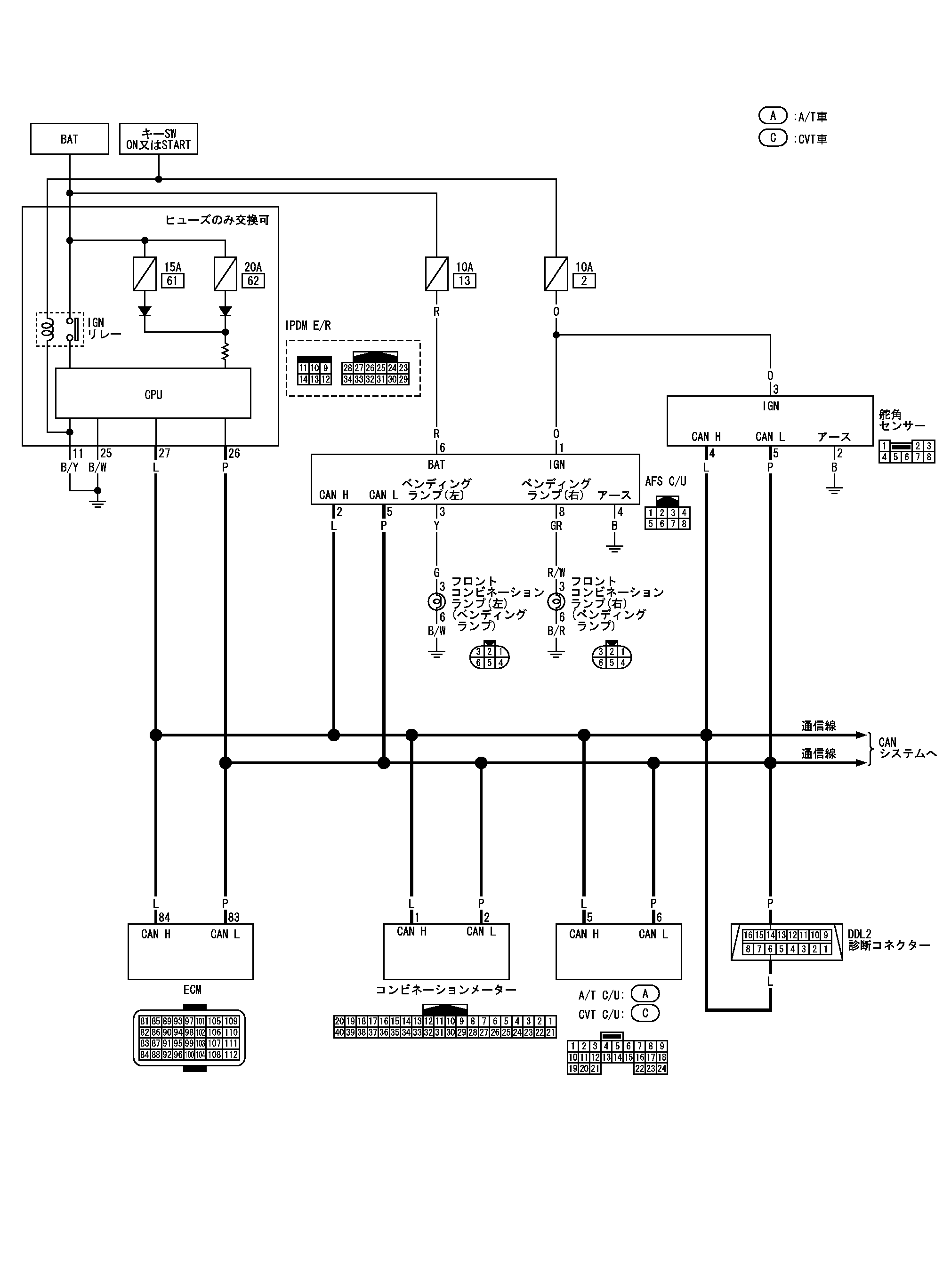
схема активного афс
схема активного афс
принципиальная схема
📄
Открыть схему TKWB2889J.PDF
Предыдущий: Монтажное положение компонента активный afs
Назад
Следующий: Схема подключения – afs – активный afs
Вперед