ВИЗАТОР
Новости японской автоиндустрии
Главная
Новости
FAQ
Аукционы
Руководства по ремонту
Nissan Wingroad Y12: полное руководство по ремонту и обслуживанию на русском языке
Вы здесь:
Главная
Руководства по ремонту
Nissan Wingroad Y12: полное руководство по ремонту и обслуживанию на русском языке
Электрооборудование
Питание, заземление, электрические компоненты
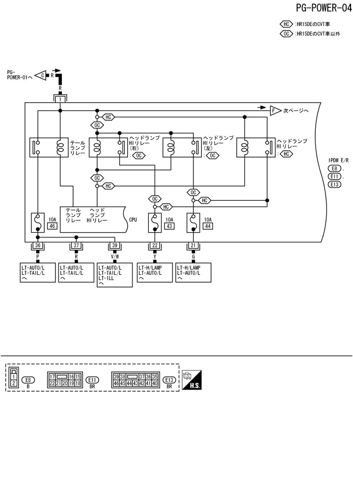
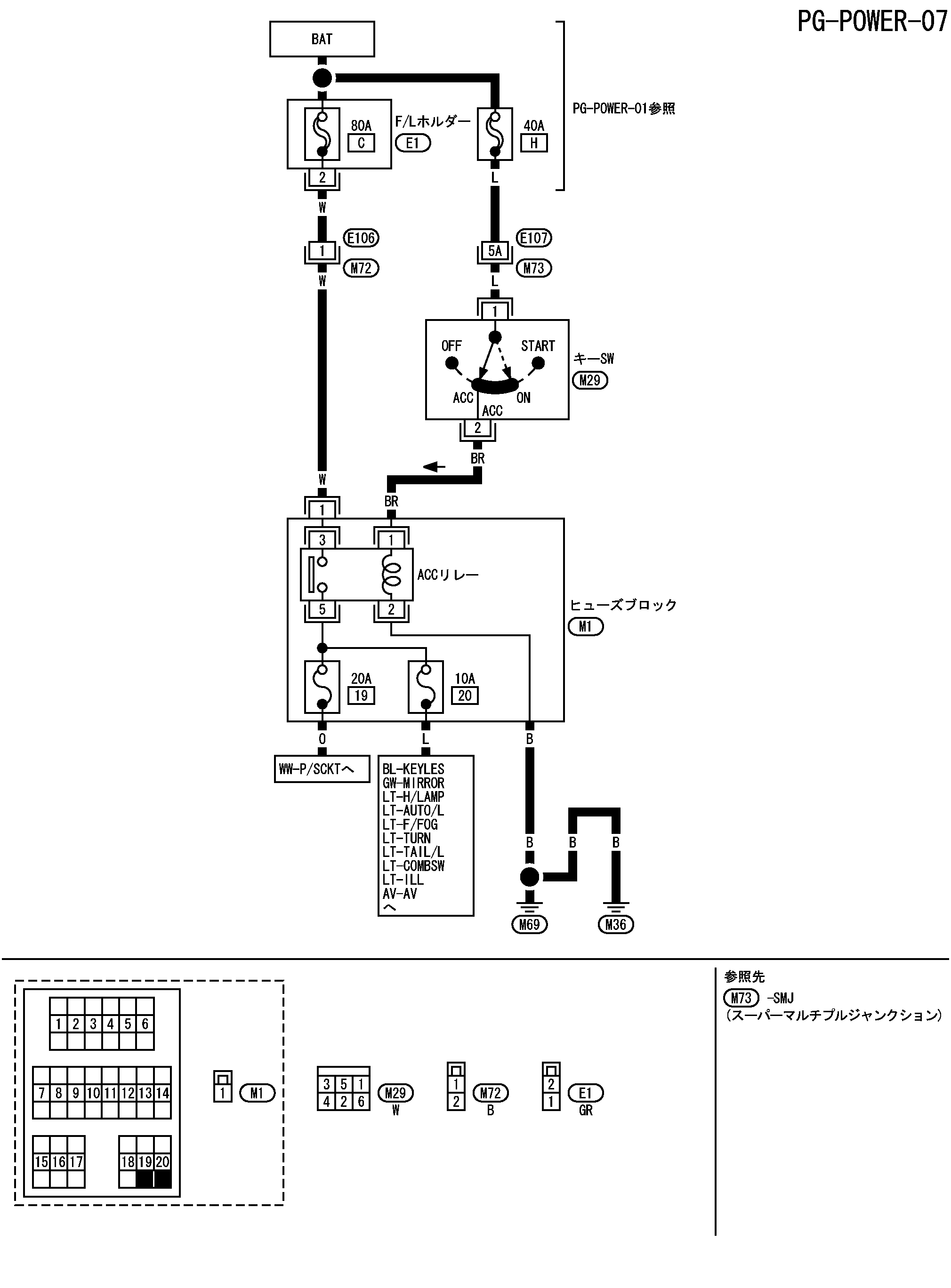
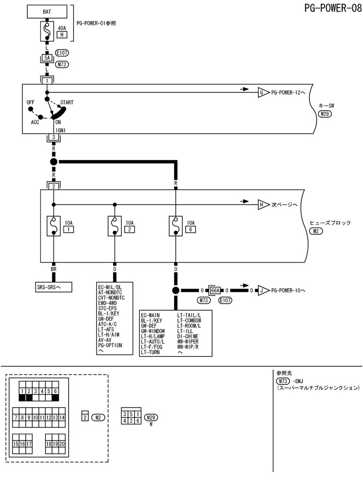
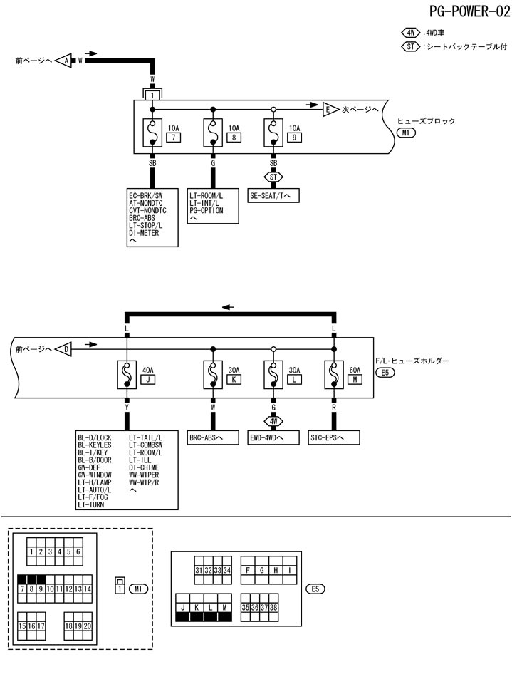
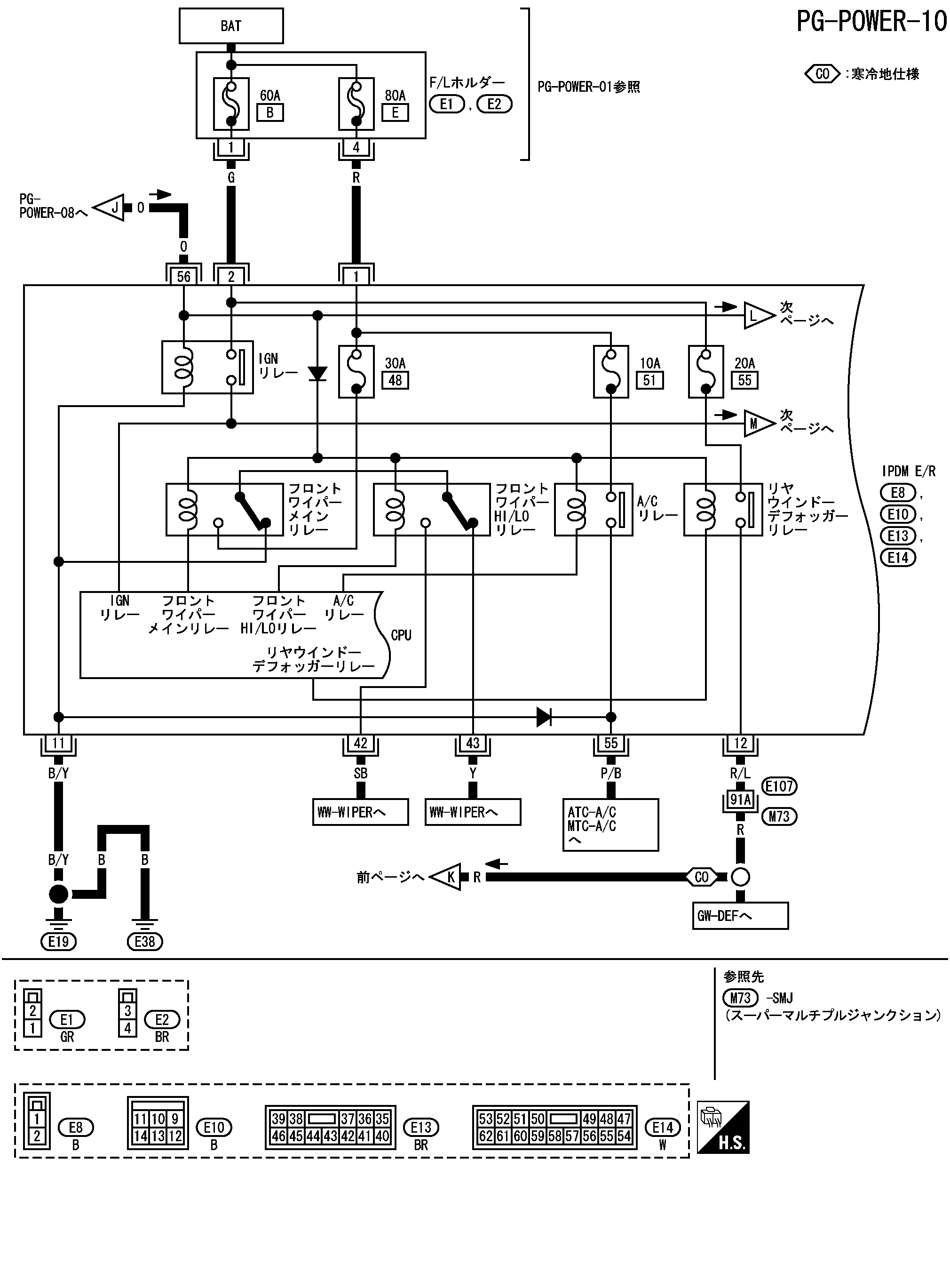
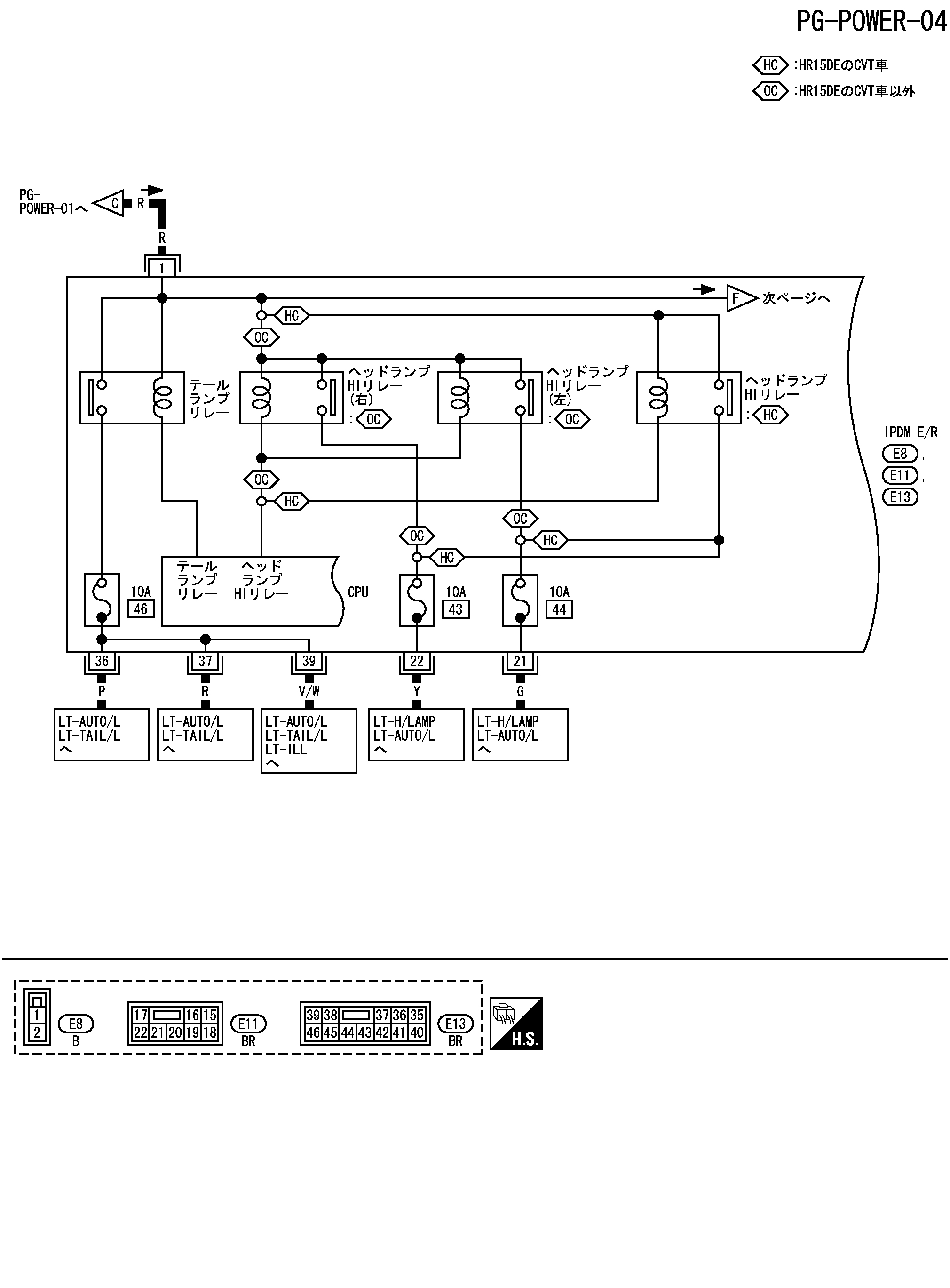
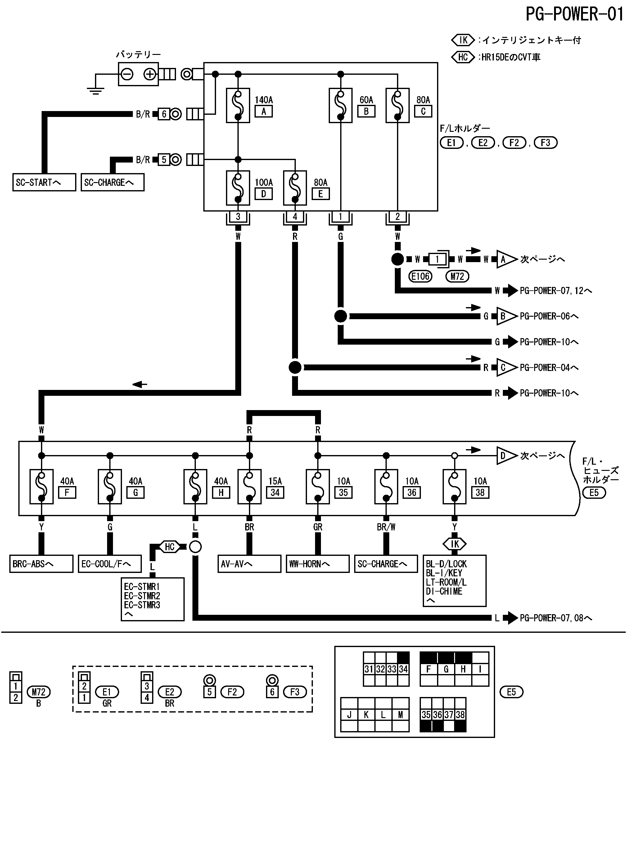
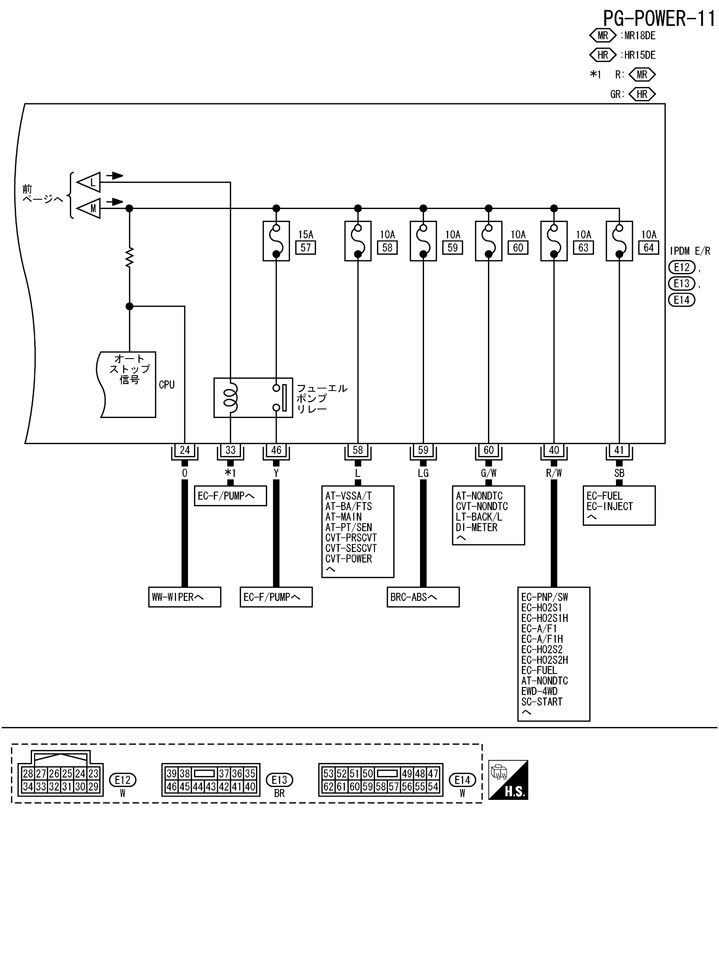
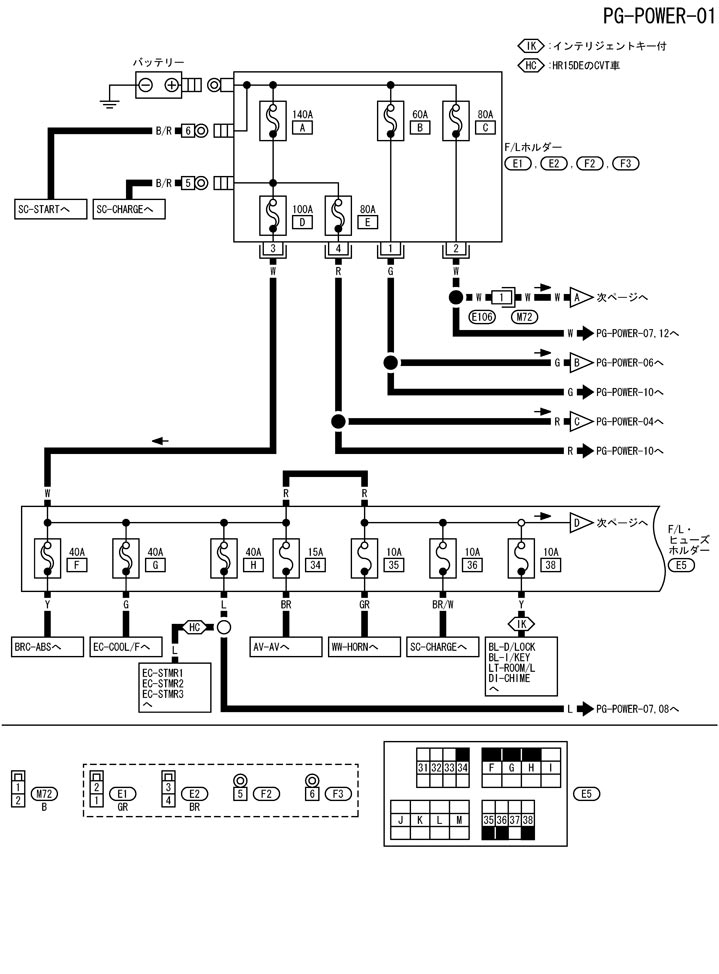
Схема подключения - питание - схема системы электропитания
Схема подключения - питание - схема системы электропитания
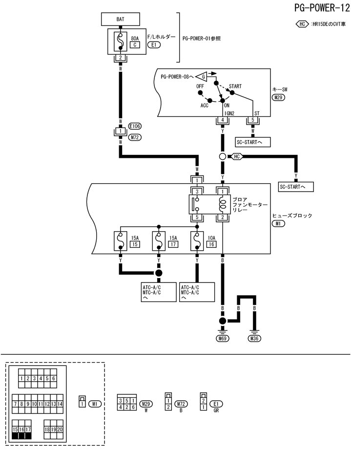
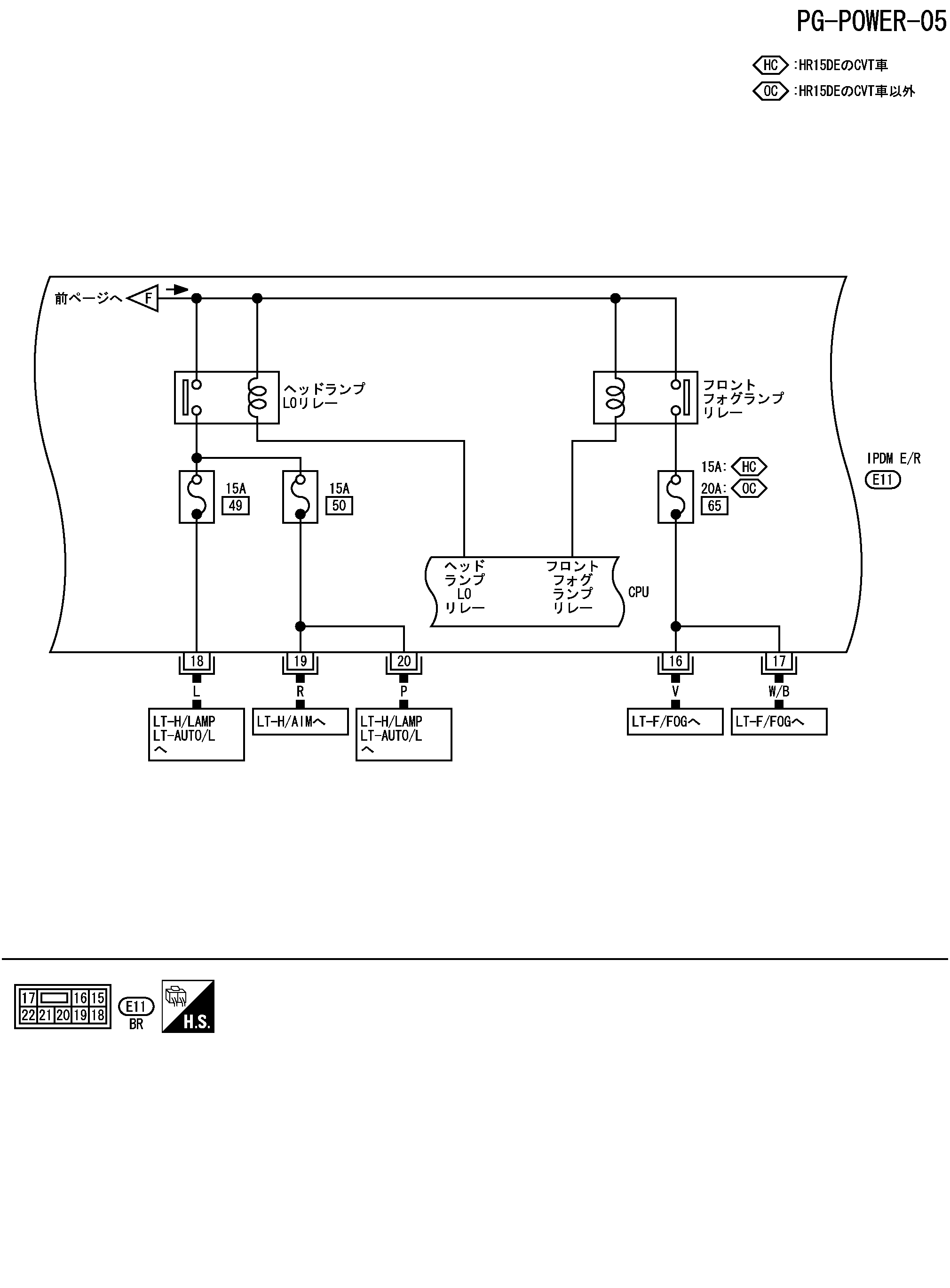
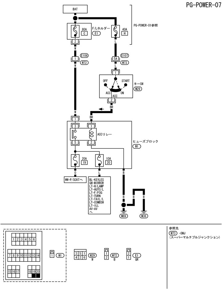
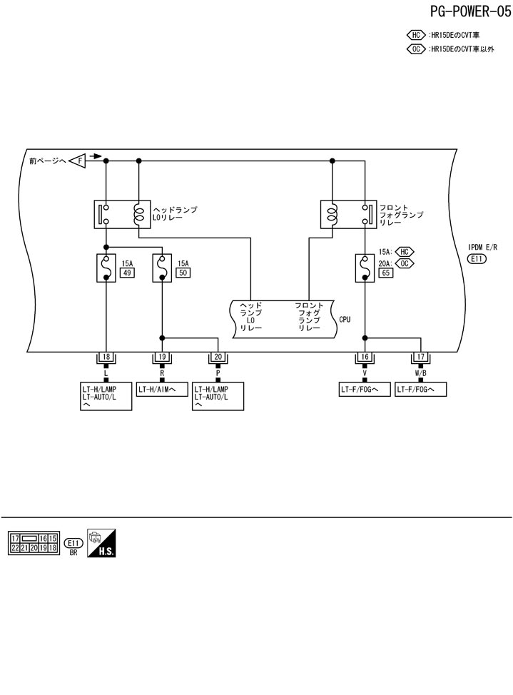
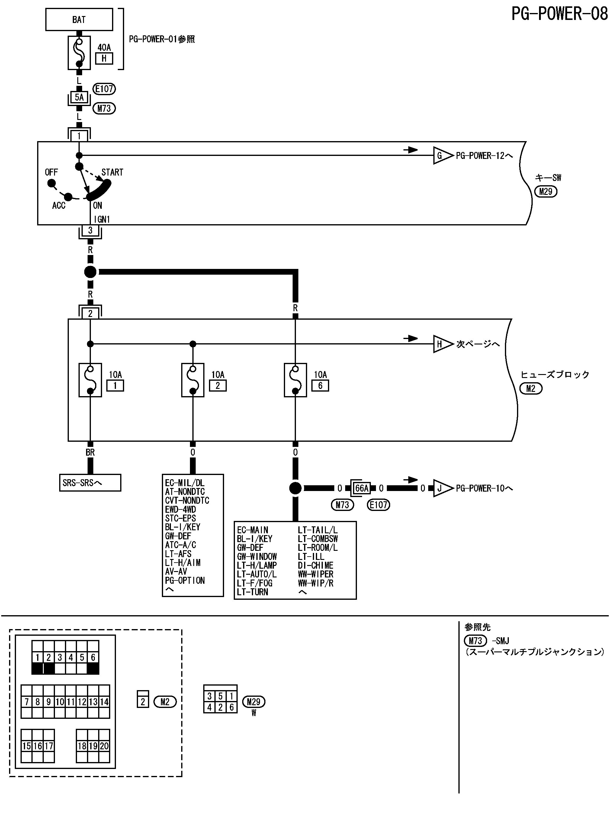
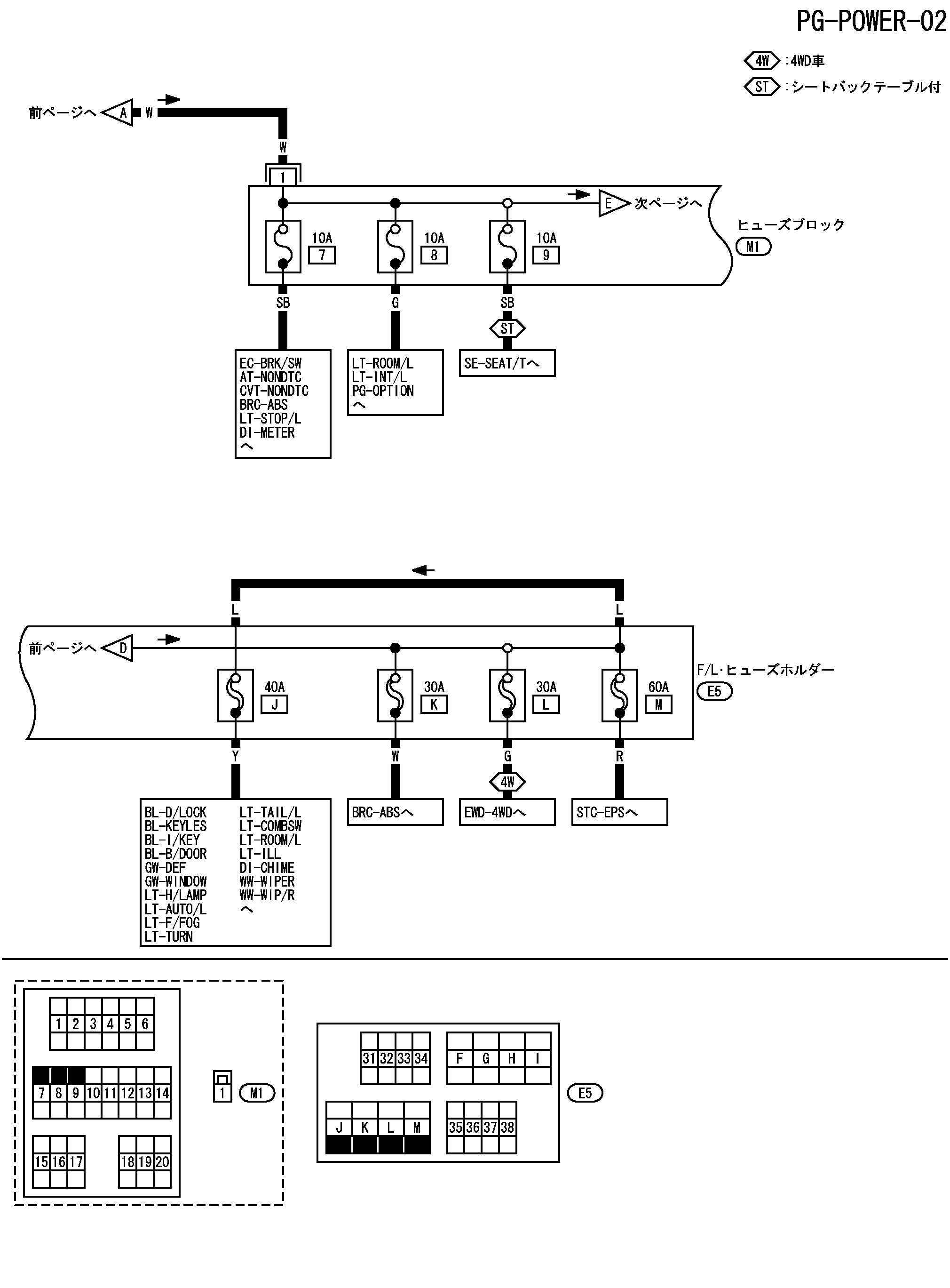
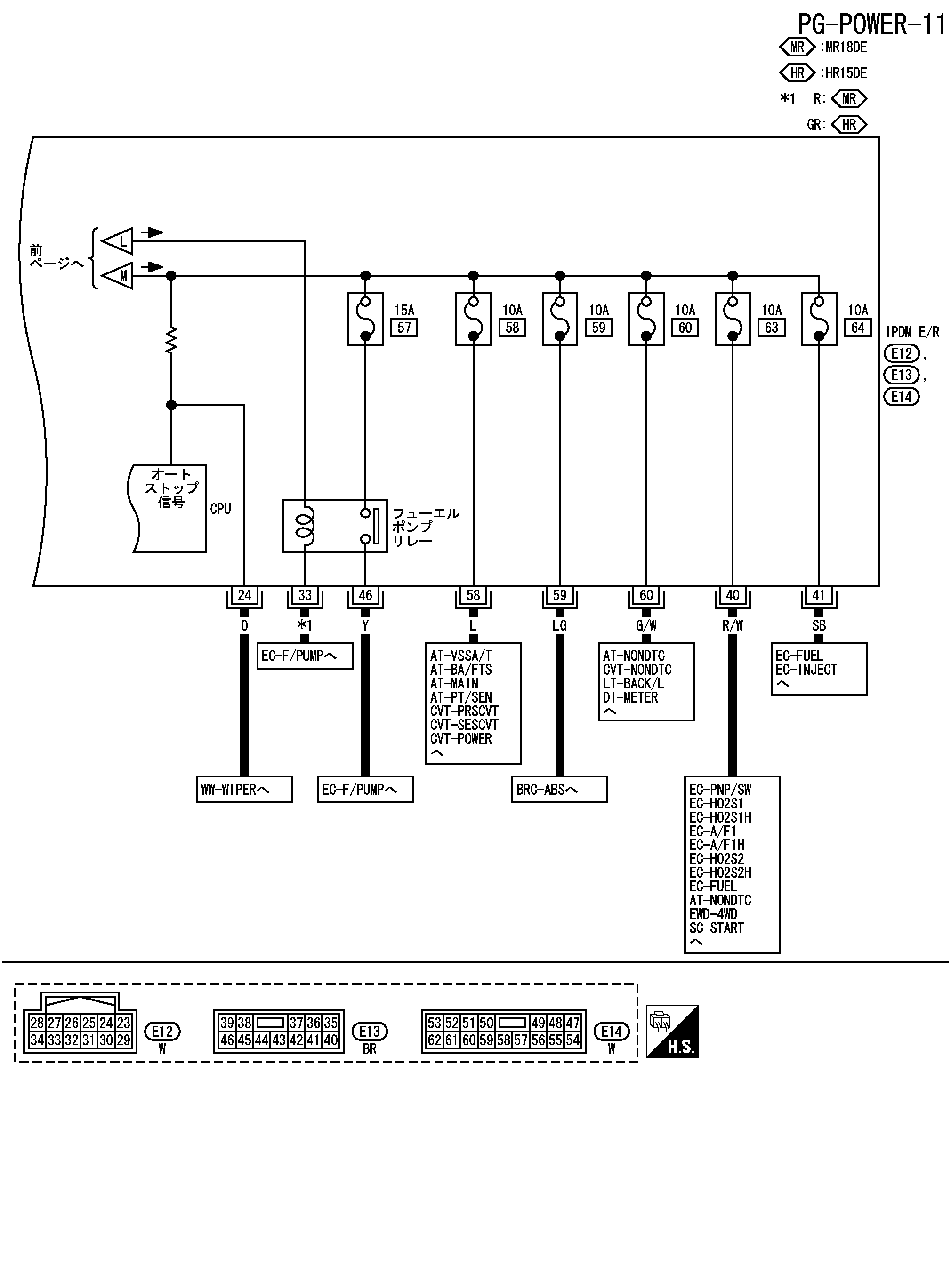
配線図 - POWER -
バッテリー電源系統図
📄
Открыть схему TKWB4442J.PDF
📄
Открыть схему TKWB2954J.PDF
📄
Открыть схему TKWB3561J.PDF
📄
Открыть схему TKWB4443J.PDF
📄
Открыть схему TKWB4444J.PDF
📄
Открыть схему TKWB4979J.PDF
アクセサリー電源系統図
📄
Открыть схему TKWB4446J.PDF
イグニッション/スタート電源系統図
📄
Открыть схему TKWB4447J.PDF
📄
Открыть схему TKWB2960J.PDF
📄
Открыть схему TKWB4448J.PDF
📄
Открыть схему TKWB4980J.PDF
📄
Открыть схему TKWB4616J.PDF
Предыдущий: Схема электрической системы
Назад
Следующий: Номер предохранителя Предохранитель и плавкая вставка
Вперед