ВИЗАТОР
Новости японской автоиндустрии
Главная
Новости
FAQ
Аукционы
Руководства по ремонту
Nissan Wingroad Y12: полное руководство по ремонту и обслуживанию на русском языке
Вы здесь:
Главная
Руководства по ремонту
Nissan Wingroad Y12: полное руководство по ремонту и обслуживанию на русском языке
Электрооборудование
Питание, заземление, электрические компоненты
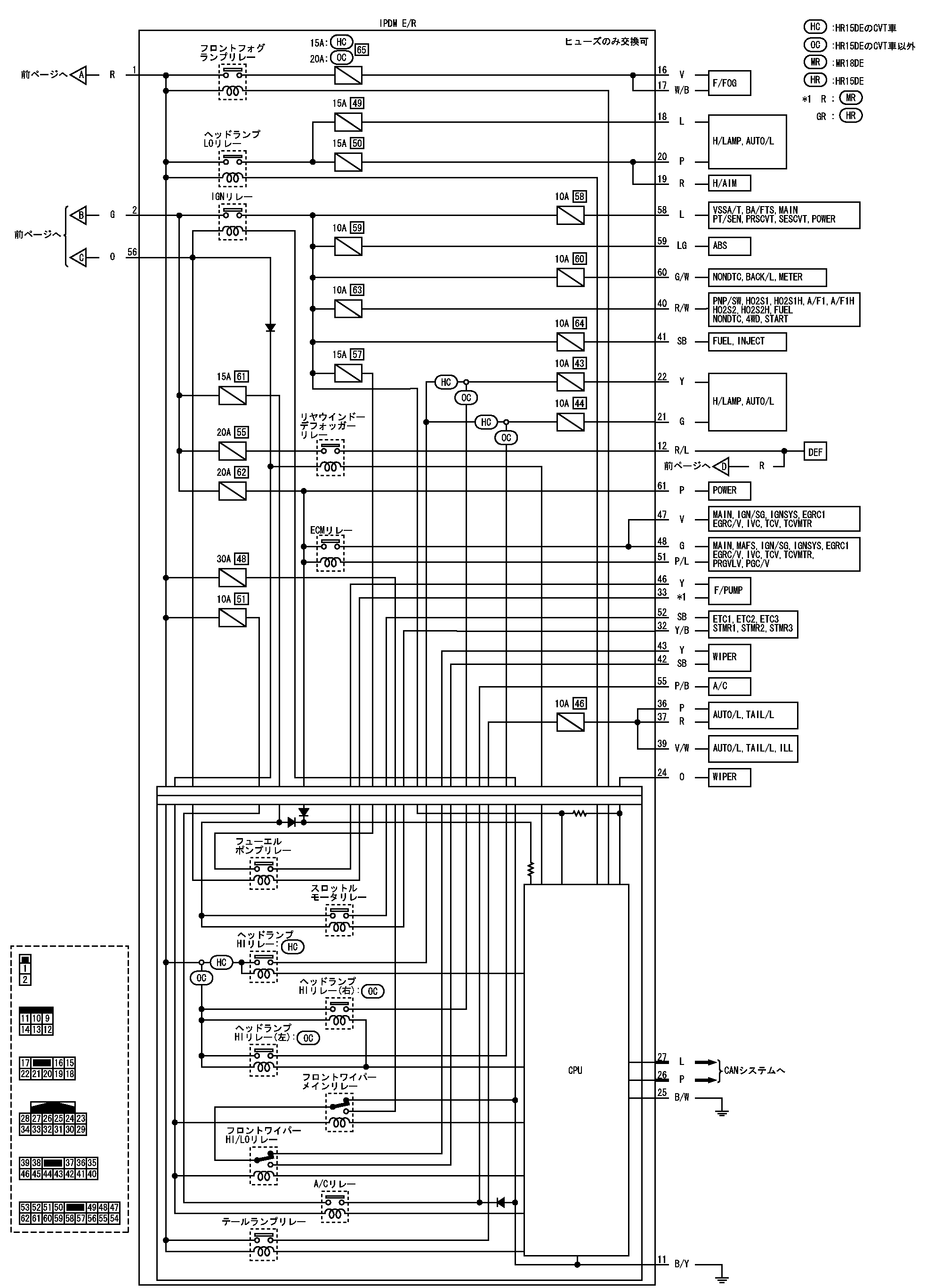
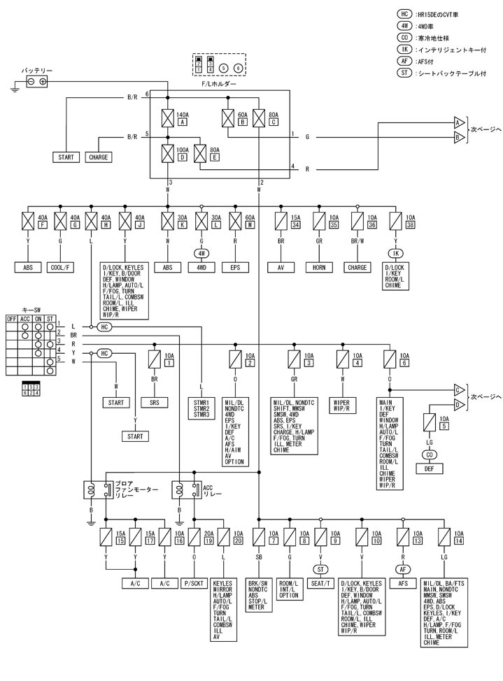
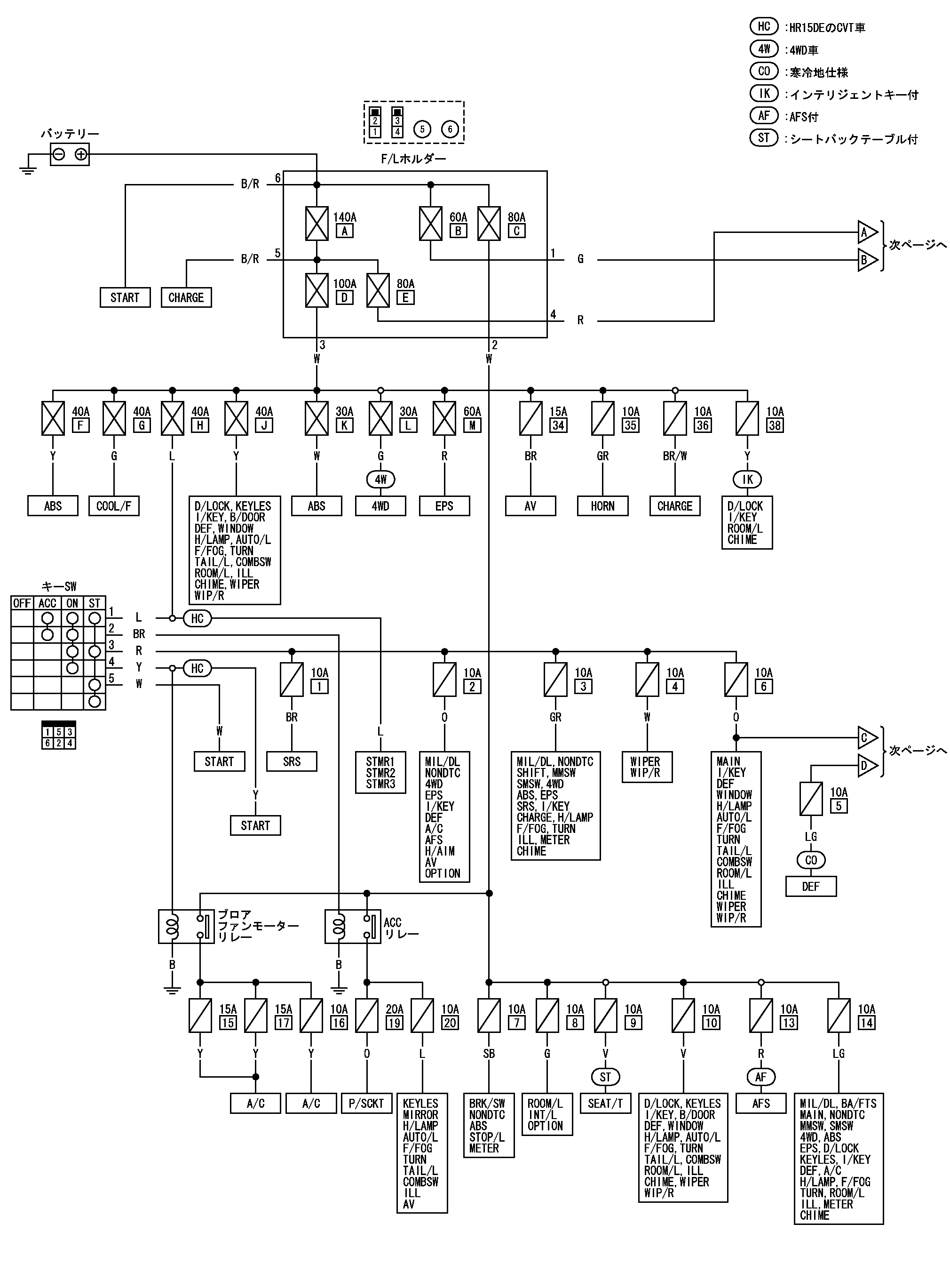
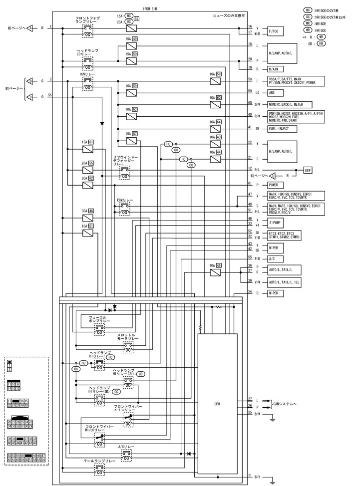
Схема электрической системы
Схема электрической системы
принципиальная схема
📄
Открыть схему TKWB4612J.PDF
📄
Открыть схему TKWB4978J.PDF
Предыдущий: список b2099-b209edtc
Назад
Следующий: Схема подключения - питание - схема системы электропитания
Вперед