ВИЗАТОР
Новости японской автоиндустрии
Главная
Новости
FAQ
Аукционы
Руководства по ремонту
Nissan Wingroad Y12: полное руководство по ремонту и обслуживанию на русском языке
Вы здесь:
Главная
Руководства по ремонту
Nissan Wingroad Y12: полное руководство по ремонту и обслуживанию на русском языке
Двигатель
Система управления двигателем
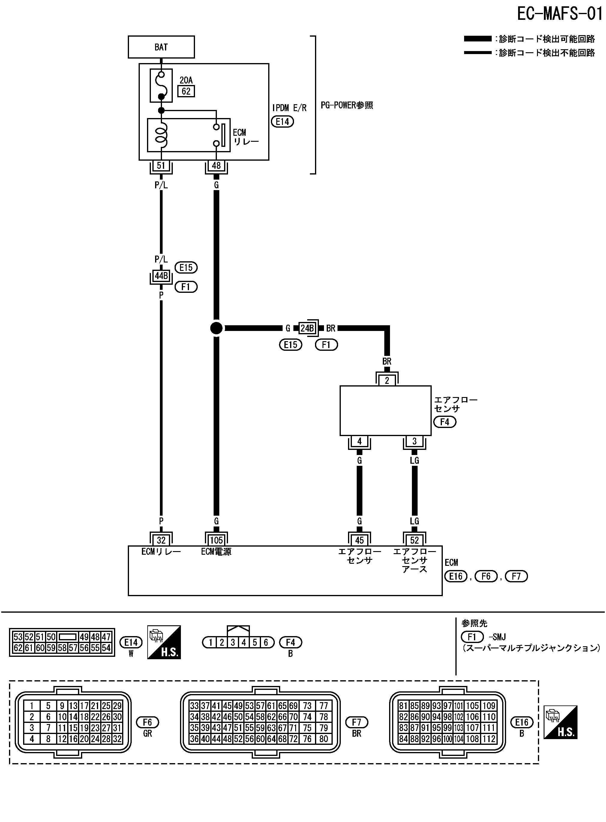
Схема подключения — mafs — dtc p0102, p0103 датчик расхода воздуха
Схема подключения — mafs — dtc p0102, p0103 датчик расхода воздуха
配線図 - MAFS -
📄
Открыть схему TBWB1244J.PDF
Предыдущий: Процедура выполнения самодиагностики dtc p0102, p0103 Датчик массового расхода воздуха
Назад
Следующий: Процедура диагностики неисправности dtc p0102, p0103 датчик массового расхода воздуха
Вперед