ВИЗАТОР
Новости японской автоиндустрии
Главная
Новости
FAQ
Аукционы
Руководства по ремонту
Nissan Wingroad Y12: полное руководство по ремонту и обслуживанию на русском языке
Вы здесь:
Главная
Руководства по ремонту
Nissan Wingroad Y12: полное руководство по ремонту и обслуживанию на русском языке
Трансмиссия
Вариатор (CVT)
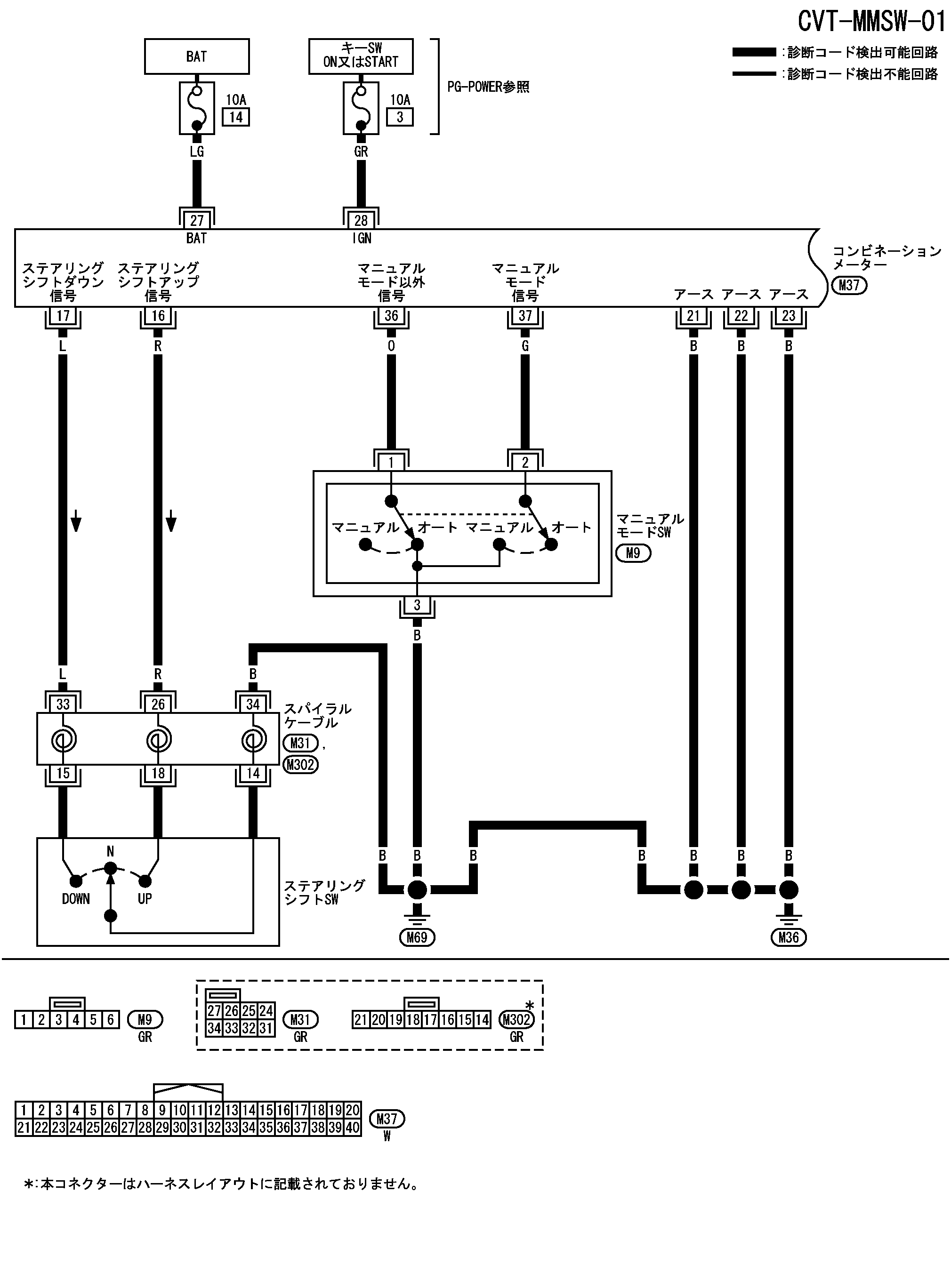
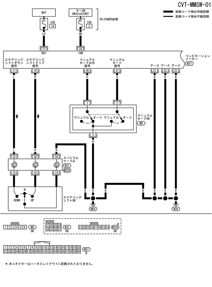
Схема подключения - mmsw - dtc p0826 m mode system sw
Схема подключения - mmsw - dtc p0826 m mode system sw
配線図 - MMSW -
📄
Открыть схему TCWB0524J.PDF
📄
Открыть схему TCWB0525J.PDF
Предыдущий: Логика самодиагностики dtc p0826 m mode system sw
Назад
Следующий: Процедура проверки dtc p0826 m mode system sw
Вперед