ВИЗАТОР
Новости японской автоиндустрии
Главная
Новости
FAQ
Аукционы
Руководства по ремонту
Nissan Wingroad Y12: полное руководство по ремонту и обслуживанию на русском языке
Вы здесь:
Главная
Руководства по ремонту
Nissan Wingroad Y12: полное руководство по ремонту и обслуживанию на русском языке
Трансмиссия
Автоматическая коробка передач (A/T)
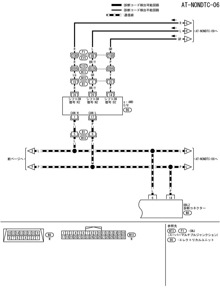
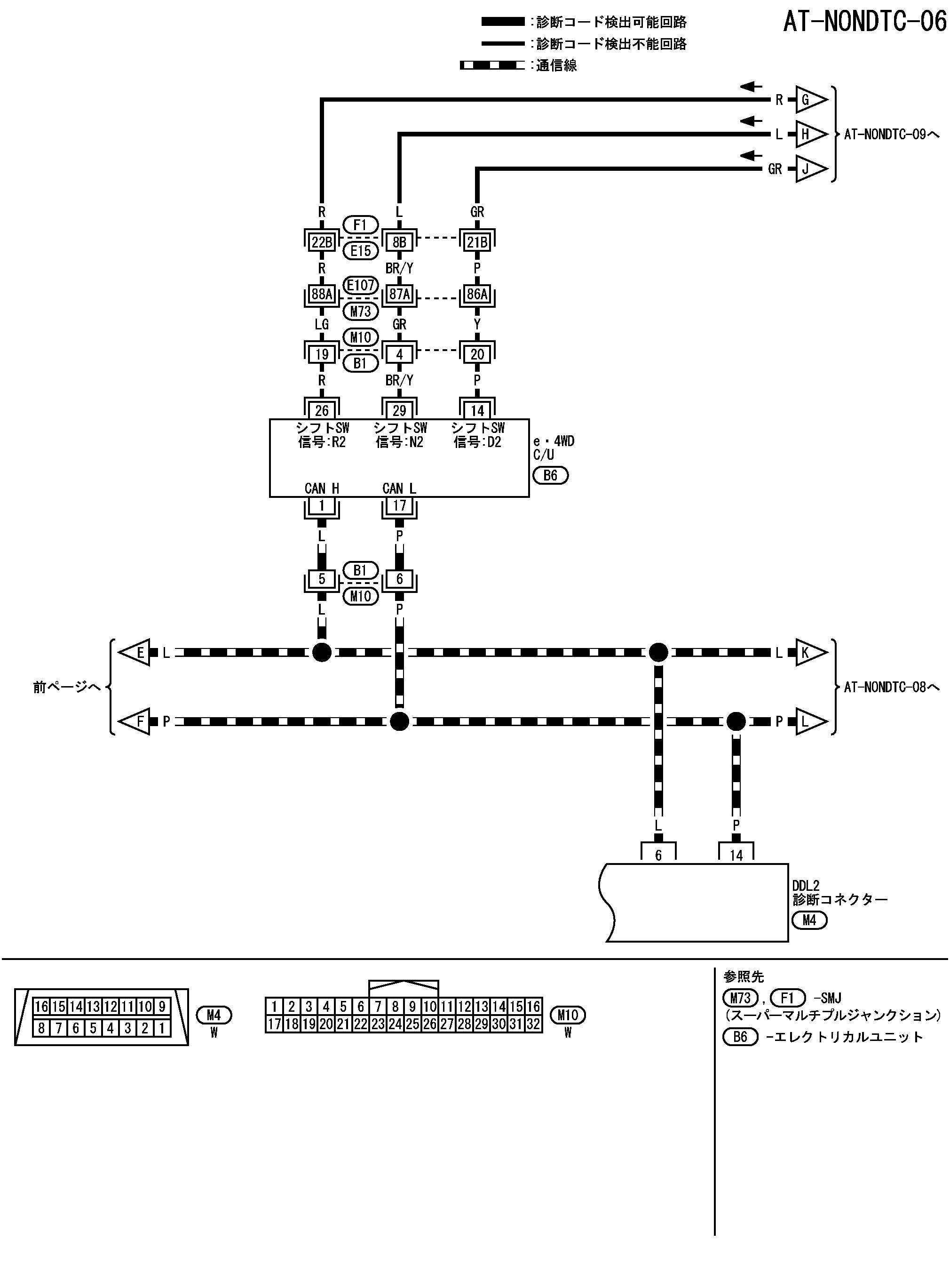
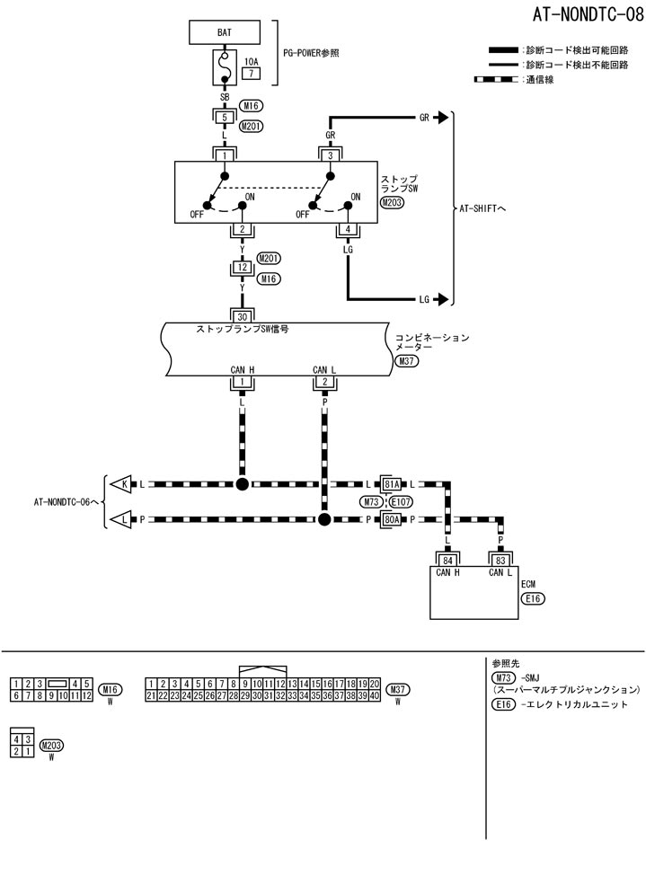
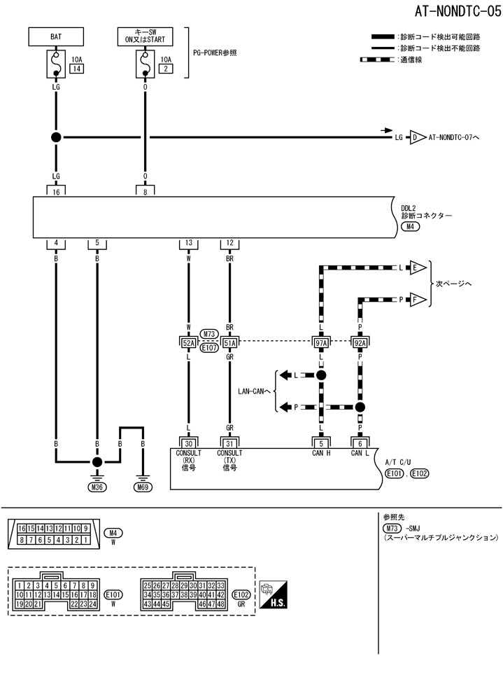
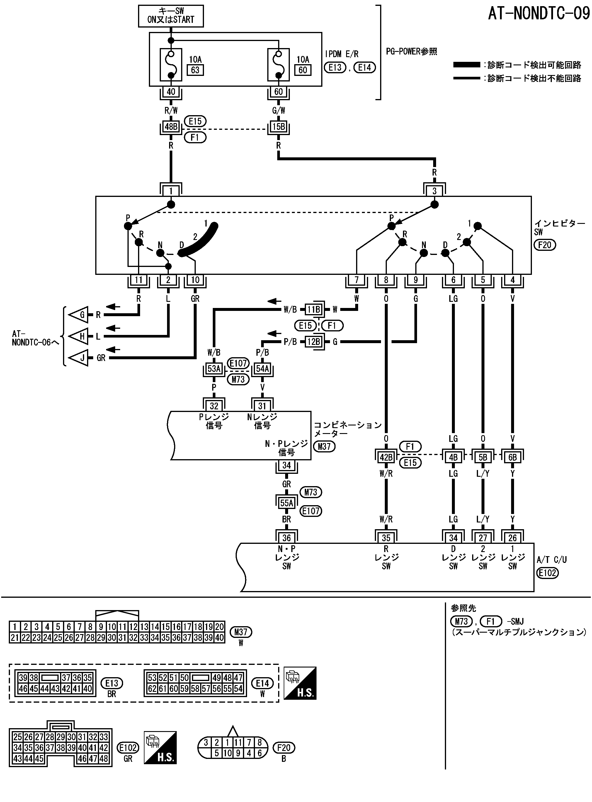
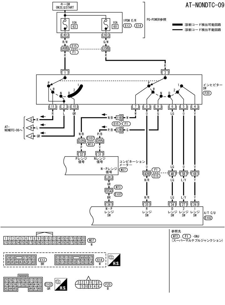
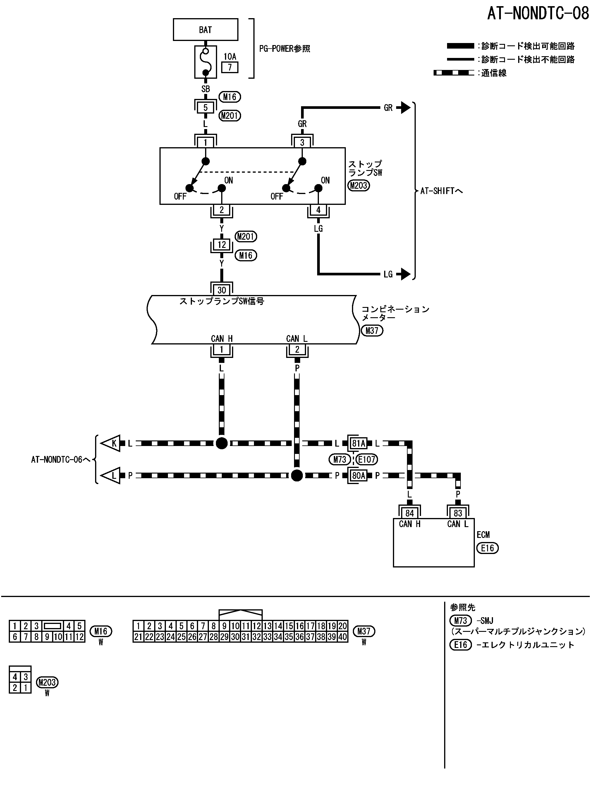
Схема подключения - nondtc - (4wd) Диагностика неисправностей по явлению
Схема подключения - nondtc - (4wd) Диагностика неисправностей по явлению
配線図 - NONDTC - (4WD)
📄
Открыть схему TCWB0496J.PDF
📄
Открыть схему TCWB0497J.PDF
📄
Открыть схему TCWB0498J.PDF
📄
Открыть схему TCWB0499J.PDF
📄
Открыть схему TCWB0500J.PDF
Предыдущий: a/t c/u опорное значение входного/выходного сигнала (4wd) диагностика неисправности по явлению
Назад
Следующий: Диагностика неисправности по явлению, когда контрольная лампа o/d off не загорается
Вперед