ВИЗАТОР
Новости японской автоиндустрии
Главная
Новости
FAQ
Аукционы
Руководства по ремонту
Nissan Wingroad Y12: полное руководство по ремонту и обслуживанию на русском языке
Вы здесь:
Главная
Руководства по ремонту
Nissan Wingroad Y12: полное руководство по ремонту и обслуживанию на русском языке
Кондиционирование
Ручной кондиционер
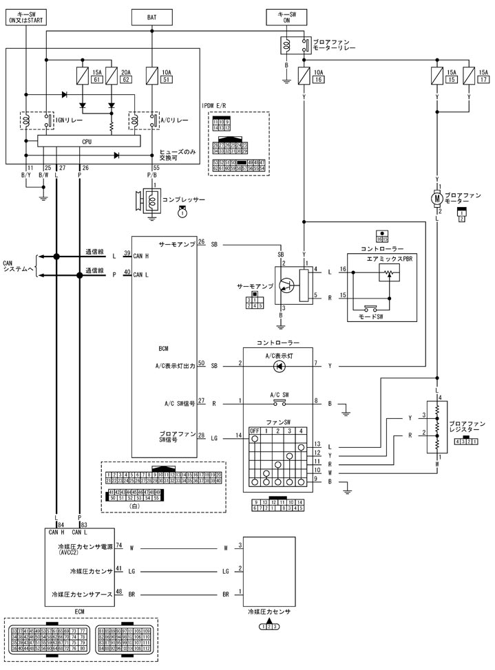
Схема системы кондиционирования
Схема системы кондиционирования
принципиальная схема
Предыдущий: Инструкция по эксплуатации системы кондиционирования
Назад
Следующий: Компоненты системы кондиционирования воздуха
Вперед