ВИЗАТОР
Новости японской автоиндустрии
Главная
Новости
FAQ
Аукционы
Руководства по ремонту
Nissan Wingroad Y12: полное руководство по ремонту и обслуживанию на русском языке
Вы здесь:
Главная
Руководства по ремонту
Nissan Wingroad Y12: полное руководство по ремонту и обслуживанию на русском языке
Электрооборудование
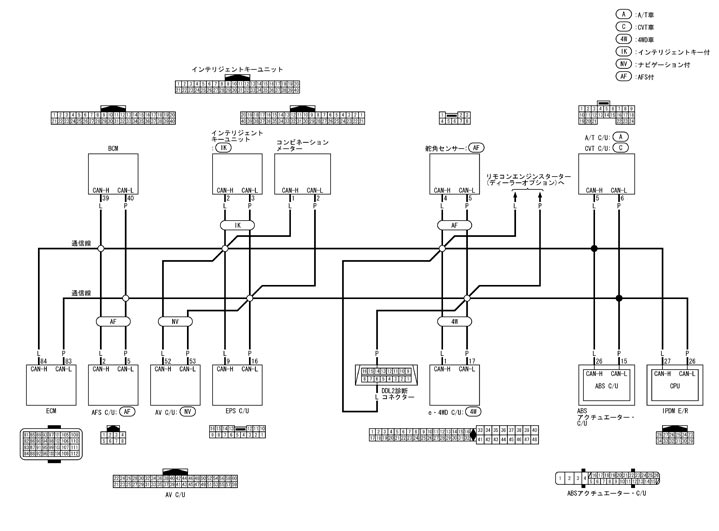
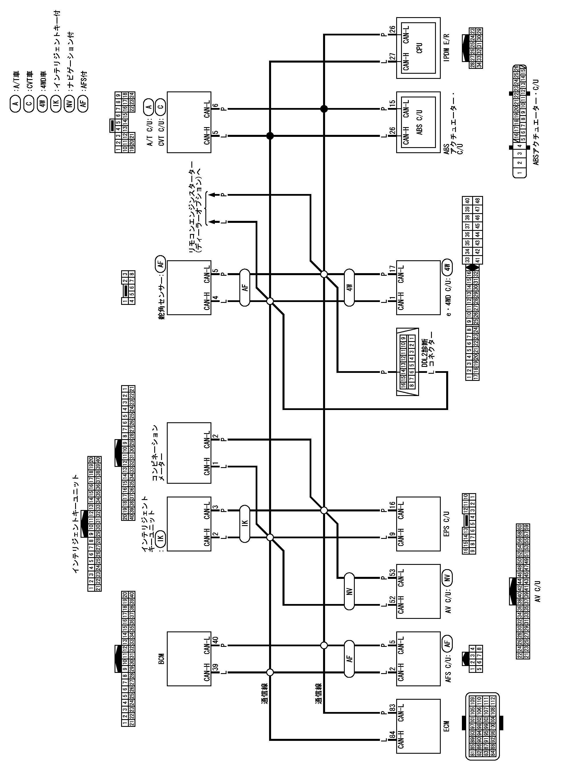
Сеть LAN (CAN)
Принципиальная схема может система связи
Принципиальная схема может система связи
принципиальная схема
📄
Открыть схему TKWB4414J.PDF
Предыдущий: Монтажное положение компонента Система связи CAN
Назад
Следующий: Схема подключения системы связи can-can
Вперед