Режим самодиагностики


    1.診断機能を起動し“自己診断”を選択する。
    PKID1153J.JPG
    • 自己診断中画面を表示し、自己診断モードとなる。
    • 画面中央のバーグラフで診断の進捗度合いを表示する。
    2.自己診断が終了すると、診断結果が画面に表示され、ユニット名称の画面スイッチとユニット間の接続線を診断結果に応じて色分けして表示する。
    PKID1154J.JPG

    診断結果
    ユニット
    接続線
    正常
    緑色
    緑色
    接続異常
    灰色
    黄色
    ユニット異常
    赤色
    緑色
    参考:
    コントロールユニット(AV C/U)、ETCのみ赤色表示になる。


    • 診断結果画面に、“コントロールユニットが異常のため自己診断ができません”と表示された場合は、AV C/U内部異常のため、AV C/Uを交換する。
    • 1つのユニットに対して、複数のエラーが同時に起こった場面の画面スイッチ色は赤>黄>灰の優先順位により決定される。
    • 診断結果画面内の画面スイッチを選択すると診断結果のコメントが表示される。
      PKID1155J.JPG
 
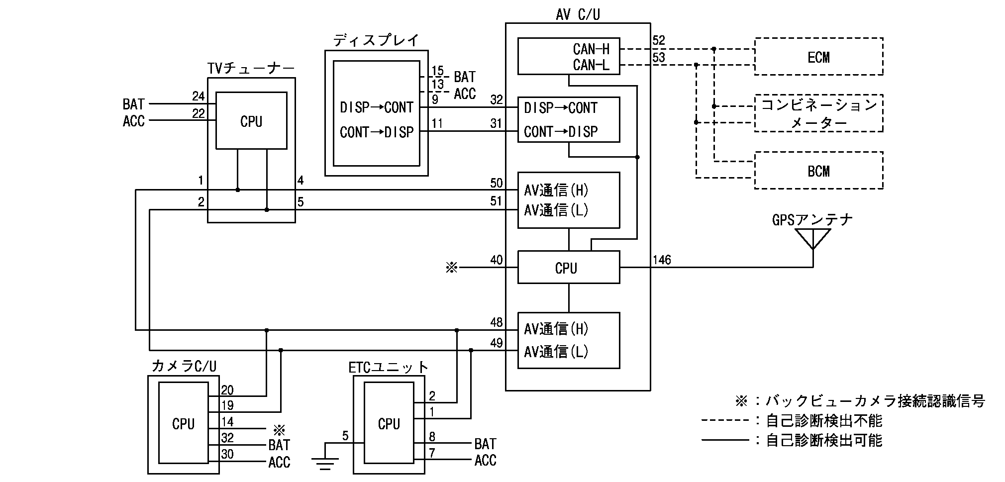
 自己診断モードの検出範囲

  • 自己診断モードでは、AV C/U〜各ユニット間の通信系統の接続診断、AV C/U内部の診断、及びETCユニット本体の診断を行うことができる。
  • 診断機能の起動条件がスイッチ操作のため、AV C/Uに異常が発生した場合は、オンボード診断機能は起動しない。
    SKIB9132J.JPG

 
 診断結果

下表から該当する表示を確認し、不具合部位を修復する。
 
 自己診断結果早見表
診断結果画面
診断内容
推定不具合部位

PKID1156J.JPG
AV C/U電源及びアース回路に異常がある
AV C/U電源及びアース回路点検し、異常が無ければAV C/Uを交換する
「コントロールユニットが異常のため自己診断できません」
AV C/Uに異常を検出した
AV C/Uを交換する

PKID1157J.JPG
ETCユニットに異常を検出した
ETCユニットを交換する

PKID1162J.JPG
GPSアンテナ接続異常を検出した
  • GPSアンテナ
  • AV C/U

PKID1161J.JPG
  • TVチューナー電源及びアース回路に異常がある
  • AV C/U〜TVチューナー間AV通信信号に異常を検出した
  • TVチューナー電源及びアース回路
  • TVチューナー
  • AV C/U

PKID1158J.JPG
  • AV C/U〜ディスプレイ間通信回路に異常がある
  • AV C/U〜ディスプレイ間通信信号に異常を検出した
  • AV C/U〜ディスプレイ間通信回路
  • ディスプレイ
  • AV C/U

PKID1160J.JPG
バックビューカメラ接続認識信号回路に異常がある
  • バックビューカメラ接続認識信号回路
  • カメラ C/U
  • AV C/U

PKID1159J.JPG
  • ETCユニット電源及びアース回路に異常がある
  • ETCユニット〜TVチューナー間AV通信回路に異常がある
  • AV C/U〜ETCユニット間AV通信信号に異常を検出した
  • ETCユニット電源及びアース回路
  • ETCユニット〜TVチューナー間AV通信回路
  • ETCユニット
  • AV C/U

PKID1163J.JPG
AV C/U〜TVチューナー間AV通信回路に異常がある
  • AV C/U〜TVチューナー間AV通信回路
  • TVチューナー
  • AV C/U

 
 通信系統回路図