ВИЗАТОР
Новости японской автоиндустрии
Главная
Новости
FAQ
Аукционы
Руководства по ремонту
Nissan Wingroad Y12: полное руководство по ремонту и обслуживанию на русском языке
Вы здесь:
Главная
Руководства по ремонту
Nissan Wingroad Y12: полное руководство по ремонту и обслуживанию на русском языке
Трансмиссия
Вариатор (CVT)
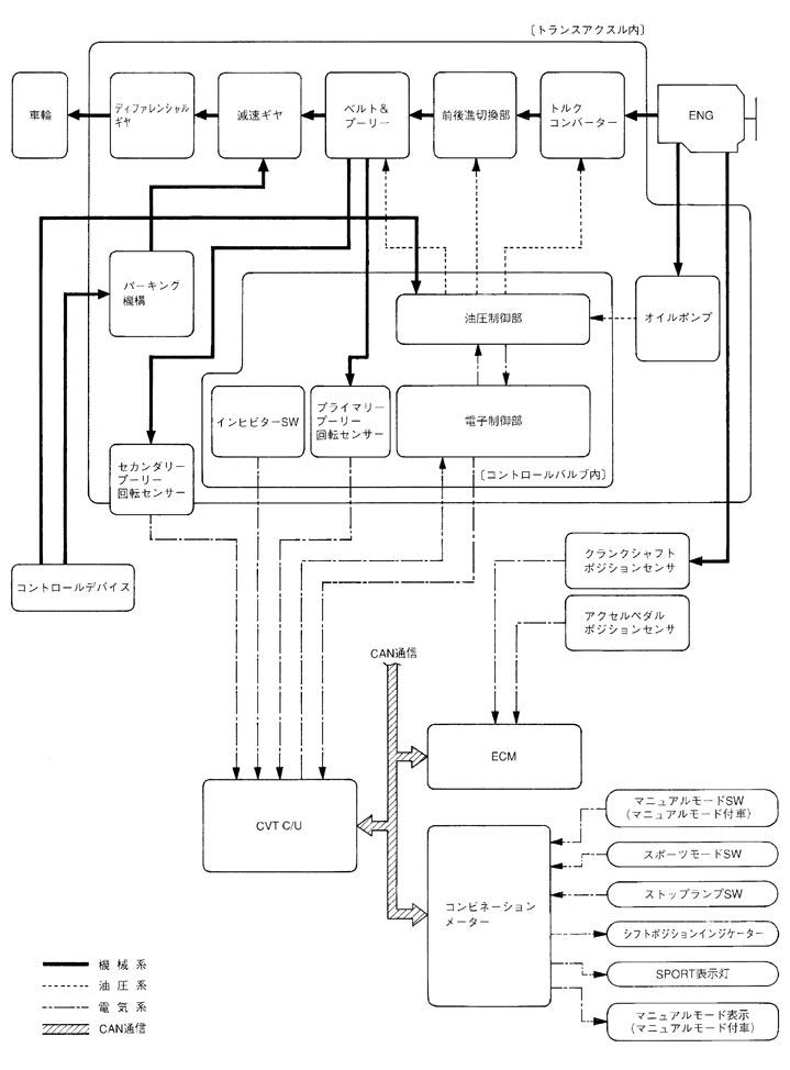
Схема системы Xtronic вариатор [тип re0f08a]
Схема системы Xtronic вариатор [тип re0f08a]
Схема системы
Предыдущий: Технические характеристики Xtronic CVT [тип re0f08a]
Назад
Следующий: Гидравлическое управление Xtronic CVT [тип re0f08a]
Вперед