ВИЗАТОР
Новости японской автоиндустрии
Главная
Новости
FAQ
Аукционы
Руководства по ремонту
Nissan Wingroad Y12: полное руководство по ремонту и обслуживанию на русском языке
Вы здесь:
Главная
Руководства по ремонту
Nissan Wingroad Y12: полное руководство по ремонту и обслуживанию на русском языке
Трансмиссия
Вариатор (CVT)
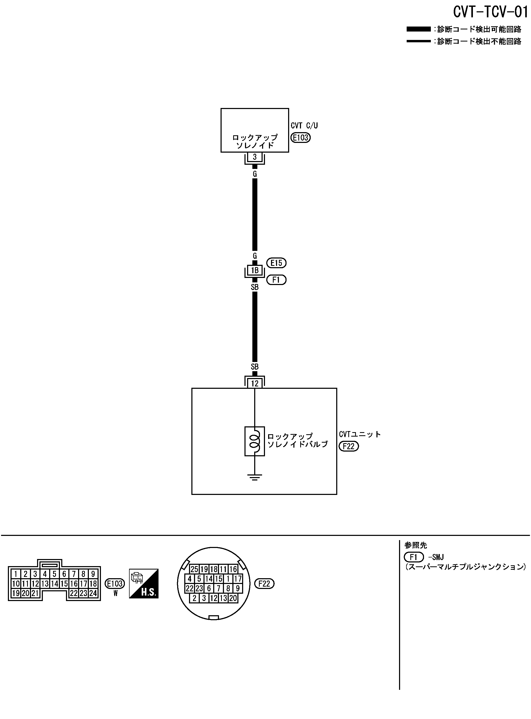
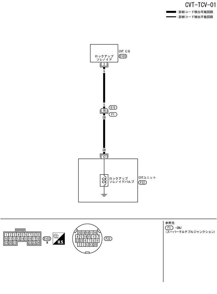
Схема подключения - tcv - dtc p0740 с/в блокировки
Схема подключения - tcv - dtc p0740 с/в блокировки
配線図 - TCV -
📄
Открыть схему TCWB0506J.PDF
Предыдущий: Логика самодиагностики dtc p0740 блокировка с/в
Назад
Следующий: Процедура проверки dtc p0740 блокировка с/в
Вперед