ВИЗАТОР
Новости японской автоиндустрии
Главная
Новости
FAQ
Аукционы
Руководства по ремонту
Nissan Wingroad Y12: полное руководство по ремонту и обслуживанию на русском языке
Вы здесь:
Главная
Руководства по ремонту
Nissan Wingroad Y12: полное руководство по ремонту и обслуживанию на русском языке
Трансмиссия
Вариатор (CVT)
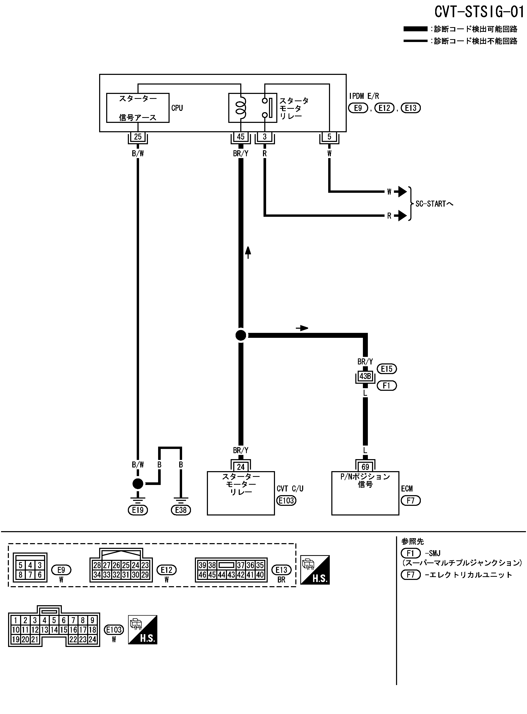
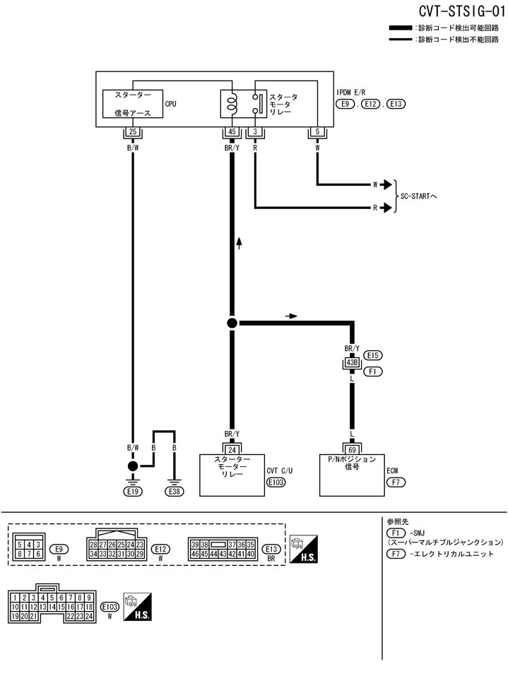
Схема подключения — stsig — dtc p0615 реле стартера
Схема подключения — stsig — dtc p0615 реле стартера
配線図 - STSIG -
📄
Открыть схему TCWB0519J.PDF
Предыдущий: Логика самодиагностики dtc p0615 реле стартера
Назад
Следующий: Процедура проверки dtc p0615 реле стартера
Вперед