ВИЗАТОР
Новости японской автоиндустрии
Главная
Новости
FAQ
Аукционы
Руководства по ремонту
Nissan Wingroad Y12: полное руководство по ремонту и обслуживанию на русском языке
Вы здесь:
Главная
Руководства по ремонту
Nissan Wingroad Y12: полное руководство по ремонту и обслуживанию на русском языке
Трансмиссия
Вариатор (CVT)
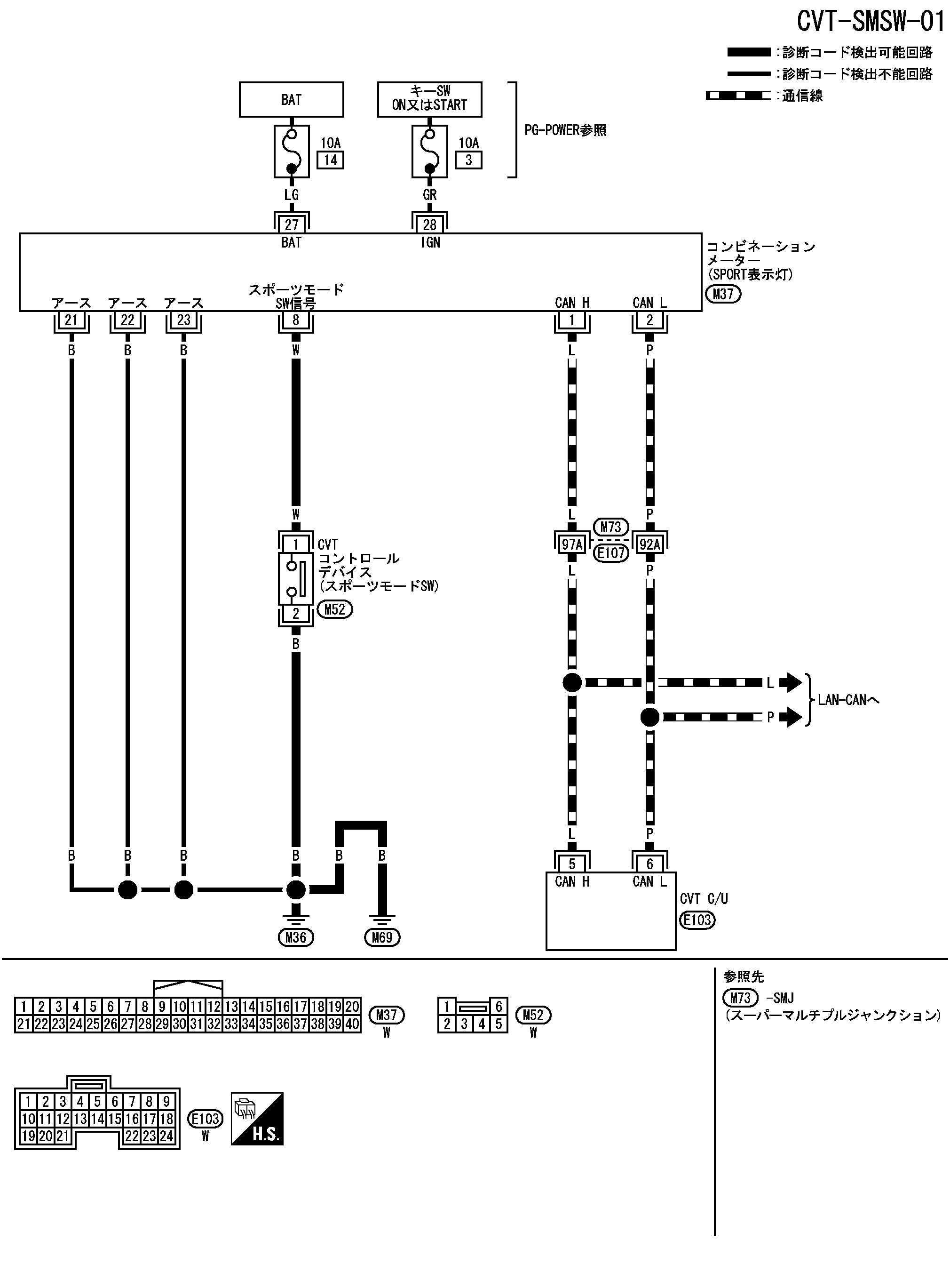
Схема подключения — smsw — система переключения спортивных режимов
Схема подключения — smsw — система переключения спортивных режимов
配線図 - SMSW -
📄
Открыть схему TCWB0513J.PDF
Предыдущий: Контрольное значение входного/выходного сигнала cvt c/u, система переключения спортивного режима
Назад
Следующий: Инструкция по проверке Система переключения спортивных режимов
Вперед