ВИЗАТОР
Новости японской автоиндустрии
Главная
Новости
FAQ
Аукционы
Руководства по ремонту
Nissan Wingroad Y12: полное руководство по ремонту и обслуживанию на русском языке
Вы здесь:
Главная
Руководства по ремонту
Nissan Wingroad Y12: полное руководство по ремонту и обслуживанию на русском языке
Трансмиссия
Вариатор (CVT)
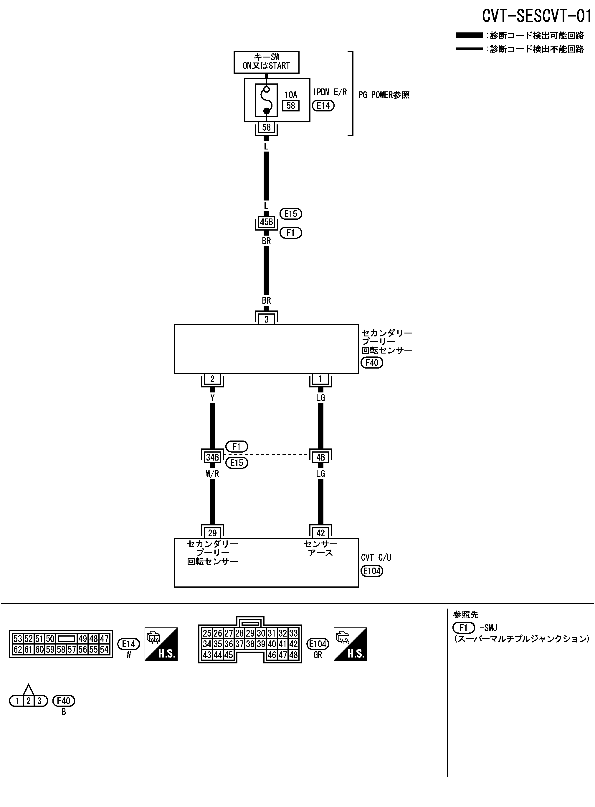
Схема подключения — sescvt — dtc p0720 датчик скорости автомобиля
Схема подключения — sescvt — dtc p0720 датчик скорости автомобиля
配線図 - SESCVT -
📄
Открыть схему TCWB0606J.PDF
Предыдущий: Логика самодиагностики dtc p0720 датчика скорости автомобиля
Назад
Следующий: Порядок проверки dtc p0720 датчик скорости автомобиля
Вперед