ВИЗАТОР
Новости японской автоиндустрии
Главная
Новости
FAQ
Аукционы
Руководства по ремонту
Nissan Wingroad Y12: полное руководство по ремонту и обслуживанию на русском языке
Вы здесь:
Главная
Руководства по ремонту
Nissan Wingroad Y12: полное руководство по ремонту и обслуживанию на русском языке
Трансмиссия
Вариатор (CVT)
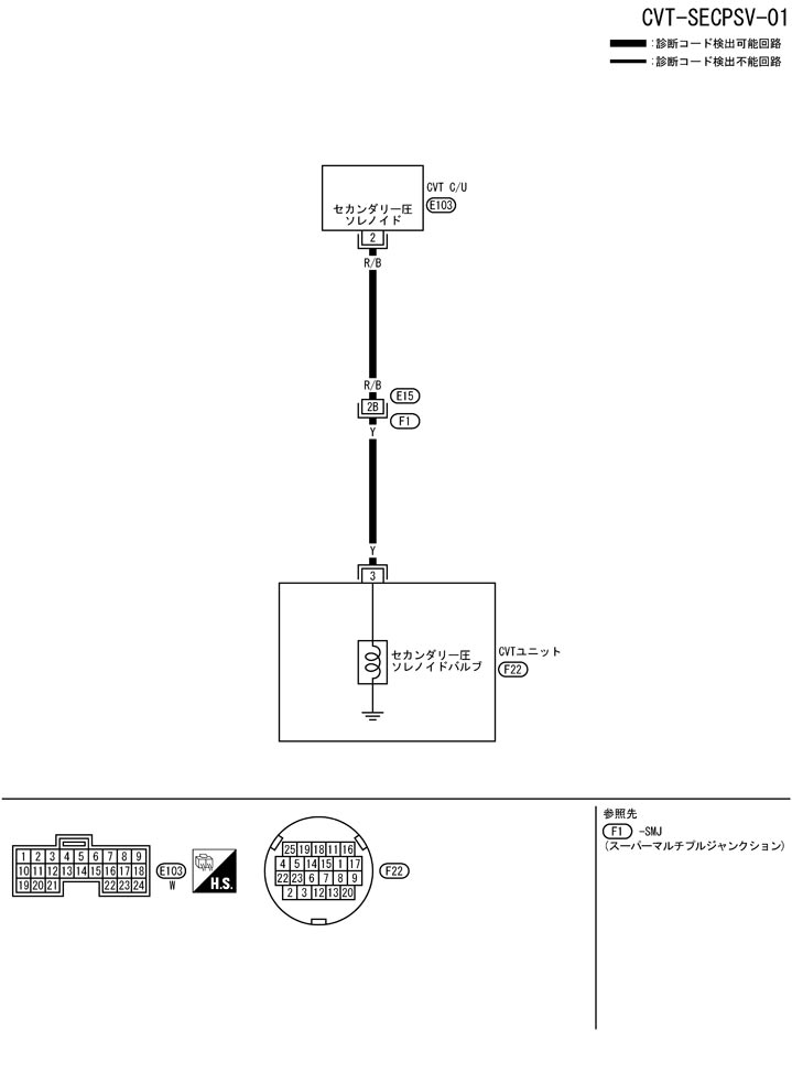
Схема подключения - secpsv -dtc p0778 Электромагнит вторичного давления
Схема подключения - secpsv -dtc p0778 Электромагнит вторичного давления
配線図 - SECPSV -
📄
Открыть схему TCWB0508J.PDF
Предыдущий: Логика самодиагностики dtc p0778 соленоид вторичного давления
Назад
Следующий: Процедура проверки dtc p0778 Электромагнит вторичного давления
Вперед