ВИЗАТОР
Новости японской автоиндустрии
Главная
Новости
FAQ
Аукционы
Руководства по ремонту
Nissan Wingroad Y12: полное руководство по ремонту и обслуживанию на русском языке
Вы здесь:
Главная
Руководства по ремонту
Nissan Wingroad Y12: полное руководство по ремонту и обслуживанию на русском языке
Трансмиссия
Вариатор (CVT)
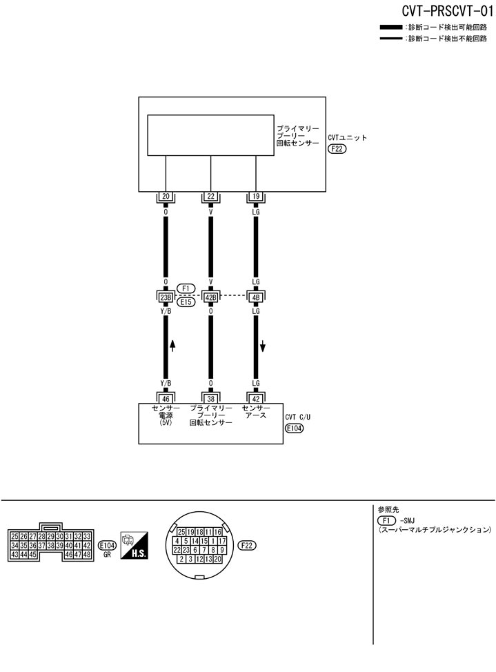
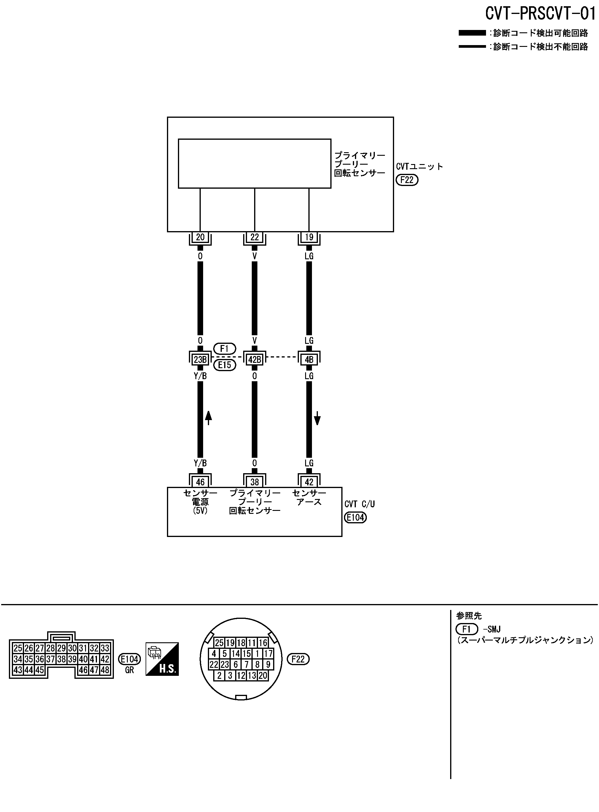
Схема подключения - prscvt - dtc p0715 первичный датчик вращения
Схема подключения - prscvt - dtc p0715 первичный датчик вращения
配線図 - PRSCVT -
📄
Открыть схему TCWB0521J.PDF
Предыдущий: Логика самодиагностики dtc p0715 первичный датчик вращения
Назад
Следующий: Процедура проверки dtc p0715 первичный датчик вращения
Вперед