ВИЗАТОР
Новости японской автоиндустрии
Главная
Новости
FAQ
Аукционы
Руководства по ремонту
Nissan Wingroad Y12: полное руководство по ремонту и обслуживанию на русском языке
Вы здесь:
Главная
Руководства по ремонту
Nissan Wingroad Y12: полное руководство по ремонту и обслуживанию на русском языке
Трансмиссия
Вариатор (CVT)
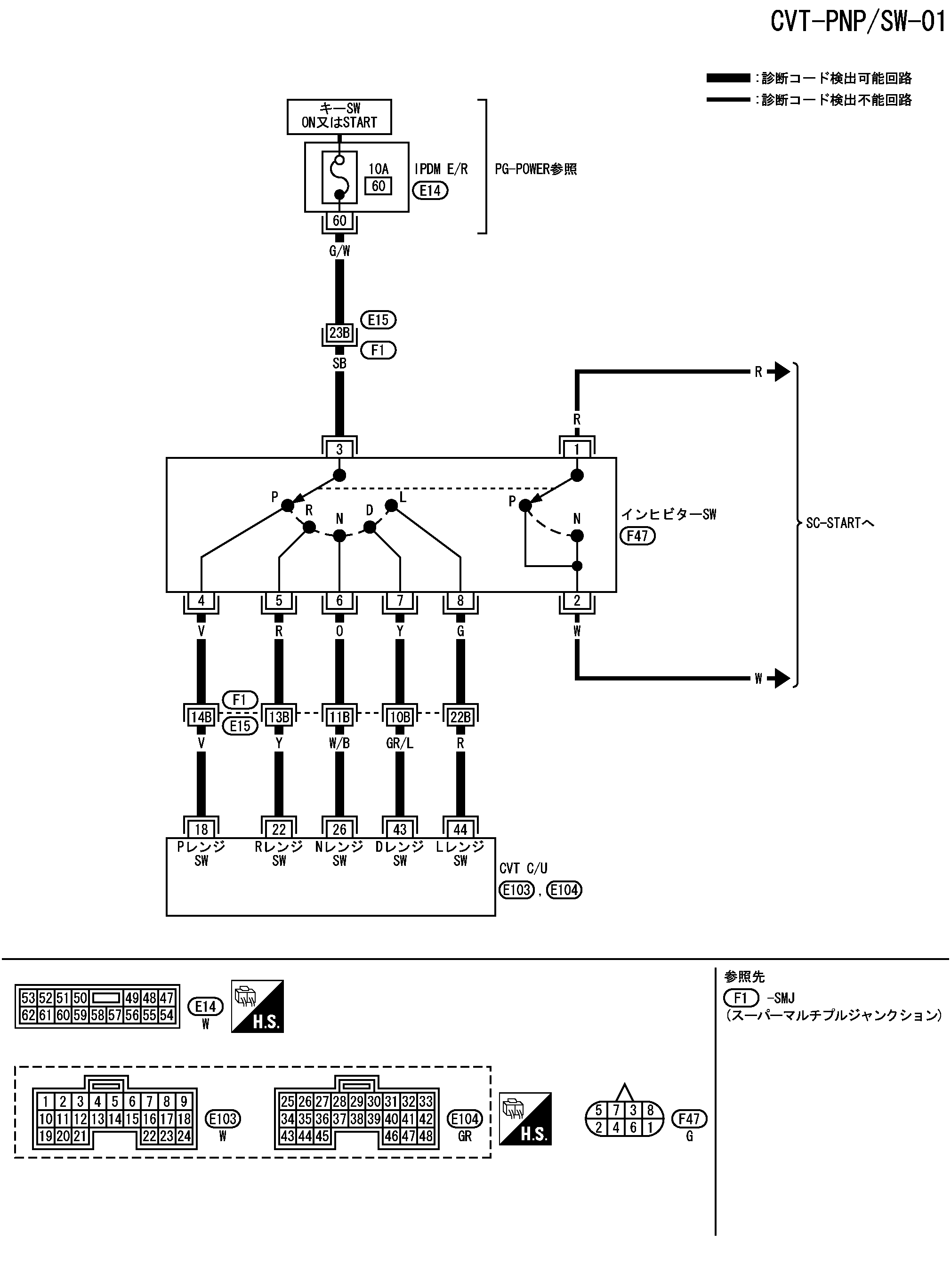
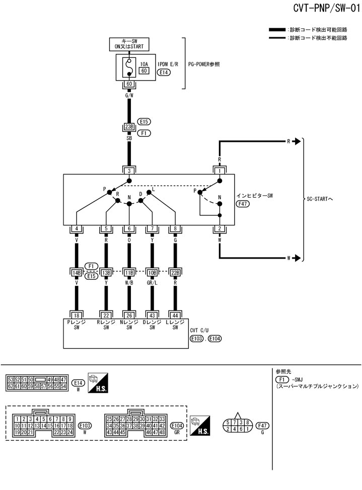
Схема подключения — pnp/sw — dtc p0705, программа блокировки
Схема подключения — pnp/sw — dtc p0705, программа блокировки
配線図 - PNP/SW -
📄
Открыть схему TCWB0502J.PDF
Предыдущий: Логика самодиагностики dtc p0705 ингибитор ПО
Назад
Следующий: Процедура проверки dtc p0705 ингибитор ПО
Вперед