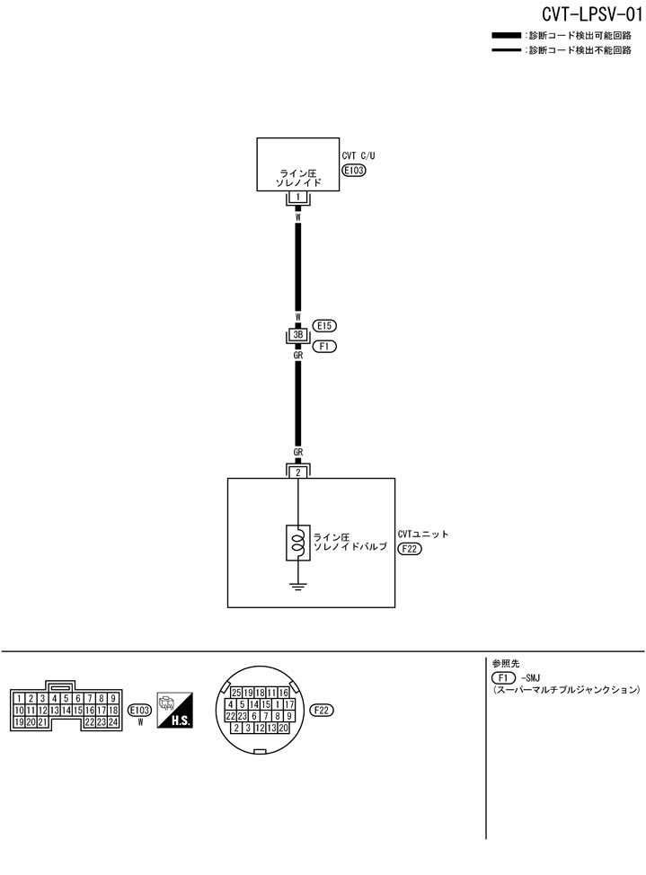
配線図 - LPSV -